Grundig-Stereodekoder Type VIII

Sämtliche auf dieser und den hierzu gehörenden Unterseiten gezeigten Fotos und Texte (auch auszugsweise) bedürfen, sollten sie an dritte weitergegeben werden, meiner ausdrücklichen Zustimmung.
Jegliche weitere, insbesondere gewerbliche Nutzung, wird hiermit untersagt !!


Der Grundig Dekoder VIII (Originale Grundig-Schreibweise war hier die Zahl 8, keine römische Ziffer!) wurde ausschliesslich nur in Transistor-, nicht in Röhrengeräten eingebaut, ich stelle ihn hier nur der Vollständigkeit halber mit vor!

Der Dekoder 8 war in den folgenden Geräten eingebaut:
Steuergeräte: RF 265 St, Stereomeister 155, RTV 350, RTV360, Studio 350
Konzertschrank: KS715,Ks 742, KS 716,723, 735, 741, 753, Bergamo St
BAUSTEIN: Hf 350
Quelle: Grundig Jahrbuch 1974 Seite 88/89
- Diese Daten stellte mir freundlicherweise Herr Hans M. Knoll zur Verfügung.

Das Schaltbild sowie das PDF-File wurde mir freundlicherweise von Wolfgang Ruf zur Verfügung gestellt.

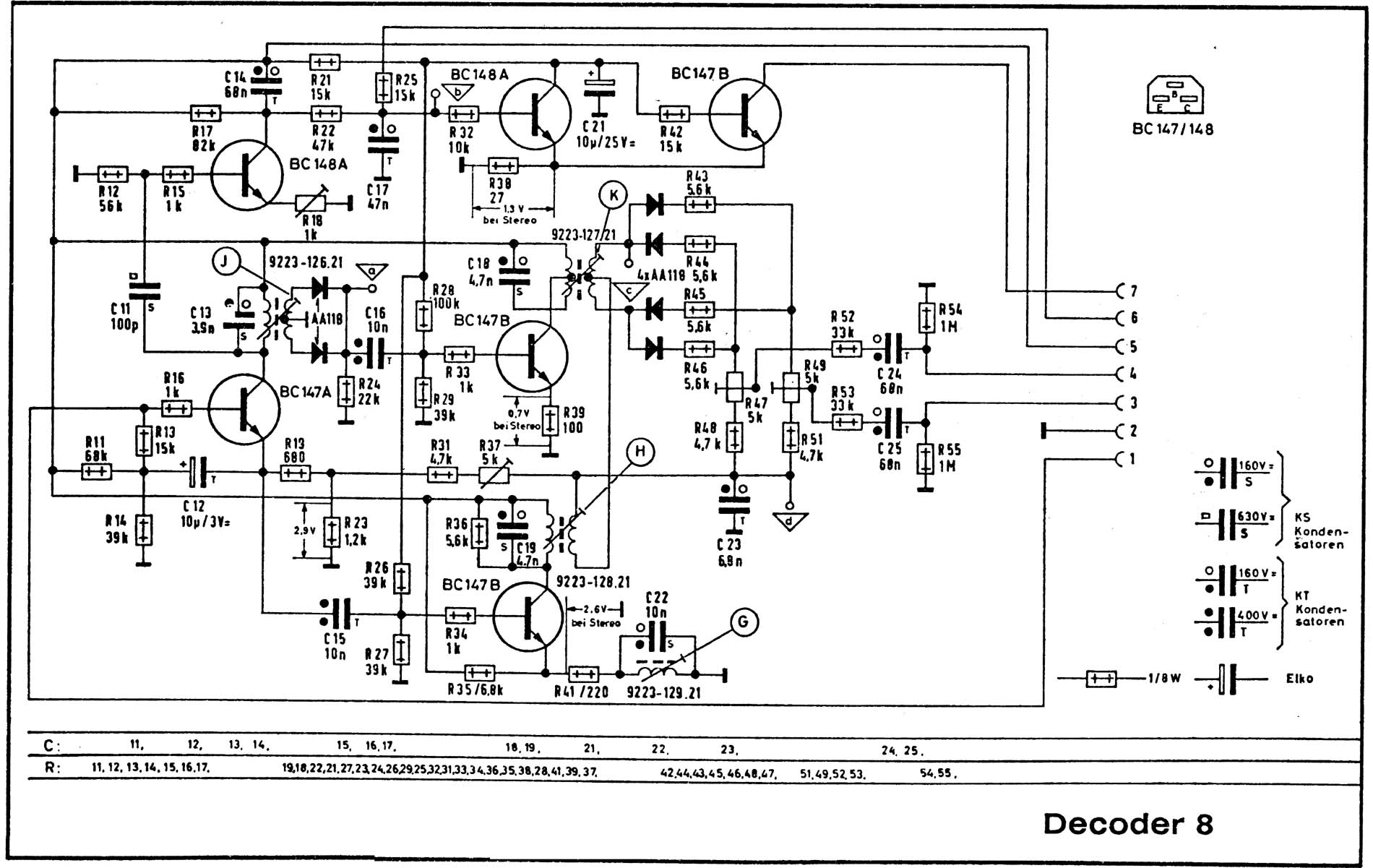
Schaltbild Grundig-Dekoder Typ VIII
(Mit der Maustaste das Schaltbild anklicken, es wird dann in voller Auflösung dargestellt.)


Michael Haver sandte mir - zunächst - Fotos des Grundig-Steuerteils RTV350 sowie des Dekoders zu; später spendierte Michael mir das komplette Gerät - somit konnte ich noch gute Fotos des Dekoders selbst, ohne Metallgehäuse, anfertigen. - Nochmals vielen Dank, Michael !!

Hier nun die Fotos des Dekoders:


















Wer sich für die Fotos des Steuergerätes RTV350 interessiert - hinter diesem Link kann man, wenn man ihn anwählt, etliche schöne Fotos des Gerätes bewundern.

Zurück zur Hauptseite