Philips-Stereodekoder

Sämtliche auf dieser und den hierzu gehörenden Unterseiten gezeigten Fotos und Texte (auch auszugsweise) bedürfen, sollten sie an dritte weitergegeben werden, meiner ausdrücklichen Zustimmung.
Jegliche gewerbliche Nutzung wird hiermit untersagt.


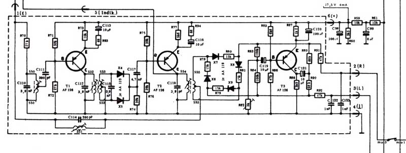
Der hier gezeigte Dekoder wurde von Philips hergestellt. Seine Typenbezeichnung ist mir leider nicht bekannt.
Er wurde u.a. im Philips Uranus B5D33A eingebaut.

















Fotos des Philips Uranus. Er besitzt zwei EM87, die links der Skala zeigt das Stereo-Pilot-Signal an, die rechts der Skala ist die Aussteuerungsanzeige für den Rundfunk-Empfang.





Diese Fotos wurden mir freundlicherweise von Thomas Teichmann zur Verfügung gestellt.

Eine Ausschnittsvergrösserung aus dem Schaltbild zum Uranus B5D33A:



Für daran Interessierte stelle ich hier, als PDF-File, das Schaltbild des B5D33A zur Verfügung (ca. 800 kByte).

Zurück zur Hauptseite