Stereodekoder zum Selberbauen

Sämtliche auf dieser und den hierzu gehörenden Unterseiten gezeigten Fotos und Texte (auch auszugsweise) bedürfen, sollten sie an dritte weitergegeben werden, meiner ausdrücklichen Zustimmung.
Jegliche gewerbliche Nutzung wird hiermit untersagt.


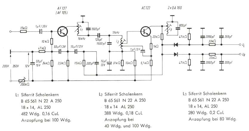
Der hier gezeigte Stereodekoder stammt aus den Telefunken - Röhrenmitteilungen für die Industrie.
Es ist ein Volltransistor-Dekoder, der mit nur drei Siferrit-Schalenkernen aufgebaut werden kann. Ein geschickter Bastler wird die beiden Transistoren gegen Trioden austauschen können, die Schaltung an Trioden anpassen.

Ein Nachteil dieses Dekoders darf nicht verschwiegen werden: es fehlt der 38-kHz- (MPX-) Filter in seinem Ausgang. Dieser aber kann durch einen von Reinhöfer-Electronic angebaut werden, oder aber man kann eine der hier bereits gezeigten Schaltung als Beispiel nehmen, von dieser die Ausgangsbeschaltungs verwenden.


Die hier gezeigten Seiten habe ich bewußt nicht als PDF-File gewandelt. Ich stelle sie hier als Original-Seite in verkleinerter Ansicht zur Verfügung. Erst wenn das jeweilige Bild mit der Maustaste angeklickt wird, erscheint es in hoher Auflösung.

Seite 1

Seite 2

Seite 3

Seite 4

Seite 5

Seite 6

Seite 7

Seite 8

Seite 9

Seite 10

Seite 11

Das folgende Foto, welches mir, wie die Telefunken-Mitteilung, von Siegfried zur Verfügung gestellt wurde, zeigt einen kompletten Siferrit-Schalenkern-Bausatz:


Siegfried schrieb mir noch folgende wichtigen Infos zu den Spulen:

Die Spulen des TFK Decoders haben folgende Werte: L1 58 mH
L2 38 mH
L3 20 mH
- Jetzt kann sie ein geschickter Techniker (Bastler) die Spulen selbst wickeln.

Zurück zur Hauptseite