4 Watt-UKW-FM-Röhrensender.



Diese Seite und dieser Sender ist nur zum Anschauen, aber nicht zum Nachbauen geeignet!

Diesen Sender erhielt ich vor einiger Zeit von einem Bekannten, der sein Hobby aus Beruflichen und Privatgründen aufgeben musste. Er hatte, als liz. Funkamateur, diesen Sender für seinen Sohn aufgebaut damit er in der Schulaula mit seiner Gitarre mal ein bißchen "Dampf ablassen" könne - was auch hervorragend funktionierte, wie ich dabei noch erfuhr.


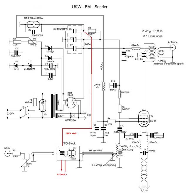
Aufgebaut mit einer EL81, die, obwohl für 60 MHz entwickelt, auch im normalen UKW-FM-Rundfunkbereich Bereich als Endröhre noch hervorragend arbeitet, baute mein Bekannter ein altes UKW-Mischteil mit einer ECC85 als VFO (UKW-Oszillator), der die zu sendende einstellbare Frequenz erzeugt und der Endröhre direkt zuführt. Weiter ist er noch mit einer EZ40 zur Gleichrichtung sowie einer OA2 zur Stabilisierung ausgestattet. Zwei Siliziumdioden 1N4004 erzeugen die (auf der Chassisrückseite mit einem kleinen Potie einstellbare) negative Gittervorspannung der Endröhre, mit Zenerdioden zur Stabilisierung hier noch unterstützt.

Die Schaltung:

Schaltung
Bitte mit der li. Maustaste das Schaltbild anklicken, es wiird dann in voller Auflösung angezeigt.

Die folgenden Fotos zeigen den Aufbau von allen Seiten:



























Die im Bild sichtbare Schleife, ein Drahtring mit nur einer Windungen aus braunem Kabel ist mit einem Ende an Masse, mit dem anderen Ende an einer BNC-Buchse angeschlossen:



An dieser BNC-Buchse kann man einen Frequenzzähler anschliessen, der genau anzeigt auf welcher Frequenz man den VFO-Block eingestellt hat (Bereich ca. 88 - 104 MHz), um auf einem Bereich zu bleiben der (je nach Örtlichkeit) nicht von einem Rundfunksender belegt ist.










Wichtiger Hinweis !!! Es sollte jedem hier klar sein, dass es sich hier um einen verbotenen Sendebereich handelt, dass es sich um keinen für Funkamateure freigegebenen Bereich handelt.
Deshalb weise ich hier noch einmal ausdrücklich darauf hin, dass es sich um einen sog. Piratensender handelt, dessen Betrieb eine Ordnungswidrigkeit darstellt und, falls der Sender nachgebaut und betrieben wird, derjenige im Falle dass er von den Behörden beim Senden "ertappt" wird, er mit einer sehr empfindlichen Geldstrafe rechnen muss, und danach als vorbetraft gilt !!

Ich zeige diesen Sender nur als Beispiel, welche techn. Möglichkeiten man mit den einfachsten Mitteln, nur aus der "Bastelkiste" entnommen, man auch heute immer noch hat.


Zurück zur Hauptseite