70 Watt-KW-Sender, aus Funkschau Heft 22/1955

Viele Funkamateure behelfen sich noch immer mit entsprechend hergerichteten Wehrmachtssendern, wie sie einige
Zeit nach Kriegsende zu Schleuderpreisen zu haben waren. Inzwischen hat sich die Erkenntnis durchgesetzt, daß solche
Geräte viele Amateurwünsche unberücksichtigt lassen, denn sie waren ja ursprünglich für einen ganz
anderen Verwendungszweck gedacht. Am störendsten ist wohl, daß meistens nur ein oder zwei der KW-Bänder
erfaßt werden und daß der Steuersender (VFO) mit seiner mäßigen Konstanz nicht mehr den jetzigen
Anforderungen entspricht. Über kurz oder lang sieht man sich daher nach einer geeigneten neuen Schaltung für einen
ausgesprochenen Amateursender um.
Der nachstehend beschriebene Sender zeigt eine der vielen Konstruktionsmöglichkeiten. Vor dem Entwurf wurde noch einmal
der Wunschzettel studiert, auf dem wir uns die am häufigsten in Leserzuschriften geforderten Bedingungen für ein
solches Gerät notiert hatten:
1. Umschaltbarkeit auf die Bänder 10 -15 - 20 - 40 - 80 m ohne Spulenwechsel.
2. Bausichere Ausführung, die kostspieliges eigenes Experimentieren überflüssig macht.
3. Vermeiden schwer beschaffbarer Engpaßteile und möglichst Auskommen mit normalem handelsüblichen Material
im Netzteil
4. Austauschbarkeit der benutzten Röhren und sonstiger Einzelteile moderner Herkunft gegen vorhandenes Surplus-Material.
5. Industriemäßiges Äußere.
6. Einiger Bedienungskomfort, zum Beispiel Fernbedienungsmöglichkeit.
Diesen Bedingungen entspricht der Sender, dessen Außenansicht hier gezeigt wird.
Welche HF-Leistung?
Die meisten Funkamateure betreiben ihre Senderendstufe mit Anodenverlustleistungen zwischen 30 bis 100 W. Sie wissen,
daß eine Lautstärkezunahme von einer S-Stufe ein Steigern der Leistung auf 150 bis 500 W erforderlich machen
würde. Abgesehen davon, daß das im Extremfall gegen die Lizenzbestimmungen verstößt, nimmt auch der
Aufwand im Netzteil so gewaltig zu, daß ein solcher Sender kaum mehr mit amateurmäßigen Mitteln aufzubauen
ist. Wir haben uns daher nach langen Überlegungen für eine zwar bescheidene aber recht zweckmäßige
Bestückung der Endstufe mit zwei Röhren QE 06/50 in Parallelschaltung entschlossen. Damit läßt sich bei
600 V Anodenspannung eine mittlere Eingangsleistung von 70 W erzielen. Angenehm ist, daß sich ohne jede
Schaltungsänderung etwa vorhandene amerikanische Röhren 807 oder deren Parallelausführung 1625 für 12,6
V Heizspannung verwenden lassen. Läßt man zunächst eine der beiden Endröhren weg, so darf das Gerät
in der Lizenzklasse A betrieben werden, während es mit zwei Endröhren für die B-Klasse zulässig ist.
Da für die angegebenen Leistungen 600 V Anodenspannung ausreichen, kommt man im Netzteil mit billigen
Rundfunk-Elektrolytkondensatoren für 550 V aus, die je zwei und zwei in Reihe geschaltet werden. Damit ergibt sich eine
zulässige Dauerbelastbarkeit mit 1100 V, was einem ganz erheblichen Sicherheitsfaktor entspricht. Der Verfasser hat
dieses Verfahren erprobt, und er mußte im Verlauf von vier Jahren nur ein einziges Mal einen taub gewordenen
Kondensator auswechseln. Im Netzteil genügt ferner eine einzige Gleichrichterröhre, z. B. die EZ 150 von
Telefunken oder die ehemalige Wehrmachtsröhre LG 12. Beide Typen lassen sich auch durch verschiedene amerikanische
Einweggleichrichterröhren ersetzen, die mindestens 600 V / 0,2 A zu liefern imstande sind und von denen zwei Stück
benötigt werden. Man hat also genügend Auswahlmöglichkeiten und kann sich von Fall zu Fall für die
preislich günstigste Lösung entscheiden.
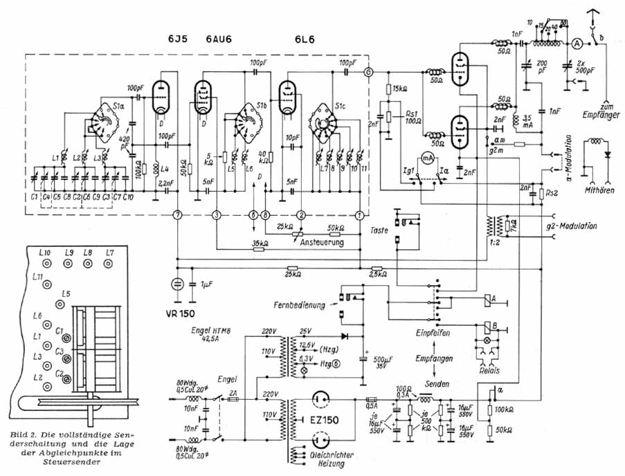
Die Schaltung
Den kritischsten Teil eines Amateursenders bildet der VFO, also der Steuersender. Wir haben uns für eine fertige
Baueinheit entschieden, nämlich für den Typ 4/102 der Firma Geloso, der auch in dem bekannten
35-W-Geloso-Amateursender enthalten ist. Diese Baugruppe wird zusammen mit einer sehr übersichtlichen Skala geliefert,
die mit dazu beiträgt, daß der fertige Sender ein kommerzielles Gesicht erhält.
Der VFO ist in der Gesamtschaltung mit einer gestrichelten Linie umrahmt. Seine Arbeitsweise in den verschiedenen
Amateurbändern geht aus der Tabelle hervor.
Die Hauptanodenspannung von 600 V wird durch Vorwiderstände auf den richtigen Wert für die einzelnen VFO-Röhren
herabgesetzt. Die Anodenspannung für die Oszillatorröhre 6 J 5 ist auf ca. 150 V stabilisiert. Als Stabilisator
kommen alle Typen in Frage, die einen Querstrom von etwa 30 mA aufnehmen, z. B. STV 150/30, die amerikanischen Röhren
VR 150, OD 3 oder ähnliche. Gleichzeitig stabilisiert diese Röhre die Schirmgitterspannung der Endröhren,
falls mit Schirmgittermodulation gearbeitet wird. Mit dem Regler "Ansteuerung" läßt sich die
Steuerleistung für die Endstufe (PA) einstellen.
Da der VFO in der zweiten und dritten Stufe mit Resonanzdrosseln arbeitet, ist seine Ausgangsleistung nicht über alle
Bereiche konstant, sie muß daher von Fall zu Fall auf den richtigen Wert gebracht werden.
Das Einstellen des Senders erleichtern zwei Meßinstrumente. Das Milliamperemeter mA hat einen Endausschlag von 25 mA.
Je nach Fabrikat liegt sein Innenwiderstand bei rund 2 Ohm. Mit dem Meßstellenumschalter Ig 1/Ia wird das Instrument
wahlweise zur Gitterstrommessung in den Gitterkreis oder zur Anodenstrommessung in den Anodenkreis der PA-Stufe gelegt. Der
Nebenschluß durch Rs 1 von 100 Ohm verfälscht die Meßgenauigkeit nicht, da er hinreichend hochohmig
gegen den Innenwiderstand des Instrumentes ist.
Rs 2 ist selbstgewickelt, er erweitert bei la-Messungen den Bereich auf 250 mA und sein Wert muß rund 10% vom
Instrumentenwiderstand betragen. Beim Mustergerät wurde 0,2 - mm - CuL - Draht auf einen gerade vorhandenen
10-Ohm-Widerstand gewickelt und nach Abgleichen auf den richtigen Wert (Vergleich mit einem geeichten Milliamperemeter) mit
den Anschlüssen des 10-Ohm-Widerstandes verlötet.
Als zweites Meßinstrument befindet sich in der Antennenleitung ein Hitzdraht-Amperemeter 0,5 A. Wer auf
frequenzunabhängige Messungen verzichtet, kann mit gleichem Erfolg ein Drehspulinstrument mit Kristalldiode verwenden,
das durch eine Windung lose mit der Tankkreisspule gekoppelt ist und wenigstens eine Relativmessung erlaubt.
Das Pi-Filter
Als Tankkreisspule und zur Antennenanpassung dient ein Pi - Filter, dessen nichtbenutzten Windungen bei den kürzeren
Bändern kurzgeschlossen werden.
Das Filter ist gleichstromfrei angeschlossen, und die Anodenstromzuführung erfolgt über eine Hf-Drossel mit 3,5 mH.
Damit die Verluste in der Filterspule bei kurzgeschlossenen Windungen gering bleiben, wird die Spule zweiteilig ausgeführt;
die Achsen beider Teilspulen stehen senkrecht aufeinander. Die Hauptspule, sie ist im Originalgerät waagerecht und
parallel zur Frontplatte angeordnet, ist auf einen keramischen Wickelkörper mit 50 mm Æ
und mit 95 mm Länge gewickelt. Sie enthält 24 Windungen versilberten Kupferdraht mit 2 mm Æ und 2 mm Windungsabstand. Von ihrem antennenseitigen (niederohmigen) Ende aus gezählt
bekommt sie eine Anzapfung bei der 16. Windung. Steht der Stufenschalter auf diesem Zapfpunkt, so ist das 40-m-Band grob
abgestimmt, bei offenem Schalter das 80-m-Band.
Die sich (in Richtung PA-Anode) anschließende Zusatzspule besteht aus blankem versilbertem 2-mm-Kupferdraht. Sie ist
freitragend gewickelt, hat 25 mm Æ, 18 Windungen, einen Windungsabstand von 4 mm und
Anzapfungen bei der 7. (für 10 m) und 11. Windung, vom anodenseitigen Ende aus gerechnet. Im wichtigen 20-m-Band ist
also die ganze Zusatzspule eingeschaltet, eine Dämpfung kann nicht eintreten, weil die kurzgeschlossene Hauptspule wegen
ihrer räumlichen Lage nicht auf die Zusatzspule koppelt.
Das Mustergerät wird in der Regel bei Telefonie schirmgittermoduliert. Der Modulationsübertrager 2 : 1 (von der
Senderseite aus gerechnet) ist im Sender eingebaut. Beim Verfasser wird als Modulator der Verstärker ZV 27 aus Radio -
Praktiker - Bücherei 8 benutzt. Die beiden Anoden der darin enthaltenen Endröhren sind mit den Klemmen
"G2-Modulation" des Senders verbunden, wobei der im ZV 27 vorhandene Ausgangsübertrager leer mitläuft;
er erfüllt also nur die Rolle einer Gegentaktdrossel zur Anodenspannungs-Zuführung. Das hat sich seit Jahren
bewährt. Einen 25-W-Verstärker besitzen viele Funkamateure, und da ein getrennter Modulationsübertrager im
Sender vorhanden ist, muß man keine Änderungen an der Verstärkerschaltung vornehmen, wenn man vom Anbringen
der beiden Buchsen für den hochohmigen Ausgang absieht. Der Verstärker steht also jederzeit für andere Zwecke
zur Verfügung.
Selbstverständlich ist auch Anodenmodulation möglich, wenn man die Anodenspannung auf 450 V herabsetzt; entsprechende
Klemmen sind vorgesehen. Allerdings erfordert das einen sehr leistungsfähigen Modulator (z. B. 2 x EL 34 in B-Schaltung),
aber es bringt auch eine Erhöhung der Empfangsfeldstärke um nahezu eine S-Stufe ein. Bei Anodenmodulation kann fast
mit Oberstrichleistung gearbeitet werden, weshalb die Schirmgitterspannung auf 250 V erhöht werden darf (Umschalter
g2m/am). Auch bei Telegrafie könnte man diesen Umschalter in die gestrichelte Stellung bringen, aber es zeigte sich,
daß die Gegenstelle von der erzielten Impulserhöhung kaum etwas merkt.
Der Einfachheit halber wurde also auf eine automatische Umschaltmöglichkeit verzichtet.
Eine solche ist möglich, wenn das Buchsenpaar für die Taste zwei weitere Kontaktpaare erhält. Das eine
schaltet beim Einführen des Steckers die Schirmgitterspannung der PA auf 250 V um, das andere schließt den
Modulator kurz. Ähnlich könnte man auch mit dem Anschluß "Anodenmodulation" verfahren und einen
Buchsenkontakt zum Umschalten der Schirmgitterspannung verwenden. Dieser Kontakt muß beim Einführen des Steckers
auf 250 V umschalten, während ein zweiter beim Herausziehen die Anschlußbuchsen überbrückt.
Ein wenig Bedienungskomfort
Bei vielen Amateursendern vermißt man einen Sende/Empfangsumschalter, der eine dritte Stellung für
strahlungsfreies Abstimmen (Einpeifen) besitzt. Das mag daran liegen, daß sich die verschiedenen Schalterfunktionen
gar nicht so einfach zusammenfassen lassen. Beim Einpfeifen darf nur der VFO arbeiten und der Empfänger muß an
der Antenne liegen. In Stellung "Senden" soll dagegen beim Empfänger die Anodenspannung abgeschaltet sein und der
Sender muß auf die Antenne arbeiten. Schließlich wünscht man zumindest bei Anodenmodulation, daß zur
Stromersparnis und zum Vermeiden von Spannungsüberschlägen bei Leerlauf die Anodenspannung des Modulators in
den Empfangspausen abgeschaltet wird.
Das alles läßt sich nur mit Relais bewerkstelligen, die immer noch in riesigen Mengen aus Altbeständen sehr
billig zu haben sind. Die benötigten 24 V Gleichstrom entnimmt man der 25-V-Wicklung des Universal-Heiztransformators,
richtet sie mit zwei Selenelementen (ca. 35 mm Æ ) in Einwegschaltung gleich und glättet
sie mit einem Elektrolytkondensator 500 bis 1000 µF/35 V. Diese geringe Mehrausgabe macht sich reichlich bezahlt, denn sie
ermöglicht einen merklichen Bedienungskomfort.
Da der Umschalter "Einpfeifen - Empfangen - Senden" nun nicht mehr für 600 V bemessen sein muß, kann man einen
Kellogschalter verwenden, wie er seit Jahrzehnten im Fernmeldewesen benutzt wird und den es aus Altbeständen mit allen
erdenklichen Kontaktkombinationen gibt. Ein solcher Schalter ist äußerst leichtgängig, viel leichtgängiger
jedenfalls als der beste Drehschalter. Er ermöglicht deshalb einen ungemein flotten "break-in-Verkehr". Wir
benötigen eine Ausführung, die in den beiden Endstellungen wenigstens drei Arbeitskontakte besitzt.
Der im Schaltbild oberste Kontakt erdet in Sendestellung die Kathoden der Endröhren, die sonst durch eine positive
Vorspannung (= negative Gitter-Sperrspannung) gesperrt sind. In Reihe mit diesem Kontakt liegt das Schaltbuchsenpaar für
die Morsetaste. Sobald man die Taste einsteckt, wird die Katodenleitung erneut unterbrochen und nur beim Telegrafieren
geschlossen.
Der mittlere Kontakt des Sende/Empfangsumschalters läßt bei "Senden" und "Einpeifen" das
Anodenspannungsrelais A ansprechen, dessen Kontakt a die Hauptanodenspannung einschaltet. Die positive Kathoden-Sperrspannung,
die der obere Umschalterkontakt beim Senden kurzschließt, bewirkt, daß die PA in Stellung "Einpfeifen"
ausgeschaltet ist.
Der untere Umschalterkontakt schaltet das B-Relais ein (Antennen-Umschaltung) sowie eine rote Warnlampe, die anzeigt, daß
der Sender "in der Luft" ist. An zwei Buchsenanschlüssen werden die Spannungen für das Empfängerrelais
und das Modulatorrelais abgenommen. Das zuerst genannte besitzt einen Ruhekontakt. Wenn das Relais erregt wird, schaltet es
die Anodenspannung des Empfängers aus.
Das Modulatorrelais arbeitet genau umgekehrt: Beim Erregen schaltet es die Modulator-Anodenspannung ein.
Da nun einmal Relais vorhanden sind, läßt sich auf einfachste Weise Fernbedienung ermöglichen. Beim Einstecken
einer Leitung in die hierfür vorgesehenen Buchsen wird die Erregerspannung für die Relais wieder unterbrochen. Erst
wenn man in Stellung "Senden" einen am Ende der Fernbedienungsleitung befindlichen Schalter oder einen Druckkontakt
schließt, sprechen die Senderelais an. Bei nicht zu hohem Tasttempo läßt sich auf diese Weise sogar recht
brauchbar telegrafieren, aber das ist nur ein Notbehelf. Fernbedienung ist nicht nur zweckmäßig, wenn der Sender
in einem anderen Raum steht, sie bewährt sich auch beim gemütlichen "Lehnstuhl-QSO", bei dem man die
Fernbedienung mit einem Fußschalter vornimmt.
Eine weitere Annehmlichkeit bildet die einfache aperiodische Mithöreinrichtung.
Eine Spule aus einem ausgedienten AM-Zf-Bandfllter wird mit einer Kristalldiode und einem Kopfhörer in Reihe geschaltet
und die Spule in der Nähe der Pi-Filterspule angebracht. Das ermöglicht eine recht brauchbare Mithörkontrolle.
Die Kopfhörerlautstärke hängt von der Entfernung zwischen den beiden Spulen ab. Man kopple sie nicht zu fest,
weil sonst die Diode verbrennen kann.
Der mechanische Aufbau
Der Sender ist in einen Leistner-Kasten Nr. 4 mit den Abmessungen 520 x 520 x 210 mm eingebaut; die Chassisgrundfläche
beträgt 490 x 205 mm. Die Raumaufteilung wird wesentlich von den Maßen des G e l o s o - VFO und von dessen Skala
bestimmt. Das Chassis-Grundblech muß deshalb um 12 mm (gegenüber der Originalausführung) nach unten versetzt
werden.
Grundbedingung für einwandfreies und elektrisch stabiles Arbeiten ist eine absolute mechanische Stabilität des
Chassis. Dieses muß entsprechend versteift werden. Das im Bild erkenntliche Trennblech dient nicht nur zur statischen
Abschirmung zwischen VFO und Endstufe, es erhöht auch die mechanische Festigkeit.
Sehr wesentlich ist ferner die nachträglich angebrachte Aluminium-L-Schiene, die mit den Seitenteilen und dem Trennblech
verschraubt wird. Erst wenn diese eingepaßt ist, wird das Chassis - um im Mechaniker-Jargon zu reden - "bocksteif",
so daß durch Erschütterungen verursachte Verwindungen nicht mehr auftreten können und damit Frequenzänderungen
unterbleiben.
Wie die Einzelteile angeordnet sind, zeigen die Skizzen Bild des Chassisaufbaus, s.o. Maße wurden nur dort eingetragen,
wo es unbedingt nötig ist, denn manche Funkfreunde werden vorhandene Teile mit leicht abweichenden Abmessungen verwenden.
Hierzu einige Hinweise:
Die Netzdrossel soll etwa 10 H bei 100 Ohm aufweisen. Der Schirmgitter - Modulationsübertragers hat ein
Übersetzungsverhältnis 1 : 2 (5 kOhm : 20 kOhm).
Tip: Daten findet man unter
http://www.geocities.com/SiliconValley/Pines/5440/geloso.html
(schöne Abbildungen !).
Man würde heute anstelle des Drehschalters Reed-Relais nehmen. Der VFO ist ein Clapp, also schön frequenzstabil,
weil über die beiden Kapazitäten von 420 pF temperaturabhängige Änderung der Röhrenkapazitäten
kompensiert wird.