Aufbau eines Steuersenders (VFO)
Aus einer Funkschau-Ausgabe, Heft 5 / 1956

Vom Steuersender (VFO) hängen die Frequenzkonstanz und der saubere Telegrafieton des Amateurs im Äther ab.
Der Steuersender ist fast immer Sorgenkind und Gegenstand vielfältiger Versuche. Im Laufe der Jahrzehnte sind immer wieder andere Schaltungen als besonders frequenzkonstant gepriesen worden. Darum ist es reizvoll, einmal diejenigen VFO - Schaltungen zusammenzustellen, die in der neuesten amerikanischen Literatur angegeben werden; sie stellen gewissermaßen den "letzten Schrei" dar. Allerdings darf man sich davon nicht verwirren lassen, denn auch auf sie trifft alles zu, was Ing. H. F. Steinhäuser in Band Nr. 31/32 der "Radio-Praktiker-Bücherei" über Frequenzkonstanz sagt.
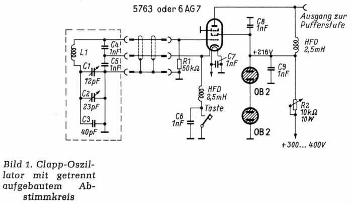
In der 32. Auflage von The Radio Amateur's Handbook vom Jahre 1955 sind die beiden Schaltungen enthalten, die Bild 1 und Bild 2 wiedergeben. In beiden Fällen handelt es sich um Clapp-Oszillatoren, jene Abwandlung des Colpitts-Oszillators, bei der parallel zur Gitter-Kathoden-Kapazität ein recht großer Kondensator liegt. Bemerkenswert ist die räumliche Trennung der frequenzbestimmenden Elemente von der Röhre mit ihren Schalteinzelheiten. Beide sind in getrennten Gehäusen untergebracht, die durch Koaxialkabel miteinander verbunden sind, wodurch der Abstand zwischen Schwingkreis und Röhre bis zu etwa 2,50 m betragen kann.
Das hat unverkennbare Vorteile, denn nicht allein, daß die frequenzbestimmende Spule und die zugehörigen Kondensatoren mit Sicherheit von den Röhren als Wärmequellen getrennt sind; es ergibt sich auch die Möglichkeit, daß der Sender vom Betriebsplatz in die Nähe des Empfängers in engen Grenzen nachreguliert werden kann, wenn es etwa gilt, einem Störer auszuweichen.


Die Schaltung nach Bild 2 zeichnet sich durch die Art der Trennstufe zwischen Oszillator und Pufferstufe aus. Hier ist eine Anodenbasisstufe mit der Röhre 6 C 4 eingefügt, die übrigens einem der Triodensysteme der Doppelröhre ECC 82 entspricht, wobei die Anode der letzteren allerdings nicht über zwei Zuleitungen verfügt.


Die Schaltung Bild 3 ist der 13. Auflage von The Radio Handbook entnommen, einer weniger bekannten Parallel-Ausgabe zu dem Buche der American Radio Relay League.
Auch hier ist ein Clapp-Oszillator verwendet, dessen frequenzbestimmende Teile von der zugehörigen Röhre räumlich getrennt sind.
In diesem Falle ist aber der kapazitive Spannungsteiler C 7, C 8 bei der Röhre verblieben, so daß die Kapazität des Koaxialkabels stark mit in die wirksame Kreiskapazität eingeht. Mittels eines Schalters S können weitere Kondensatoren (C 1, C 2) parallel zur Spule L geschaltet werden, so daß verschiedene Frequenzbänder mit dem Kondensator C 5 eingestellt werden können.


Es muß dahingestellt bleiben, ob es Sinn und Zweck hat, eine der angeführten Schaltungen nachzubauen. In den zugehörigen Beschreibungen sind nämlich Spezialeinzelteile vorgeschrieben, darunter Kondensatoren mit ganz bestimmtem Temperaturkoeffizienten, wie sie in dieser Art wohl nur in den USA bezogen werden können.

Schließlich sei es gestattet, in Bild 4 eine Schaltung für einen Steuersender zu zeigen, die den Extrakt aus einer ganzen Reihe von Einzelveröffentlichungen zieht und der technischen Phantasie des Amateurs als Anleitung dienen kann.
Ausgangspunkt ist ein Franklin - Oszillator mit der Doppeltriode ECC 82, dessen Rückkopplungskanal von der Anode der zweiten Röhre nicht am Steuergitter der ersten, sondern an einem kapazitiven Spannungsteiler endet, der parallel zur Gitterkathodenkapazität liegt. Die zu entnehmende Hochfrequenz wird nicht von der Anode der zweiten Röhre abgeleitet, sondern am unüberbrückten Katodenwiderstand entnommen und einer Pufferstufe mit der Röhre EF14 zugeleitet, deren Spannungen alle stabilisert sind, wie es auch bei den Anodenspannungen der Doppeltriode der Fall ist. Schließlich ist auch die Heizspannung der Doppeltriode im Verhältnis von etwa 30 : 1 stabilisiert, so daß Netzspannungsschwankungen sich auch nicht auf dem Umweg über die Röhrenheizung bemerkbar machen können.


Ein solcher Steuersender wäre also mit allen Schikanen ausgestattet, die im Augenblick zur Verfügung stehen. Und trotzdem bleibt der Erfolg eine von Art, Temperaturgang und weiteren Eigenschaften der Einzelteile abhängige Sache.

Zurück zur Hauptseite