Detektor- und Audionempfänger mit HF- und NF-Verstärkung - Selbstgebaut !

Bisher stellte ich nur Anleitungen vor für den Nachbau von Detektorempfänger und Audione mit oder ohne NF-Verstärker, die ein- oder mehrstufig waren. Diese Empfänger waren aber alle ohne irgendeine HF-Verstärkung.
Für den Einsatz einer Hochfrequenz-Vertärkerstufe gelten die gleichen Grundsätze wie bei Detektor- Empfänger. Eine Hochfrequenzverstärkung wird für den Fernempfang eingesetzt, nötigenfalls in Verbindung mit einer oder mehreren Niederfrequenzverstärkerstufen zur Erhöhung der Lautstärke.
Sind die von der Antenne kommenden Signale so schwach, daß sie für einen Empfang in einem Detektorempfänger nicht mehr ausreichen, so bleibt eine NF-Verstärkerstufe auch bei hohen Verstärkungsgraden wirkungslos. - Wo nichts ist, da kann auch nichts verstärkt werden...
Hier besteht aber dann doch noch die Möglichkeit, die sehr schwachen Signale, die durch die Antenne hereinkommen soweit zu verstärken, daß sie für den Detektorempfang noch ausreichend sind. Hierfür wird eine weitere Röhre zur Verstärkung der hochfrequenten Schwingungen eingesetzt.
Praktisch wirkt sich der Einsatz einer HF-Verstärkerstufe darin aus, daß die Empfangsreichweite des Empfängers um das drei- bis vierfache gesteigert wird, ohne daß dadurch die Empfangsqualität leidet.

Im ersten Bild stelle ich eine Schaltung eines Detektor-Empfängers mit einstufiger HF-Verstärkung und einer nachfolgenden NF-Verstärkerstufe vor.


Dieser Empfänger ist sehr leicht zu bedienen und auch sehr wirkungsvoll im Empfang und mit seiner Lautstärke.
Zur Abstimmung werden hier keine Drehkondensatoren benötigt, es wird mit den beiden Variometern Var.1 und Var.2 abgestimmt. Die äußere Spule erhält 2 x 15 - 18 Wdg. / 0,5 mm CuL auf einem 80-mm-Rohr, 90 mm lang, bestehend aus Pappe, Pertinax oder ähnlichem Material, die innere Spule 2 x 19 - 20 Windungen auf einem 57-mm-Rohr, 45 mm lang.
Als Detektor kann ein Kristall beliebiger Bauart verwendet werden. ( - Tip: ich setze einfach, um die Probleme bei der Suche nach dem richtigen Diodenpunkt im Detektor zu umgehen, von unten, "unsichtbar", eine Germaniumdiode ein. - Ideal ist hier eine OA70 oder OA79. - Natürlich darf dann, wenn eine solche Diode einge"schummelt" wird, im Detektor die Kontaktfeder keinen Kontakt mit dem Kristall bekommen - dann funktioniert's nicht.. )

Eine vereinfachte Schaltung nach gleichen Prinzip, nur ohne NF-Verstärkung ist im folgenden Schaltbild abgebildet.


Als Röhren benutze ich die hier angegebenen - es kann aber variiert werden - z.b. RE084, RE034, auch RE074 oder dergleichen können genutzt werden - je nachdem, was man gerade "im Keller" an Vorräte hat..
Zur Stromversorgung können Batterien - oder, wie ich es mache, eine Netzanode benutzt werden wie ich sie auf meiner Site Baupläne für Batterie-Empfänger vorstellte.

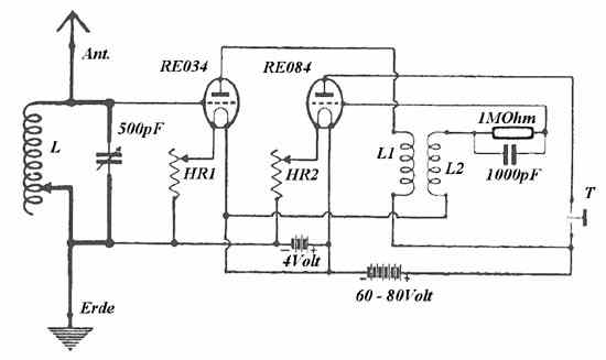
Die nächste von mir hier vorgestellte Schaltung ist ein Audion mit einstufiger HF- und einstufiger NF- Vertärkerstufe.
Die Besonderheit dieser Schaltung liegt im Einsatz eines HF-Transformators, den ich weiter unten noch genauer beschreiben werde.
Abgestimmt wird dieser Empfänger mit der Schiebespule L und den beiden Drehkondensatoren. - Als Spule L kann aber auch jede andere Spule, mit reichlicher Anzahl von Anzapfungen genommen werden, welche dann über einen Stufenschalter angewählt werden.


Eine vereinfachte Schaltung - ein Audion mit einer HF-Verstärkungsstufe - ohne NF-Stufe - stelle ich mit dem nächsten Bild vor:


Diese Schaltung kommt mit nur einem Drehkondensator aus und die Schiebespule kann prinzipiell durch jede andere Spule ersetzt werden. (Etwa 50 - 75 Windungen für den Mittelwellen-, etwa 130 - 180 Windungen für den Langwellenbereich).
Nicht eingezeichnet ist ein Telefonkondensator, der parallel zum Kopfhöreranschluß angebracht werden sollte. - Dessen Wert kann etwa 2000 pF betragen.

Mit der nachfolgenden Schaltung stelle ich eine von de Forest entwickelte Ultra-Audionschaltung vor.
Diese Schaltung ist gleichfalls eine Einröhren-Schaltung, ihr Kennzeichen besteht hauptsächlich in der direkten Verbindung der Antenne mit der Anode der Röhre, so daß die Antennenkreis-Selbstinduktion zugleich als Rückkopplungs-Spule wirkt.


Die hier vorgestellte Schaltung gibt nicht die Original-de-Forest-Schaltung wieder, sondern eine Variante, deren Eigenart in der Anwendung des abstimmbaren Anodenkreises durch ein Variometer liegt. Die Schaltung zeichnet sich durch hohe Selektivität und große Lautstärke bei geringstem Schaltungsaufwand - vom Variometer einmal abgesehen - aus. Die Größe der Antennen-Spule S muß ausprobiert werden; im allgemeinen arbeitet eine Spule von 75 Windungen am günstigsten. Das Anoden-Variometer Var. hat normale Größe. Der Heizungsregler HR hat wie immer einen Wert von etwa 25 Ohm.
Abgestimmt werden kann die Schaltung mittels des Variometers und des Drehkondensators - aber auch durch Verstellen des Heizungsreglers kann sehr großen Einfluß genommen werden.

____________________________________________________________


Wie oben angekündigt, beschreibe ich hier nun die Funktionsweise sowie den Nachbau eines HF-Transformators. - Doch zunächst ein Bild einiger damals handeslüblicher HF-Transformatoren:


Die Hochfrequenztransformatoren dienen dazu, auf der Hochfrequenzseite gewisser Empfängerschaltungen den Anodenkreis der vorhergehenden Röhre mit dem Gitterkreis der nächsten induktiv zu koppeln. Für diesen Zweck kann man Transformatoren mit Eisenkern nur benutzen, soweit es sich um Wellenbereiche über 2000 m handelt. Für kleinere Wellenlängen verwendet man eisenlose Transformatoren, deren Wechselstromwiderstände dem inneren Widerstand der Röhren, zwischen denen sie die Energie übertragen, gleich sein müssen.
Dieser Hochfrequenz-Widerstandswert liegt in der Größenordnung von 10 MOhm - er hat nichts mit dem Gleichstromwiderstandswert zu tun, den man mit einem Widerstands-Meßgerät mißt.
Da jeder Hochfrequenztransformator eine gewisse Resonanzlage besitzt, muß der Transformator entweder abstimmbar ausgeführt, auf jeder Seite mit einem Drehkondensator zusammengeschaltet werden, der die Resonanzlage des Transformators je nach Bedarf nach oben oder unten zu verschieben gestattet, so daß stets auf ein Optimum eingestellt werden kann, oder man ist gezwungen, "halbaperiodische" bzw. "aperiodische" Transformatoren zu verwenden, die eine größere Dämpfung und daher auch eine breitere Resonanzlage besitzen. Die halbaperiodischen und aperiodischen Transformatoren werden im Gegensatz zu den abstimmbaren, deren Wicklung aus Kupferdraht besteht, mit dünnem Widerstandsdraht gewickelt.
Im Schaltschema eines HF-Transformators, wie er in den beiden letzten Schaltbildern eingesetzt und gezeigt wurde sind die HF-Transformatoren durch ein Symbol dargestellt, entsprechend den Abbildungen.
Im linken Bild sieht man einen in England und Frankreich damals sehr gebräuchlichen abstimmbaren Hochfrequenztransformator (Typ Sullivan) mit stufenweise schaltbarer Primärspule, dessen Resonanzlage sich dadurch in sehr weiten Grenzen verändern ließ. Der Transformator sollte angeblich für alle Wellenlängen zwischen 200 und 25 000 Meter brauchbar sein.
In Deutschland wurden die halbaperiodischen Hochfrequenztransformatoren vorgezogen, denen man in der Regel die im Bild weiteren ersichtlichen Formen gab. Es handelte sich um Hartgummispulen, die mit dem Primär- und dem Sekundärdraht gleichzeitig nebeneinander bewickelt wurden, d.h. beide Drähte wurden gleichzeitig gewickelt. - Die Anschlüsse wurden an Steckern herausgeführt, so daß die Spulen auf passende Fassungen (Röhrensockel) gestöpselt werden konnten.
Man erstellt sich am besten einen ganzen Satz solcher Spulen, die auf verschiedene Übersetzungen abgeglichen sind und nach Bedarf gegeneinander ausgewechselt werden, bis man die günstigste Wirkung erzielt. Die Bezeichnung der Spulen erfolgt gewöhnlich nach dem Wellenbereich, den die Wicklung überdeckt, z. B. 250 bis 1000 m, 800 bis 1800 m.
Für den Anfang sollte man sich eine Spule mit etwa 20-30 Windungen auf der Primär- und etwa 50-60 Windungen auf der Sekundärseite anfertigen. - Als Draht kann ein 0,05 - 0,1 mm dicker Widerstandsdraht benutzt werden.

__________________________________________


Im Gegensatz zu den HF-Übertrager-Transformatoren - die ja eigentlich, im herkömmlichen Sinne wegen dem fehlenden Eisenkern (Blech-Lagen) gar keine Transformatoren sind - gab es die Übertrager-Transformatoren.
Man hatte, wie man auf dem folgenden Bild sieht, etliche verschieden Bauformen zur Auswahl - einige waren zum Schutz der Wicklungen gekapselt (überwiegend die aus französischer Produktion), einige wieder nur teilweise gekapselt und andere hatten eine offene Bauweise - hier war dann die Wicklung sichtbar.


Damit derjenige, der sich auf einem Radioflohmarkt einen solchen Übertrager-Transformator zulegen will weil er sich z.b. ein Batterie-Röhrengerät selbst bauen möchte oder auch "nur" repariert, zeige ich auf dem folgenden und letzten Bild dieses Artikels einige damals handelsübliche Transformatoren, damit der Bastler sie dann auch erkennen kann.

- Viel Spaß beim Nachbau !

Zurück