ECC84-Kopfhörer-Amp
von Christoph Lassok



Vor ein paar Monaten bin ich mit dem Bau des Kopfhörerverstärkers fertig geworden. Es war ein Nachbau des Verstärkers mit C3g-Röhre von Heinrich Siemens. Beflügelt durch den guten Klang, habe ich beschlossen noch einen Kopfhörerverstärker zu bauen. Der Neue sollte aber mehr Leistung an niederohmigere Lasten abgeben können.
Ich habe die ECC84-Röhre gewählt. Sieht man sich die Daten der ECC84-Röhre an, fällt sofort auf, dass sich damit niederohmigere Verstärkerstufen bauen lassen. Weshalb die ECC84-Röhre selten Verwendung in Audio-Verstärkern findet, liegt vermutlich daran dass das Gitter des II-System mit dem Schirm verbunden ist. Das stört hier aber nicht, zumindest habe ich keine negativen Erscheinungen festgestellt. Die Röhre ist gut verfügbar und vor allem preiswert.
Es entstand eine Schaltung mit zwei parallel geschalteten Systemen als SRPP-Stufe, die mit 1/2 ECC82 angesteuert wird.

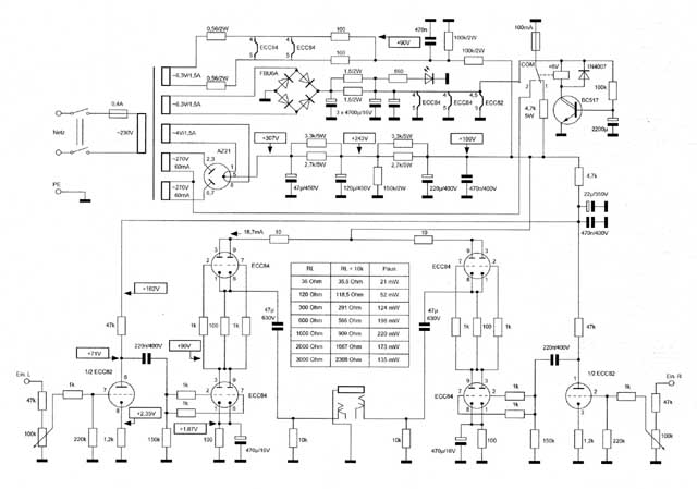
Schaltbild ECC84-KH-Amps
Durch anklicken mit der Maustaste wird das Schaltbild in Originalgrösse angezeigt

Im Versuchsstadium habe ich auch andere Röhren als Vorstufe ausprobiert (ECC81,ECC83). Natürlich funktionierte es mit diesen Röhren auch einwandfrei, aber die Verstärkung war zu hoch. Man erreicht eigentlich schon mit 2/3 geöffnetem Potentiometer bei der ECC82-Röhre die volle Leistung. Da bei mir von der ECC82 mehrere Stück von verschiedenen Hersteller vorhanden sind, habe ich diese nach der Reihe in die Fassung gesteckt und getestet. Klangunterschiede konnte ich keine feststellen. Eine ECC82 ist eben nur eine ECC82.
Manche allerdings brummten mehr als andere. Als brummärmste haben sich die von Siemens und London (Mullard?) erwiesen, gefolgt von Telefunken, Philips und Ei (aus neuer Produktion).
Am meisten brummte die ECC82 von RFT. Es gab aber auch exemplarische Unterschiede bei gleichen Herstellern.
Schließlich ist in der Fassung eine ECC82 von Siemens stecken geblieben. Die ECC84-Röhren sind von Mullard, die ich bei Jan Wuesten gekauft habe.


Auf dem Schaltplan oben habe ich eine Tabelle mit gemessener Leistung kurz vor der Clippinggrenze an verschiedenen Lasten platziert. Allerdings der 47μF-Koppelkondensator reicht für Impedanzen ab ca. 170 Ohm. Für niederohmigere Lasten müsste man einen höheren Kapazitätswert nehmen, um auch die niedrigsten Frequenzen zu übertragen.

Im Netzteil habe ich für die Anodenspannung-Gleichrichtung eine AZ21-Röhre eingesetzt, da ich davon mehrere Stück habe. Man kann auch andere Röhren nehmen. Die gesamte Stromabnahme beträgt ca. 42 mA. Die Siebung erfolgt durch CRCRC-Kette.
Mit dieser Methode muss man aber relativ viel Leistung "verbraten" um die ganze Schaltung brummfrei zu bekommen. Die Drossel ebenso wie die Halbleiter mit zugehörigem Kühlkörper wollte ich nicht nehmen, weil sie einfach zu viel Platz brauchen.
Die Anodenspannung wird erst nach ca. einer Minute zugeschaltet. Diese verzögerte Zuschaltung wurde ganz einfach mit nur einem Transistor und wenigen dazugehörigen Teilen aufgebaut.
Nach dem Abschalten werden die Netzteil-Elkos über den 4,7k/5W-Widerstand in nur wenigen Sekunden entladen. Sehr kleine aber nützliche Schaltung, die den Röhren zu gute kommt und für erhöhte Sicherheit sorgt.

Die ECC82- und die unteren ECC84-Röhren werden mit Gleichstrom geheizt. Die oberen ECC84-Röhren werden aus separater Wicklung versorgt. Hier reicht eine Wechselstromheizung. Diese wurde mit 2 x 100 Ohm-Widerständen symetrisiert und mit den 2 x 100 k/2W-Widerständen auf das richtige Potenzial gelegt.
Alle auf dem Schaltplan aufgetragenen Spannungen wurden gemessen. Diese schwanken geringfügig mit den Netzspannungsschwankungen.
Der Verstärker wurde auf den Röhrensockel frei verdrahtet. Für das Netzteil habe ich eine Platine entworfen auf der alle Elemente außer das Netztrafo und die Gleichrichterröhre Platz finden.




Das Gehäuse ist aus 2mm-dickem Alublech gemacht und mit schwarzem Autolack lackiert. Die Holzverkleidung ist aus Buchenholz und mit Hochglanzklarlack lackiert. Der Netzschalter und die Cinch-Buchsen befinden sich auf der Rückwand.


Der Frequenzgang ist von 20 Hz bis ca. 55 kHz linear (0dB). Gemessen habe ich mit einem Sinussignal bei einer Leistung von 10 mW. Der Ausgang wurde mit 300 Ohm Widerstand abgeschlossen. Zur Messung habe ich relativ einfache Messgeräte verwendet: der NF-Generator FG200 und das Oszilloskop OS-9020A von Goldstar. - Also solche, die man als Hobby-Elektroniker in der eigenen Bastelbude besitzt.
Ich möchte alle auf meine Homepage (dh1cl.homepage.t-online.de) herzlich einladen, wo ich den schon vorher angesprochenen C3g-Röhren-Verstärker und noch einige andere Projekte vorstelle.


Jochen möchte ich danken, dass er den ECC84-Verstärker auf seiner Webseite veröffentlicht.

Gruß
Christoph Lassok

Zurück zur Hauptseite