50 Watt-Stereo PP "RV-120" mit der E130L
von Martin Eckstein



Obwohl Röhren mich seit frühester Kindheit fasziniert haben, ist dieses ist mein erstes Röhrenprojekt (späte Kindheit, Alter 43 Jahre). Trotzdem ist es dann aber doch keine kleine Bastelei geworden, sondern eher etwas umfangreicher.
Mir haben die kommerziellen Röhren von Valvo mit ihrem farbigen Aufdruck immer besonders gefallen, von denen hatte ich einige rumliegen, und mehrere E130L konnte ich relativ günstig ersteigern. Ich wollte diese Art Röhren verwenden, auch wenn manch einer sagt, mit "Militärröhren" könne man nur Marschmusik hören....
- So ging’s dann also los, im Frühjahr 2004.

Voraussetzungen: 1. Wenn schon Röhrentechnik, dann aber nur Röhren, keine Kompromisse.
Also wurden alle Gleichrichter, auch der für die Aussteuerungsanzeige "geröhrt".
2. Wenn schon Retrotechnik, dann keine Picassoschaltungen im Gerät, sondern Handverdrahtung auf Lötösenleisten.
(Nie wieder tue ich mir das an, oder vielleicht doch?)


3. Das Gehäuse sollte ebenfalls im Retro-Design gehalten sein, ähnlich den alten Mischverstärkern, aber etwas edler in V2A und ein wenig Gold.
4. Ein komplettes Gerät, ein Vollverstärker sollte es sein, mit allem drin, bis auf einen Phonoentzerrer, den baue ich im Bedarfsfall separat.
Ein Klangstellteil musste auf jeden Fall rein, ich liebe es nicht, bei schlechten Tonaufnahmen nicht nachhelfen zu können.
Für die Wiedergabe klassischer Musik und um den Aufschrei der Hi-End-Freaks in Grenzen zu halten sollte das Ganze inklusive des Balancestellers komplett abschaltbar sein.
5. Eine Leistung von 60 Watt Sinus pro Kanal halte ich fürs Wohnzimmer locker ausreichend, meine Lautsprecher haben einen Wirkungsgrad von 90dB / 1W / 1m.
6. Da ich mich nicht für entweder reine Pentodenschaltung oder Ultralinearschaltung entscheiden konnte, müssen beide Betriebsarten möglich sein, also umschaltbar.
Erste Frage: Wo nehme ich das Chassis her?
Ein Bekannter arbeitet bei einer Firma für Laserschneidetechnik und so konnte ich das Chassisblech in CAD zeichnen und diesem die Diskette mit den Daten in die Hand drücken.
Zwei Wochen später hatte ich das zu- und ausgeschnittene Blech, 2 mm dickes V2A, gebürstete Oberfläche.
Ein weiterer Bekannter hat es mir dann abgekantet und geschweißt.
Das Skalenblech habe ich bei Schäffer Apparatebau in Berlin machen lassen, diese Firma dürfte Röhrenfreunden ja bekannt sein.







Chassis RV-120
(Mit der Maustaste das Bild anklicken, es wird dann in voller Auflösung dargestellt.)

Zweite Frage: Wo nehme ich die Trafos her?
Ausgangsübertrager mit Raa 1,6 kOhm sind selten, noch dazu brauchte ich eine separate Ultralinear-Wicklung und der Netztrafo würde auch sehr speziell ausfallen.
Wiederum ein Bekannter hat eine feine Trafowickelfirma, ich habe die Wickeldaten berechnet und er die Drahtstärken. Ich bekam die beiden AÜs und den Netztrafo zu einem fairen Preis gewickelt.
Weil ich Tiefbassfanatiker bin, wählte ich für die AÜs einen großen Kern im Format PM114B.


Der NT bekam die gleiche Größe und auch das gute M111 / 0,35mm Blech, damit genug Leistung drin ist (350VA).
Zudem sind Philbert-Kerne recht streuarm.
Ringkerntrafos kamen für mein Retrodesign sowieso nicht in Betracht.


Und noch ein Bekannter hat mir Trafohauben aus vollem Aluminium gefräst, für PM114 gibt es wohl nichts zu kaufen. Gute Bekannte muss man eben haben!
Die restlichen Zutaten gab es bei den diversen Fachhändlern und bei Ebay.

Zu den Schaltungsbeschreibungen

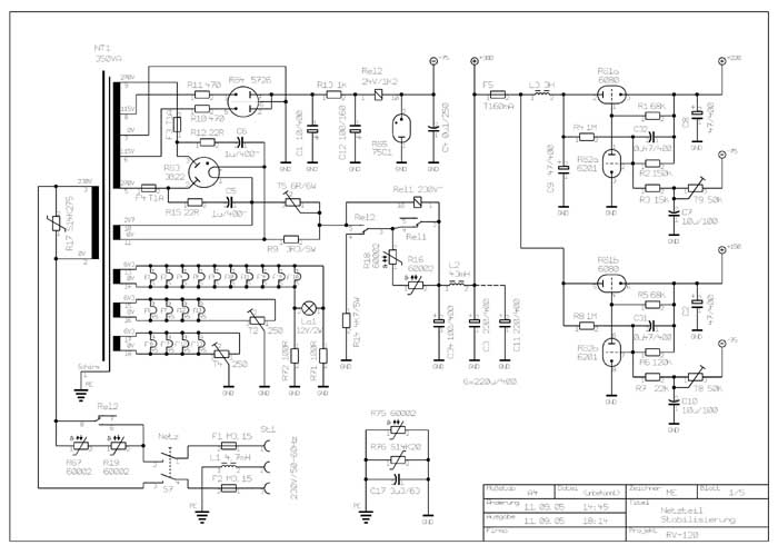
Netzteilschaltung RV-120
(Mit der Maustaste das Bild anklicken, es wird dann in voller Auflösung dargestellt.)

Das Netzteil:
Als Gleichrichterröhre für den relativ hohen Strom von über 800 mA bei relativ kleiner Spannung von 300V habe ich nach langer Suche die amerikanische Xenonröhre 3B22 oder auch EL1C erwählt, die leuchtet zudem schön violett. Man bekommt sie oft günstig über Ebay in den USA.
Diese ist zwar nur mit 725 V Sperrspannung spezifiziert, hat aber mehrere Tests mit 2 x 400 Veff klaglos überstanden, also dürften die 2 x 270 Veff Trafospannung im grünen Bereich liegen. Zum Unterdrücken von Spikes und HF ist ein dickes RC-Glied über jede Strecke geschaltet. Die Gleichrichtung für die negative Spannung -75 V besorgt eine zwergenhafte 5726, also eine E91AA (Rö4), die kann Gleichstrom bis 20 mA liefern bei einer Trafospannung bis 2 x 165 Veff, sie hat eine hohe Ufk und getrennte Kathoden, was beim "verkehrtherum" Schalten notwendig ist.
Die Einschaltverzögerung hat mich einiges Nachdenken gekostet, ich finde sie letztlich ganz praktisch gelöst. Der Netztrafo wird primärseitig über die 2 in Reihe geschalteten NTCs (oder auch Surge-Guards) R67 und R19 eingeschaltet. In kaltem Zustand (beim Einschalten) hat jeder einen Widerstand von ca. 60 Ohm, also insgesamt 120 Ohm. Dadurch wird der Stromstoß verringert und die Röhrenheizungen werden nicht so sehr beansprucht. Werden die NTCs durch den Stromfluss warm, so verringert sich ihr Widerstand auf wenige Ohm.
Die 24 V-Spule von Relais Rel2 hängt in Reihe zum Stabi 75C1, Rö5 und wirkt auch als Teil der Siebkette für die Spannung -75 V. Erst wenn Rö4 aufgeheizt ist und der Stabi zündet, zieht das Relais an, überbrückt die NTCs vor dem Netztrafo und schaltet gleichzeitig die Last an die Xenon - Gleichrichterröhre (Rö3), die inzwischen auch aufgeheizt ist. - Gasgleichrichter sollen ja bekanntermaßen erst nach der Aufheizphase belastet werden. Vorher schon hat diese Röhre den für die 230 V-Spule des Relais Rel1 notwendigen, sehr geringen Strom geliefert, wodurch dieses bereits angezogen hat.
Dessen Öffnerkontakt überbrückt die NTCs R16 und R18 erst dann, wenn diese so niederohmig geworden sind, dass der Spannungsfall über ihnen zum halten von Rel1 nicht mehr ausreicht und das Relais abfällt. Die beiden NTCs mäßigen den groben Stromstoß beim ersten Laden der Siebelkos.
Nach dem Ausschalten, wenn Rel2 abgefallen ist, werden die Elkos über dessen Öffnerkontakt durch R14 entladen.
Die Drossel L2 mit 43 mH ist eine "PFC-Drossel". Sie soll die Ladestromkurve für die große Siebkapazität von 1320uF weniger spitz gestalten und damit die Gleichrichterröhre und den Netztrafo schonen.
Die 6 parallelgeschalteten Siebelkos mit je 220uF sind Schaltnetzteil-Elkos mit einem sehr kleinen ESR.
Die beiden Stabilisierungsschaltungen bestehend aus Rö1 und Rö2 versorgen die Vorstufen und die Schirmgitter der Endröhren mit 220 bzw. 150 VDC.
Die 1-MOhm-Widerstände R4 und R8 gleichen Regelabweichungen aus, indem sie Schwankungen der ungeregelten Versorgungsspannung gegenkoppeln.
Die Endröhre E130L soll mit nur 150V Schirmgitterspannung betrieben werden, Spannungen jenseits von 250V sind tödlich für die Gute!
Die merkwürdig anmutende Schaltung aus R75, R76 und C17 zwischen PE und GND ist eine Brummschleifenunterdrückung für den Schutzleiter. Für kleinste, niederfrequente Spannungen stellt sie einen Widerstand von ca. 60 Ohm dar, alles andere wird vehement kurzgeschlossen.

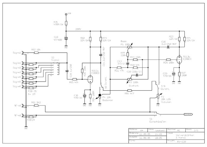
Vorverstärker-Schaltung RV-120
(Mit der Maustaste das Bild anklicken, es wird dann in voller Auflösung dargestellt.)

Der Vorverstärker:
Ich habe die Baxandall-Schaltung für den Klangsteller etwas umgestrickt, indem ich zwischen R20 und R21 einen kalten Punkt geschaffen habe. Dieser dient als "Masse" für den Tiefpass des Baßstellers und in Folge auch für den Hochpass des Höhenstellers.
Die herkömmliche Art, den TP-Kondensator über das Basspoti zu schalten und hinten und vorne noch einen Widerstand vorzuschalten macht die Schaltung für höhere Frequenzen niederohmiger, weil die vorgeschalteten Widerstände etwa ein Zehntel des Potiwertes haben sollen.
Außerdem ist dann die Belastung der Röhre frequenzabhängig.
Wollte man 1-MOhm-Potis nehmen, bekommt man kein Alps "Blue Velvet".
Wenn schon Klangsteller, dann aber mit Qualität, und so habe ich auch noch Kondensatoren mit 1% Toleranz dafür verwendet.




Der "Gitterstopper" mit 180 kOhm an Rö13b wirkt mit der Millerkapazität als Tiefpass und begrenzt eine weitere Höhenanhebung ab ca. 22 kHz. Die Widerstände im Verstärker sind übrigens alle Metallschichttypen mit 1% Toleranz, außer den Leistungswiderständen.


Ich weiß, Metallschichtwiderstände klingen hart, sagt man (?), aber sie rauschen wenig. Man muss den Kopf fast in die Lautsprecherbox stecken, um bei voll aufgedrehtem Lautstärkepoti ein Rauschen zu hören.
Wird der Schalter S6 auf "Direkt" geschaltet, fallen das Balancepoti und das gesamte Klangstellnetzwerk komplett aus dem Signalweg heraus. Die Phase wird dabei insgesamt zwar um 180° gedreht, aber das kann man in Kauf nehmen, zumal der Vorverstärkerausgang mit gedreht wird.
Die Schaltung sollte alles in allem niederohmig werden, daher die leider sehr seltene E288CC (Rö13) in Verbindung mit 6 kOhm Arbeitswiderständen. Durch jedes Röhrensystem fließen 17 mA bei ca. 100 V, macht 1,7 Watt, damit fühlt sich diese Röhre sauwohl und wird uralt.
Die Ausgangsimpedanz des Vorverstärkers beträgt maximal ca. 8 kOhm, bei normal aufgedrehtem Lautstärkepoti noch weniger. Der maximale Ausgangspegel liegt bei ca. 25 Veff / 3% Klirrfaktor, dadurch ist die Stufe gut übersteuerungsfest, durch den Verstärkungsfaktor von nicht ganz 2 bei Linearstellung dürfen am Eingang dafür ca. 13 Veff Signal anliegen.
Als Zuckerl habe ich noch eine mit S1 schaltbare Einschleifmöglichkeit zwischen Vor- und Endstufe vorgesehen, hier kann man also der Endstufe z. B. eine Weiche vorschalten, wenn man einen Subwoofer anschließen möchte.

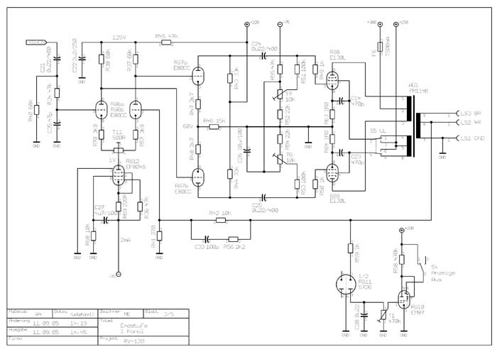
Endstufen-Schaltung RV-120
(Mit der Maustaste das Bild anklicken, es wird dann in voller Auflösung dargestellt.)

Die Endstufe:
Man sieht zumindest der Eingangsschaltung der Endstufe möglicherweise an, dass ich früher mal ein paar Transistorverstärker entworfen habe.
Diese ist als Differenzverstärker (Rö6, E80CC) ausgeführt und stellt gleichzeitig den Phasensplitter und den Gegenkopplungseingang dar.
Eine gute Differenzverstärkerstufe braucht an ihrem Fußpunkt natürlich eine Konstantstromsenke.
Nein, hier findet man keinen FET, wie gesagt, keine Kompromisse.
Ich dachte anfangs, dafür eine einfache Pentode nehmen zu können, z. B. eine E83F. Aber diese Schaltung ist sehr brummempfindlich und so war die beste Lösung eine EF804S (Rö12) von Telefunken. Die E80F von Valvo eignet sich schon wegen der zu geringen Ufk nicht.
Der dicke Kondensator mit 4,7uF (C27) leitet letzte Brummanteile der -75 V Spannung auf das Schirmgitter, so dass die Rö12 diese nicht in Schirmgitter-Basisschaltung verstärken kann.
Die Treiberschaltung mit Rö7, wieder E80CC, arbeitet durch den großen Fußpunktwiderstand R46 mit 15 kOhm ebenfalls teilweise als Differenzverstärker.
Die Vorstufen sind lokal stromgegengekoppelt, so dass die über-alles-Gegenkopplung recht schwach gehalten werden kann.
Ein wenig davon wollte ich aber schon haben, damit der Innenwiderstand der Endstufe niedriger wird.
Die Spannungsverstärkung der gesamten Endstufenschaltung beträgt, bezogen auf den 8-Ohm-Ausgang, ohne Gegenkopplung in Pentodenschaltung 62 und in Ultralinear 46, mit Gegenkopplung über alles in Pentodenschaltung 29 und in Ultralinear 25.
Der Frequenzgang reicht ohne Gegenkopplung bis 30 kHz, mit Gegenkopplung bis 60 kHz.
Die Ausgangsübertrager sind auf eine untere Grenzfrequenz von 20 Hz bei 60 W ausgelegt, bei 70 % Aussteuerung des Kernmaterials.
Die Gleichstromkopplung der Vorstufenröhren habe ich erst nachträglich so ausgeführt, weil 2 Koppelkondensatoren und der AÜ in Serie eine Phasenschieberkette erzeugten, was aufgrund der Gegenkopplung ein Schwingen mit ca. 4 Hz zur Folge hatte.
Die Betriebsspannung reicht dafür aber vollkommen aus, die Endröhren Rö8 und Rö9 benötigen am Gitter nur jeweils 9 Veff zur Vollaussteuerung, im Ultralinearbetrieb ca. 12 Veff.
Das Poti T11 dient zur Einstellung der Symmetrie, durch die galvanische Kopplung der Vorröhren unbedingt notwendig.
Die Schaltung der Endröhren ist nichts Aufsehen erregendes, der Ultralinearbetrieb mit Umschalter S5 macht sie allerdings etwas aufwändiger, vor allem eben den AÜ, der für die Schirmgitteransteuerung eine Extrawicklung benötigt. Mit den Potis T6 und T7 wird der Ruhestrom für jede Röhre auf 60 mA eingestellt, die Endstufe arbeitet somit im AB-Betrieb.



Die Ausgangsleistung:
Ein Kanal voll ausgesteuert 60 W im Pentodenbetrieb und 45 W in Ultralinear.
Beide Kanäle voll ausgesteuert 50 W im Pentodenbetrieb und 40 W in Ultralinear. - Der Netztrafo geht halt etwas in die Knie.

Wie Eingangs schon gesagt, musste für die Signalgleichrichtung der Aussteuerungsanzeige noch mal eine Röhre her, wieder eine 5726 (Rö11). Falls man des Abends müde Augen hat, kann man aber das "Gezappel" der magischen Bänder Rö10 und Rö’10 mit Schalter S4 abschalten.



Fazit zum Schluss:
Wie klingt er nun, der Verstärker? - Vier mögliche Antworten: A) Gut.
B) Macht bei Vollgas einen ungeheueren Krawall.
C) Ein Verstärker soll nicht klingen, sondern nur verstärken.
D) Druckvoll und straff bei tiefsten Bässen, Samt und Seide bei mittleren und hohen Frequenzen, eher etwas zurückhaltend im Hochtonbereich.
Ich werde den Pegel für die Hochtöner in meinen Lautsprecherboxen (Selbstbau) ein ganz klein wenig anheben, dann passt alles.
Die Klangsteller wirken durch die weit auseinander liegenden Eckfrequenzen unauffällig und können, maßvoll eingesetzt, aus "platten" Tonaufnahmen noch einiges herausholen.

Gruss, Martin Eckstein

Es folgen noch weitere Fotos, die Martin mir nachgeliefert hatte:










Weiter schrieb mir Martin:

Habe heute den Amp nochmal auseinandergerupft, weil ich den Netztrafo auf Schwingungsdämpfer (Gummifüße) stellen mußte. Hatte mir etwas zu laut gebrummt, aber nun ist Ruhe. Ich bin noch schwer am Zusammenschrauben.
Das folgende Bild zeigt die Traverse, die im Gehäuse mit 20 mm Abstand unter den 3 Trafos sitzt und mit diesen verschraubt ist. Die Abstandsbolzen auf den Gummis gucken nun berührungslos 3 mm hoch durch das Gehäuse hindurch und der NT "schwimmt" auf den Gummidämpfern. - Hauptsache, man hat zu tun.... ;-)



Zurück zur Hauptseite