SE - E-Gitarren-Verstärker - Projekt mit der SRS 551
- von Hermann Urlberger




Inspiriert vom Beitrag von Hans Koch am 08.02.2007 über seinen RS 1003 - SE - Amp habe ich mich etwas näher mit dem Vergleichstyp der RS 1003, der SRS 551 (WF) auseinandergesetzt.


Zum einen hatte ich noch vier Stück davon auf Lager und zum anderen hatte die Beschreibung von Hans Koch darauf hingedeutet, dass der Einsatz dieses Röhrentyps insbesondere auch den E-Gitarristen erfreuen sollte, als da wären: ":straffe Bässe, klare Mitten und nicht aufdringliche Höhen". Die Steilheit auch dieser Röhre mit S ~ 18mA/V ließ zudem erahnen, dass man keine allzu kritische Beschaltung benötigen würde, um ein gutes Pfund an Leistung aus dem Amp herauszuholen, wie auch schon Hans Koch bei der RS 1003 festgestellt hatte; nur eine Mullard-Schaltung wollte ich nicht einsetzen, weil ich hier befürchtete doch eine Rückkopplung einsetzen zu müssen.

Problematisch war zunächst die Auswahl eines geeigneten, hochwertigen AÜ, der das Feuerwerk würde mitmachen können, denn ich suchte schon nach einer Möglichkeit wenigstens 120 mA durch den AÜ und die Röhre zu jagen. Fündig wurde ich schließlich bei einem namhaften Hersteller im Internet mit einem Universal-AÜ (primär 3,5k, 4k und 5k / sekundär 8 Ohm), der sich in Kombination mit einem geeignet dimensionierten Kathodenwiderstand für eine Gittervorspannung von -12Volt sollte einsetzen lassen.
Da genau aber lag zunächst das Problem. Bei Einsatz des besagten AÜ auf der 3,5k-Anzapfung ergab sich für die -12Volt Gittervorspannung ein Kathodenwiderstand von 82 Ohm mit sagenhaften 11 Watt (auch aufgrund der ernormen Wärmeentwicklung der Röhre selbst), zudem - und das war das eigentliche Problem - war der gemessene Ruhestrom nicht stabil. Das konnte also nicht lange gut gehen.
Daher habe ich mich entschieden, den Kathodenwiderstand durch einen 12Volt Festspannungsregler (7812, positiv 1,5 Ampere auf Kühlkörper) zu ersetzen und durch die äußere Beschaltung (180Ohm/47µm) diesen damit auf eine konstante Vorspannung an der Kathode von -12Volt einzustellen, was auch erstaunlich gut gelang. Der Spannungsregler versieht diesen kritischen Bereich mit einer ausgewogenen Balance. Durch die Proportionalität zwischen Ein- und Ausgang des Reglers fließt zwingend genau derselbe Strom durch die Kathode der Pentode am Ausgang des Spannungsreglers, wie über den Eingangswiderstand vorgegeben und die Spannung an der Kathode sowie der Ruhestrom bleiben stabil.
Den Eingangswiderstand am Spannungsregler kann man natürlich auch regelbar gestalten, entweder über weitere Elektronik, oder Trimmer mit entsprechender Dimensionierung.
Die wechselstrommäßige Gegenkopplung an der Kathode wurde mit einem Tonfrequenzkondensator 330µF parallel zum Ausgang des Spannungsreglers aufgehoben. Die reinrassigen Röhrenfans mögen daher den Spannungsregler verzeihen, er bleibt soweit es die Wechselspannungsanteile betrifft, sicher inaktiv. Die Endstufe,
wie beschrieben, zeigt das folgende Bild.


Wichtig zu erwähnen ist noch, dass die SRS 551 wie auch die RS 1003 vergleichsweise hohe Schirmgitterspannungen verträgt. Dies hat mich dazu veranlasst, den AÜ etwas anders zu beschalten als es der Hersteller des AÜs es vorgesehen hatte. Wie man im Schaltplan sehen kann, speise ich die Versorgungsspannung an der 3,5 k-Anzapfung ein und führe die Versorgung des Schirmgitters über die verbleibenden Windungen der Anzapfungen 3,5k bis 5k. Die Stabilität der Anordnung hat sich dadurch so erhöht, dass ich schließlich hocherfreut auf eine Rückkopplung in der Schaltung verzichten konnte.

Schaltbild des Verstaerkers
(Mit der Maustaste das Schaltbild anklicken, es wird dann in voller Auflösung dargestellt.)

Dies freut den E-Gitarristen besonders, weil Rückkopplungen jeglicher Art stets den Sound beeinflussen - dass sich die Schaltung insgesamt ohne Rückkopplung betreiben lässt, ist aber sicher auch ein Stück der Hochwertigkeit des AÜs zuzuschreiben.
Zum Ansteuern des Ganzen setze ich eine bewährte Schaltung mit einer ECC 82 (Siemens) ein.


Gerne nutze ich hier die Vorteile einer SRPP-Schaltung, wobei mir bewusst ist, dass Ufk einzuhalten ist und alles dafür spricht, die eingesetzten Triodensysteme in einem unabhängigen Glaskolben und mit jeweils getrennter Heizung zu betreiben. Ich habe das mit zwei EC 92 (in einer ECC 81 sind zwei dieser Anordnungen EC 92 enthalten) ausprobiert, jedoch konnte ich gegenüber der von mir zuletzt eingesetzten Lösung mit der ECC 82 keinen Unterschied feststellen, noch ist irgendetwas durchgebrannt, also habe ich die Lösung mit der ECC 82 beibehalten.


Wer möchte, kann die SRPP-Stufe mit zweimal EC 92 und separater Beheizung betreiben, das tut es genauso gut. Ich habe darauf geachtet, dass die beiden Kathodenwiderstände exakt (vermessen) die gleichen Werte aufwiesen und die Anodenspannung sehr gut gesiebt war. Hier habe ich entgegen der Verlautbarung "viel Kapazität hilft nicht viel" festgestellt, dass die überdimensionierten 270µF eine bessere Wahl darstellten, als die rechnerisch korrekten 10µF.
Normalerweise genügt die Verstärkung der SRPP-Vorstufe wie beschrieben locker, um die SRS 551 genügend hoch auszusteuern. Nachdem aber nicht alle Tretminen (E-Gitarren-Bodeneffektgeräte) den gleichen Output haben, habe ich mich dazu entschieden, dem Amp vor der besagten SRPP-Stufe mit der ECC 82 noch zusätzlich eine stinknormale Vorstufe mit der EF 86 (Tungsram), natürlich in Pentodenbetrieb, zu spendieren, so wie sie im Telefunken-Datenblatt vorgeschlagen wird.


Obwohl die EF 86 im Inneren schon eine Abschirmung trägt, ist es empfehlenswert die Röhre zusätzlich mit einem Abschirmbecher zu versehen.
Am Eingang der Verstärkerstufe mit der EF 86 befindet sich noch ein auf die Bedürfnisse der E-Gitarre abgestimmtes, bescheidenes RC-Netzwerk, welches den Frequenzgang kompensiert dadurch, dass Höhenverluste ausgeglichen werden - über diese Netzwerke gibt es Bände von Literatur und Vorschlägen für verschiedene E-Gitarren. Dieses Netzwerk habe ich mir für meine Bedürfnisse zusammengestellt.
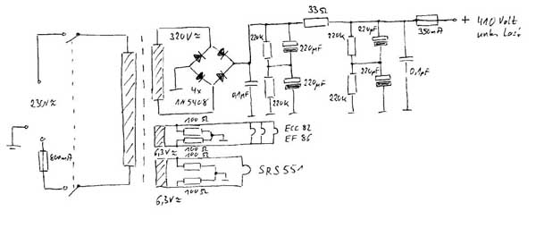
Das eingesetzte Netzteil ist nichts weltbewegendes, aber deswegen vielleicht gerade gut genug.


Die Spannung 320 Volt aus dem Netzteil (insgesamt sind 240mA möglich) wird über einen Brückengleichrichter (4 * 1 N 5408 oder vergleichbar) mit Doppelsiebkette RCRC geführt.

Die Doppelsiebkette wird im Schaltbild durch einen 33Ohm Widerstand verbunden. Dort saß vorher eine Siebdrossel (sekundärseitig genutzter Trafo 8Volt/3Amp), die ich später dann schließlich weggelassen habe - der Kasten war ohnehin schwer genug geworden.
Die Beheizung der Vorstufen wie auch der Endstufen erfolgt ausschließlich mit Wechselstrom, jedoch ziehen die Vorstufen ihren Heizstrom jeweils aus einer separaten Wicklung am Transformator. Die SRS 551 zieht sich satte 2,15 Ampere Heizstrom rein.
Die Beheizung der beiden Vorstufen mit Gleichstrom erwies sich überraschend als nicht notwendig, lediglich die beiden obligatorischen symmetrisch angeordneten und mittig auf Masse gesetzten 100 Ohm-Widerstände sind zwingend erforderlich gewesen.
Vielmehr ist es wichtig - wie alle Röhrenfans wissen - die Heizdrähte stets zu verdrillen und zudem habe ich diese, um die Einstreuungen klein zu halten in abgeschirmte Alurohre gezogen (siehe linkes Bild). Zusätzlich und auch aus Sicherheitsgründen sitzen alle Platinenabschnitte über Abstandhalter auf jeweils separaten Aluminiumgittern, die mit Masse verbunden sind.


Zu guter Letzt natürlich, wie auch Hans Koch schon empfohlen hat, gilt es auch für die SRS 551 auf möglichst kurze Zuleitungen zu achten. Die Tonspannung führenden Leitungen sollten allesamt abgeschirmt sein.
Es ist tatsächlich ein großes Problem, für die SRS 551 einen passenden Sockel zu finden. In meinem Falle habe ich mir einfach mit Kontaktstiften (mit Schraube) geholfen - superbillig und sie tun es auch. Diese lassen sich per Bohrschablone leicht im Pertinax versenken und fixieren.
Der subjektive Eindruck bei der Inbetriebnahme des Amps. war einfach /quot;SUPER". Ich betreibe das Teil an einer PEAVEY-112SX (75 Watt RMS) mit einem 12" Sheffield™ 1230 Speaker 8 Ohm - und das, was sich da über Standard-Overdrive bzw. eine Röhren-Zerre (ECC 83) aus dem Lautsprecher holen lässt, haut einem buchstäblich von den Füssen... - aber, das musste/sollte ja so sein.
Tatsache ist aber, dass bei einer basslastigen, siebensaitigen E-Gitarre etwas mehr Bassbeständigkeit gefordert ist und das bringt dieser Amp mit absoluter Sicherheit.
Also, Freunde der siebensaitigen E-Gitarren sind mit diesem Konzept sicher gut beraten!

Für alle, die sich mit der Schaltung auseinandersetzen wollen sei gesagt, dass es sicher Geschmackssache ist, welche Vorstufen man einsetzt, die SRS 551 ist wie schon gesagt in der Ansteuerung sehr genügsam. Ebenso subjektiv, weil nicht durch Messung hinterlegt, bin ich jedoch der Ansicht, dass ein niederohmiges Konzept, also ein Kathodenfolger oder aber das SRPP-Konzept vor der Haustüre der SRS 551 am besten aufgehoben ist. Betreiben sollte man die SRS 551 m.E. bei Versorgungsspannungen um oder über 400 Volt, weil sich hier die Stärken des Kraftwerkes gut nutzen lassen - ausprobiert habe ich dies bis 500 Volt.

Schaltbild des Netzteils
(Mit der Maustaste das Schaltbild anklicken, es wird dann in voller Auflösung dargestellt.)

Nur der Vollständigkeit halber: Diese Spannung ist absolut kein Pappenstiel und der Grat zwischen Tod und Leben wird immer schmaler, je weiter man sich in Richtung höhere Versorgungsspannungen bewegt.

Noch ein Wort zum Gehäuse. Ich baue meine Amps bevorzugt in Alu-Koffer ein - ein weiterer SE-Übungsamp mit einer EL 84 steht ebenfalls in dieser Form zur Verfügung. Diese Koffer bekommt man in jedem Baumarkt in nahezu allen Größen, z.B. als Werkzeugkoffer, zu erschwinglichen Preisen. Das Material lässt sich i.d.R. gut bearbeiten.
Die Koffer sind stabil und haben einen Griff zum Wegtragen... linke Hand der Amp, rechte Hand der Speaker (fast gleich schwer...).
Zu verbessern gibt es am Schaltplan sicherlich noch einiges - viele werden sich an der SRPP-Stufe stören (...dann kommen eben die beiden EC 92 wieder hinein...) - ich bin für alle Vorschläge dankbar. Die Quelle des eingesetzten AÜ bzw. des Netzrafos kann ich gerne auf Anfrage nennen. Orientierungswerte für den AÜ seien hier: primär 3,5k 4k 5k/120-140 mA max./30-35 Watt/sekundär 8 Ohm.

Ratingen, den 12.04.2007
Hermann H. Urlberger
hhu/se 1.Fsg.
urlberger@wtal.de

Zurück zur Hauptseite