Stereo Single End mit der 6L6 (2 x 5 Watt)
von Jürgen Dahms




Es ist mein erster Aufbau eines Audioverstärkers mit Röhren und wurde von mir als Lernprojekt gesehen. Nicht alles findet vom Aufbau her meine volle Zufriedenheit, ich habe dabei aber viel gelernt und war dann doch nach dem ersten Hochfahren des Verstärkers und dem Klangbild meiner Test-CD (eine Blues-CD mit Memphis Slim) sehr zufrieden.
Ich möchte ihn deshalb hier kurz vorstellen. Als Newcomer habe ich mich an dem Aufbau und Schaltplan von Karl Böhm (Single Ended 2 x 3 Watt) orientiert, es ist quasi ein modifizierter Böhm- Verstärker.
Zum Einsatz kommen bei mir in der Endstufe die 6L6 und in der Vorstufe die 6SL7, beide von der Fa. Sovtek.
Im Gegensatz zu Karl Böhm wird mit einer einstellbaren negativen Gittervorspannung für die Endstufenröhren gearbeitet. Durch Hochlegen der Vorspannung mittels eines Kippschalters an der Frontplatte kann der Verstärker in den STAND BY Betrieb geschaltet werden, die Endröhren sind dann gesperrt und ziehen nur noch einen sehr kleinen Strom von wenigen mA. Diese Maßnahme hat sich bewährt; kommt ein Telefonanruf o.ä. beim Hören einer CD dazwischen, kann der Verstärker schnell und problemlos "kalt gestellt" werden. Über den Spannungsabfall eines niederohmigen Kathodenwiderstandes wird der Ruhestrom der 6L6 an der Frontplatte des Verstärkers mit einem µA-Meter zur Anzeige gebracht und kann mit einem Umschalter für beide Röhren kontrolliert werden. Nach längerem Betrieb wird sicherlich ein Auseinanderdriften der Ruheströme feststellbar sein, entsprechend können diese mittels Potis auf der Netzteilplatine über die Negative nachgestellt werden.
Die Ausgangsübertrager mit der Bezeichnung ATRA0247 (4/5,2kΩ - 4/8Ω), sowie die Netzdrossel habe ich von Jan bezogen, http://www.die-wuestens.de. Der Netztrafo wurde nach meinen Angaben ebenfalls von Jan gefertigt. Auch die Röhren stammen aus seinem umfangreichen Röhrenangebot.
Brauchbare Lautstärkeregler mit Metallachse bekommt man unter anderem noch bei der Fa. Schuricht in Bremen.

Kurz zu den Versorgungsspannungen des Verstärkers:
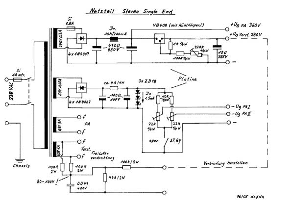
6L6 mit fester Anodenspannung von 360 Volt und einer negativen einstellbaren Gittervorspannung von ca. 26 Volt bei einem Anodenstrom von ca. 55 mA.
6SL7 mit einstellbarer Anodenspannung von ca. 280 Volt, diese wird von der 360 Volt Anodenspannung über einen Regler VB408 (wird leider nicht mehr hergestellt) gewonnen.

Schaltbild Verstärker
(Mit der Maustaste das jeweilige Schaltbild anklicken, es wird dann in voller Auflösung dargestellt.)
Schaltbild Netzteil

Im Vorfeld wurden die Ausgangstrafos gegenüber dem Netztrafo (natürlich um 90° versetzt) so lange auf dem Tisch gegeneinander verschoben, bis nur noch ein verträgliches Minimum an Brummen bei am Netz angeschlossenem Netztrafo über einen 8 Ω- Kopfhörer ausgangsseitig am Ausgangsübertrager hörbar war. Trotz keiner Gleichrichtung der Vorstufenheizung ist bei voll aufgedrehtem Verstärker kein NF- Brummen wahrnehmbar - sicherlich auch mit ein Effekt durch einwandfreie Masseführung bei der Verdrahtung.

Zum Aufbau:
Die Netzteilplatine wurde noch in alter Manier mit Eddingstift und Ätznatron hergestellt (in Ermanglung einer vernünftigen Belichtungs- sowie Ätzanlage).




Die beiden Röhren sind je Kanal auf Subchassis montiert, welche mit Abstandsbolzen unterhalb des Verstärkerchassis untergebracht sind. Die Röhren ragen durch runde Ausfräsungen im Trägerchassis, die ca. 6mm größer im Durchmesser als der Glaskolben der Röhren sind, so kann eine leichte Luftzirkulation längs der Glaskolben stattfinden.


Die Verdrahtung auf den beiden Subchassis erfolgte in gewohnter Freiluftverdrahtung mit keramischen Lötleisten (noch erhältlich bei der Fa Oppermann http://www.oppermann-electronic.de, so können zum Experimentieren schnell und bequem Widerstände und Kondensatoren ausgetauscht werden.
Ernst Rößler brachte mich auf die Idee, das Frontdesign-Programm der Fa. Schaeffer AG in Berlin http://www.schaeffer-ag.de zu nutzen, ich habe es nicht bereut, die Preise sind für die gelieferte Qualität angemessen.
Die Seitenteile allerdings sind in einer Schreinerei aus gut ausgelagertem Tropenholz Meranti gefertigt.
Mehr gibt es eigentlich nicht zum Verstärker zu sagen, die Vorlage bot Karl Böhm.

Vielleicht noch zum Umfeld meiner Stereo Single End:
Speziell für diesen Verstärker habe ich mir von einem Boxenschreiner zwei Lautsprecher-Standboxen aus 21mm starkem Birke- Multiplex anfertigen lassen. Die Bassreflex-Kammern haben ein Bruttovolumen von ca. 36 ltr. Ein Reflexrohr wurde ebenfalls eingebaut. Die eingesetzten Breitbandlautsprecher haben 35 Watt Leistungskapazität, einen Korbdurchmesser von 200mm und sind mit einem Frequenzspektrum von 60 bis 18 000 Hz angegeben. Für den Anfang sollten diese Boxen reichen, denn weitere Ansprüche kann mein jetziger Verstärker in der vorliegenden Konzeption nicht erfüllen.
Geplant ist nun ein Monoblock mit der 6C33, wobei ich da auf die hervorragenden Beschreibungen und Erfahrungen von Ernst Rößler zurückgreifen möchte.
Allen Verstärker- Freaks wünsche ich viel Freude beim Basteln mit den guten alten Röhren!

Jürgen Dahms, DCØDA

Zurück zur Hauptseite