Die 'Simple DCF-Nixie-Clock'
von Christian Klippel


Bei einem Besuch bei mir brachte Christian seine von ihm entwickelte Nixie-Uhr mit DCF-Empfängermodul mit, um sie mir vorzustellen.
Das DCF-Empfangsmodul (Conrad-Electronic) ist ein sehr einfaches und wenig empfindliches (leider aber auch sehr störungsanfälliges) Modul. Christian hatte den Chip seiner Uhrensteuerung jedoch mit einer kompfortablen Funktion ausgestattet, die es nach /Taster-/Schalterbetätigung erlaubt, das Empfangsmodul exakt auf den DCF-Langwellensender auszurichten. Es funktioniert prächtig, somit ist der Kauf eines empfindlicheren und damit teureren Empfangsmodul unnötig. (Das hier verwendete Modul kostet nur 15.- Euro)

Die folgenden Fotos zeigen das Modul ohne angeschlossenem Tastenblock. Mit diesem kann die Uhr in weitem Umfang programmiert werden, wie beispielsweise Alarm- oder Weckzeit, oder auch die Möglichkeit daß jedesmal kurz vor (einstellbarem) Ende einer Minute das Datum angezeigt wird.










Christian verwendete die russischen IN-12A (ohne) und zwei IN-12 (mit Leuchtpunkt). Diese Röhren stellte ich bereits auf meiner Seite Röhren-Geschichtliches - Nixie-Röhren, IN-12, vor.








Die IN-12/12A weisen zwei Besonderheiten auf. Die eine ist die Tatsache daß man, um die Zahl 5 darzustellen, es sich leicht gemacht hatte und einfach die Zahl 2, auf den Kopf gestellt, verwendete. - Siehe auch die Nixie-Anzeige Röhren-Geschichtliches - Nixie-Röhren, IN-1.
Die zweite Besonderheit ist der Dezimalpunkt, der auf der linken Unterseite angebracht wurde (üblicherweise wird er rechts unten angebracht). Deshalb ist bei Christians Uhr nicht die zweite Stunden-, sondern die erste Minuten-Anzeige, ebenfalls nicht die zweite Minuten-, sondern die erste Sekundenanzeige mit dem Punkt versehen, indem Christian anstelle der IN-12A die IN-12 einsetzte.
Das folgende Foto zeigt die Uhr im Betrieb, die Uhrzeit 09 Uhr 45 Minuten 17 Sekunden, deutlich erkennbar die umgedrehte Ziffer 5 (Aufgrund der Spiegelung sind die beiden Dezimalpunkte leider nicht oder kaum erkennbar).
Im nachfolgenden Foto jedoch, auf dem man die eben eingeblendete Datumsanzeige sieht, sind die Dezimalpunkte gut zu erkennen.




Auf dem vorigen Bild links, auf einem Stück Lochrasterplatine aufgelötet, erkennt man zwei preiswerte Printtrafos, 230 Volt prim./10 Volt sek. Die Trafos sind hintereinander verdrahtet, d.h. der 10-Volt-Ausgang des ersten ist am 10-Volt-Anschluss des zweiten Trafos angeschlossen, wodurch beim zweiten Trafo der (eigentlich als Sek.-Wicklung vorgesehene) 10-Volt-Anschluss zur Prim.-Wicklung wird und die 230-Volt-Prim.-Wicklung des zweiten Trafos zur Sek.-Wicklung umfunktioniert wird.
Somit, durch diesen "Trick", kann man zwischen den beiden Trafos die 10 Volt~ abgreifen, zur Spannungsversorgung der IC's und Transistoren. Weiterhin ist hinter dem zweiten Trafo, am 230-Volt-Ausgang, nur ein einfacher Brückengleichrichter angeschlossen, somit bekommen die Nixie-Röhren ihre erforderliche Brenn- (Anoden-) Spannung.

Der mit zwei gelben Anschlüssen an der Platine mit Anschlußstecker verbundene Kippschalter ersetzt hier die klobige Programmier-Tastatur. Der Schalter zeigt in der einen Stellung den DCF-Empfangsstatus an (zum Ausrichten der Modul-Antenne), in der anderen Stellung wird wieder die Uhrzeit angezeigt. Das folgende Foto zeigt den Anschluß dieses Schalters an der Platine:


Das nachfolgende Foto zeigt den Anschlußkontakt der Dezimalpunkte der Uhr mit der Platine, es wurde ein Jumperstecker verwendet:



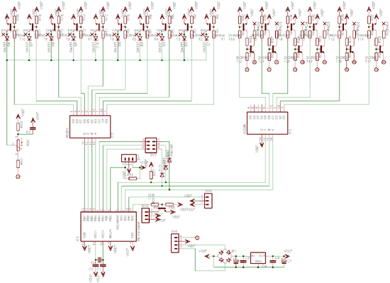
Das folgende Bild zeigt das Schaltbild dieser Uhr :

Schaltbild Simple DCF-Nixie-Clock von Christian Klippel
(Mit der Maustaste das Bild anklicken, es wird dann in voller Auflösung dargestellt.)

Im folgenden werden die Platinenlayouts gezeigt, sowie eine Grafik die die Bestückung zeigt. Da es eine zweiseitig beschichtete Platine ist, sind es (natürlich) auch zwei Layouts, zunächst die Oberseite :

Platinenlayout; Oberseite; Simple DCF-Nixie-Clock von Christian 
Klippel

Es folgt das Layout der Platinen-Unterseite :

Platinenlayout; Unterseite; Simple DCF-Nixie-Clock von Christian 
Klippel

Nun die Bestückungs-Skizze :

Platinenlayout; Bestückungsplan; Simple DCF-Nixie-Clock 
von Christian Klippel
(Mit der Maustaste das jeweilige Bild anklicken, es wird dann jeweils in voller Auflösung dargestellt.)

Christian ist gerne bereit, an Interessenten die sich diese Uhr nachbauen möchten - aber keine Möglichkeit haben diese Platine selbst anzufertigen - gegen einen kleinen Beitrag die (ungebohrte) Platine zu liefern.

Die beiden folgenden Fotos zeigen eine (Doppel-) Platine, sie wird noch in zwei Hälften geteilt :




Im folgenden Link, in einem insgesamt 270 kB groß ZIP-File, stellt Christian den Quellcode zum programmieren des Hauptchips zur Verfügung; weiterhin ist eine Bedienungsanleitung, Anschlussanleitung mit Bild, etc. im Zip-File vorhanden.
Simple_DCF-Nixie-Clock.zip

Abschliessend sollte nicht unerwähnt bleiben, daß man diese Uhr auch als Zähler mit einstellbarem Alarm verwenden kann.

Zurück zur Hauptseite