SABA 580 WK
Ein Reparaturbericht von Ernst Schlemm

Der 580 WK ist das Spitzengerät der Saba Produktionssaison 1938/39. Als Hochleistungs-Super war er in erster Linie für den Export bestimmt und kostete damals stolze RM 345,-, allerdings hatte er dafür auch wirklich einiges zu bieten:
Wie alle Saba-Geräte dieses Jahrgangs erhielt der 580 WK ein im Art Deco Stil entworfenes Gehäuse - erstmals ausgeführt mit breiter, untenliegender Glasskala und darüber angeordnetem Lautsprecher - ein Grundkonzept, das so erfolgreich war, dass es als typische Rundfunkgeräteform bis in die sechziger Jahre beibehalten wurde. [1]
Hinzu kam die für das Gefühl der Wertigkeit entscheidende Anordnung und Solidität der Bedienelemente, mit Saba-typisch an der rechten Gehäuseseitenwand liegendem Sendersuch- und Wellenschalterknopf. Wohl kein anderes Rundfunkgerät vermittelt seinem Benutzer ein solch gediegenes Bedienungsgefühl wie ein Saba [2] dieser Konstruktionsart.








Der 580 WK ist bestückt mit den damals brandneu von Telefunken entwickelten Stahlröhren (harmonische Serie), verfügt über zwei Kurzwellenbereiche (91-30m und 34-13,5m), MW - (500-1500 kHz) und LW - Bereich (150-400 kHz).
Von seinen insgesamt 8 Kreisen sind drei abgestimmt. Weitere Eigenschaften: HF-Vorstufe mit der besonders rauscharmen Regelpentode EF13; ein stufenlos regelbares Dreifach-ZF-Filter; sehr effektive HF- und NF- seitige Schwundregelung; magisches Auge EFM11; NF-Gegenkopplungsschaltung, Tonblende und eine 8-Watt Endstufe mit der EL12.
Durch seine abgestimmte HF-Vorstufe erreicht er auf allen Wellenbereichen sehr hohe Empfindlichkeitswerte in der Größenordnung von 5µV bezogen auf 50 mW Ausgangsleistung.
Für die herausragenden mechanischen Qualitäten des Saba 580 WK gibt es keine treffendere Beschreibung als jene, die Friedrich P. Profit in der GFGF-Funkgeschichte Nr.103 in Bezug auf den Rekord W50, des letzten mechanisch konstruktionsgleichen Nachfolgers des 580 WK, gegeben hat:
"…(er) beinhaltet all jene Konstruktionselemente, die aus einem Radio einen Saba machen, seien dies der faszinierende Skalenantrieb mit der die Skalenlinearität verbessernden Hebelmechanik, die mechanische Übertragung der Bandbreiteneinstellung mittels Doppelkugelgelenkkupplung, der Bajonettverschluss der Spulentöpfe, die steckbare Lautsprecherverbindung, die Rastmechanik des Wellenschalters oder das bildschöne Netzteil u.v.a.m., kurzum ein Musterbeispiel konstruktiver Ästhetik, geschaffen von dem langjährigen Chefkonstrukteur Eduard Blum."[2]






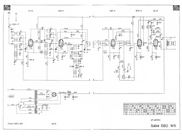
Schaltungsbeschreibung

Das Antennensignal gelangt per induktive Kopplung an das Gitter der geregelten HF-Vorstufe. Die sich daran anschließenden Zwischenkreise sind in den KW-Bereichen kapazitiv, im MW- und LW-Bereich induktiv gekoppelt. Auf die als multiplikative Misch- und Oszillatorröhre arbeitende ECH11 folgt das 1938 erstmals eingesetzte regelbare Dreikreis-ZF-Bandfilter.
Dieses Filter hat, bedingt durch seine drei Kreise, eine Durchlasskurve mit einem ausgeprägten Höcker, der die Einsattelung des auf die ZF-Röhre EBF11 folgenden, überkritisch gekoppelten Diodenfilters in idealer Weise kompensiert und überdies eine eindeutige Abstimmung mit dem Magischen Auge ergibt. Diese Filterkombination entstand unter Eugen Leuthold, seit 1930 Leiter der Entwicklungsabteilung. [1]
Die Regelspannungserzeugung für die Vor- und Mischstufe geschieht an der linken Diode der EBF11, an der rechten entsteht die Tonfrequenz und gleichzeitig die NF-seitige Komponente der Schwundregelung. Die EFM 11 übernimmt die Funktion der NF-Vorverstärkung und Abstimmanzeige, ein Gegenkopplungs-Tonblenden-Netzwerk dient zur Klangbeeinflussung und Reduzierung des Klirrfaktors innerhalb des Niederfrequenzteils. Die EL12 liefert eine wesentlich höhere NF-Leistung, als der mit 5 Watt Saba-traditionell unterdimensionierte Lautsprecher auf Dauer verträgt.

Schaltung Saba 580 WK
(Mit der Maustaste das Bild anklicken, es wird dann in voller Auflösung dargestellt.)

Restaurierungstipps

Der 580 WK ist, wie alle Saba-Geräte dieses Jahrgangs, ein geradezu ideales Restaurierungsobjekt: - Alle elektrischen und mechanischen Teile sind sehr gut zugänglich und demontierbar.
- Saba verwandte ab 1938 keine Spritzgussteile mehr, die mit der Zeit unaufhaltsam aufquollen, sich verzogen und rissig wurden und somit jedem Reparaturversuch widerstehen.
Nach Ausbau von Netzteil, Dreifachfilter, Drehko mit Skala, Nockenwelle und der Potis lässt sich das Chassis- falls nötig - problemlos lackieren. Perfekt zum Originalton passt der 2-K Basislack Honda Arctic Silver Metallic (HON NH 79M), die gewünschte Oberfläche entsteht nur durch Basislack plus Härter, ohne Klarlack.
Die Spulentöpfe können ziemlich festsitzen, sie sind aber mit "Kontakt 60" o.ä. und etwas Geduld los zu bekommen. Man beachte den Bajonettverschluss.














Alle Papierwickelkondensatoren weisen erhebliche Isolationsverluste auf und müssen erneuert werden. Nach ausreichender Erwärmung mit einem Heissluftfön lassen sich die alten Wickel herausziehen, man steckt einen neuen Kondensator in die alte Hülle und verschließt das Ganze mit Bitumenmasse (Dachdecker).






Die Glimmerkondensatoren innerhalb der Filter (Bandfilter- und MW/LW Verkürzungs-C´s) sind im Prinzip noch brauchbar, es empfiehlt sich aber, ihre Isolationswerte zu prüfen.
Die 32µF Netzteilelkos sind mit Flüssigkeit gefüllt, deren Aggressivität im Laufe der Zeit zu Korrosionserscheinungen der Aluminiumbecher mit Neigung zum Auslaufen und Verdunsten führt. Um die Originaloptik zu erhalten, sägt man die Elkobecher direkt am Rande der oberen Kappe auf und kann danach die Innereien herausziehen, nachdem man die Vernietung an der Schraubseite ausgebohrt hat. So gibt es Platz für neue Elkos in den alten Bechern.
Die Kappen müssen ausgedreht werden und können dann mit etwas Pattex so aufgeklebt werden, dass sie noch wieder abnehmbar sind. Die Elkoflüssigkeit ist als Sondermüll zu entsorgen.








Es empfiehlt sich, die Nockenwelle zur Reinigung des Schaltmechanismus auszubauen, ausserdem lassen sich die Schaltfedern dann bequem neu ausrichten und die Kontakte mit Feinschleifpapier (Körnung 400-600) ohne Schwierigkeiten säubern. Die (Amenit) Nocken sind vor Wiedereinbau mit Siemens-Wählerfett (wo gibt´s das noch?), oder ersatzweise Vaseline zu versehen, die Schaltkontakte mit "Tuner 600" zu besprühen.




Der Lautsprecher (einziges Sorgenkind des gesamten Gerätes) sollte nach Entfernen der 4 Befestigungsmuttern sehr vorsichtig aus dem Gehäuse genommen werden, es besteht dabei die Gefahr, dass die Membran einreisst, weil sie zusammen mit dem äußeren Papp-Distanzring an der Schallwand haften bleibt. Der Membranaussenrand ist durch zwei ca. 2mm starke Pappringe verstärkt und war ursprünglich inklusive dieser Ringe auf den Lautsprecherkorb geklebt. Der antike Klebstoff kann sich, wie im vorliegenden Fall, schon evtl. vor Jahrzehnten in Luft aufgelöst haben.
Als Resultat war die Membran verzogen, sie liess sich jedoch mit viel Mühe wieder ausrichten und zentrieren.
Als Zentrierhilfe für das Joch des Magneten eignet sich das aufgebördelte Ende eines 25mm Plastikrohres für Aufputzinstallation (innen 25, außen 27mm).








Der Bespannstoff hat mittlerweile seine ursprüngliche Stabilität eingebüsst und ist zudem sehr fest auf die Schallwand geklebt. Man sollte der Versuchung, den Stoff abzulösen und ihn separat zu waschen, widerstehen. Extremes Schrumpfen und die Unmöglichkeit der exakten Repositionierung wären die Folge. Viel besser ist es, den Stoff auf der Schallwand zu belassen und das Ganze durch einen Hilfsrahmen aus Holzleisten gegen Verziehen zu sichern.
Danach komplett ab in die Wanne, mit Feinwaschmittellauge und Pinsel einseifen, gründlich abspülen, trocknen lassen, fertig.


Beim Lösen der Abgleichkerne ist äusserste Vorsicht angebracht, da sie (insbesondere die hohlen Kerne der oberen Abgleichebene) extrem bruchgefährdet sind. Alle Kerne sind mit Wachs festgelegt und sollten, bevor man versucht sie loszudrehen, unbedingt mit einem Fön behutsam erwärmt werden, aber auch nicht zu sehr, sonst schmilzt das Plastik der Spulenkörper. Die benutzten Schraubendreher sollten exakt passen.
Bereits abgebrochene Hohlkerne lassen sich noch herausbekommen, indem man einen 3,5 mm Bohrer als Ausdrehhilfe in sie einklebt. Abgebrochene Vollkerne können u.U. nur noch ausgebohrt werden und dann kommt richtig Freude auf!

Abgleich

Die Zf beträgt 485 kHz, man kann das Signal des Messsenders über einen Kondensator von ca. 200 pF auf das Gitter der Mischröhre geben (= mittlerer Anschlussdraht oben am Drehko). MW-Bereich wählen, Lautstärkeregler voll auf- und Messsender möglichst weit eindrehen. Tonblende nach links drehen (Schmalbandstellung).
(Röhren)Voltmeter ans Gitter der EFM11.
- Das Diodenfilter ist überkritisch gekoppelt, dessen beide Kreise müssen daher unter wechselseitiger Bedämpfung (10nF und 30K in Reihe) abgeglichen werden.
- Das Dreifachfilter muss (und kann nur) in Schmalbandstellung abgeglichen werden, beginnend mit dem mittleren Kreis. Keine Bedämpfung nötig.
Nun Messsender über künstliche Antenne (200pF und ca. 350Ohm in Reihe) an die Eingangsbuchsen und MW, LW, KW2, KW1 nacheinander abgleichen. Es gibt im 580 WK keine (kritisch gekoppelten) Eingangsbandfilter, keine Bedämpfung nötig.
  • MW L- Abgleich: Messsender und Skalenzeiger auf 600 kHz, erst Oszillatorkern, danach Zwischenkreis- und Vorkreiskern auf Maximum (= Minimum am Voltmeter!). Als Abgleichwerkzeug eignen sich für die (untenliegenden) MW-Kerne angeschliffene und mit Sekundenkleber gehärtete Schaschlikspieße
  • MW C- Abgleich: Messsender und Zeiger auf 1350 kHz, erst Oszillatortrimmer, dann Zwischenkreis- und Vorkreistrimmer auf Maximum.
L und C-Abgleich wiederholen, bis keine Veränderungen mehr auftreten, mit C-Abgleich enden.
  • LW- Abgleich analog MW, die günstigsten Abgleichpunkte L/C liegen bei 190/380 kHz.
  • KW2 dto. Abgleichpunkte 80 und 32m (3750, 9375 kHz)
  • KW1 dto. Abgleichpunkte 30 und 16m (10000, 18750 kHz)
Aber Vorsicht! Auf Kurzwelle ist ein Fehlabgleich auf Spiegelfrequenzen möglich. Man empfängt dann zwar auch was, aber der Gleichlauf zwischen Oszillator und den Vorkreisen ist nicht gegeben.
Von zwei Drehkostellungen, die bei gleicher Messsendereinstellung Empfang geben, ist immer die mit kleinerer Kapazität, also weiter ausgedrehtem Kondensator richtig, das ist der Abgleichpunkt. Zur Kontrolle den Messsender bei gleichbleibender Empfängereinstellung um 970 kHz (2 x Zf) zu höheren Frequenzen verstellen, der Ton muss auf KW dann wieder hörbar werden (= Spiegelempfang).
Wer es genau machen will, kann einen Frequenzzähler über einen kleinen Kondensator (10 pF) an das Steuergitter der Oszillatortriode ankoppeln, dann ist der vom Empfänger überstrichene Frequenzbereich exakt justierbar. (Oszillatorfrequenz = Empfangsfrequenz + Zf)

Fazit

Der Saba 580 WK ist das genaue Gegenteil eines Wegwerfgerätes - sozusagen elektronisches slow-food - er begeistert auch nach nunmehr 66 Jahren sowohl in Hinsicht auf seine Empfangsleistungen als auch durch die fast zeitlose Qualität und konstruktive Eleganz seiner mechanischen und elektrischen Elemente. Dieser Fundus an Qualität ist der Grund für seine völlig problemlose Restaurierbarkeit.

Zum Schluss noch Bilder eines reparierten Potis und einige alt/neu Ansichten.
















Viele Grüße
Ernst


[1] Wolfgang Menzel: Saba Die Produktion von 1924-1949
[2] Friedrich P. Profit: Saba Rekord W50 Funkgeschichte Nr.103



Zurück zur Hauptseite