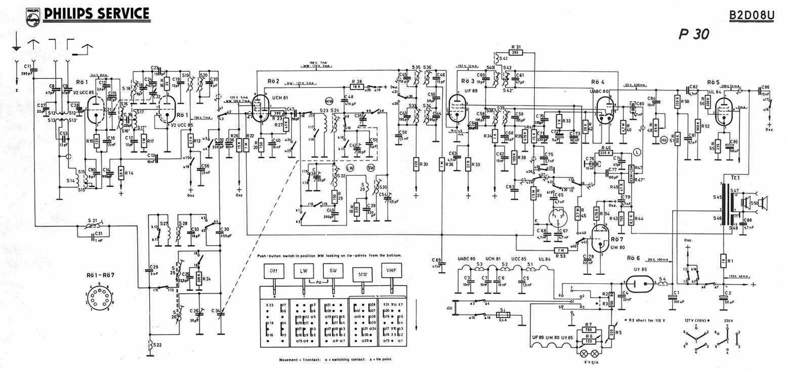
Die Philips Philetta B2D 08 U - Jahrgang 1960

Besonderheiten: Magisches Auge, Messingschild unter der Tastatur nicht mit "Philips", sondern mit "Philetta de Luxe" - Beschriftung.




Zurück