Aufbau des Einbereichs-Super - Spulensatzes

Aufgrund meines Artikels in der Bastelbude über den Einbereich-Super, sowie dem Link in der Bastelbude zum 4-Röhren-Empfänger mit der RV 12 P 2000 bekam ich im Laufe der Zeit doch überraschend viele Anfragen, in denen ich um genauere Beschreibungen der Spulen gebeten wurde.
Mir wurde klar daß der Spulenfrage bei diesem Empfängertyp besondere Aufmerksamkeit gewidmet werden muß, ich also noch etwas besser auf den Aufbau eingehen müsse.

Es müssen eigens für diese Verhältnisse Selbstbau-Spulensätze geschaffen werden, die zwar zum Teil etwas größer sind als die damals üblichen Fertigteile, die aber zuverlässig den elektrischen Anforderungen genügen und die einfach und mit verhältnismäßig leicht beschaffbaren, zum Teil austauschfähigen Materialien gebaut werden können.

Das Eingangsfilter
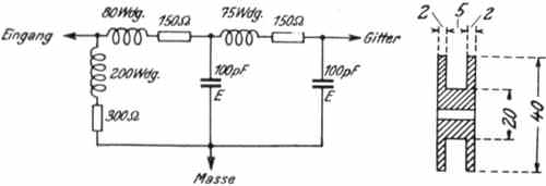
Ein gutes Filter ist das im Artikel zur 4-Röhren-Empfänger gezeigte, ein weiteres Ausführungsbeispiel dafür sei der hiernochmals gezeigte.


Es hat den einzigen Nachteil, viel Platz zu beanspruchen. Wo dies stört, kann man daher nach den Angaben im nächsten Bild (auch ersichtbar in den Fotos im 4-Röhren-Empänger) ein Filter mit drei kleinen, "wild" gewickelten Holz- oder Kunststoffkörper-Spulen anfertigen, die am besten senkrecht montiert werden.


Steht keine Drehbank zur Verfügung, so können die Wickelkörper natürlich auch aus je drei oder mehr auszuschneidenden Rundscheiben aus irgendeinem Isoliermaterial, sogar aus Pappe, angefertigt werden. Zur Montage verwenden wir Messingschrauben und kleine Messingwinkel, dürfen aber niemals eine der Spulen flach auf eine größere Blechfläche schrauben. Die beiden Kondensatoren müssen keine keramischen Rohrkondensatoren, sie können auch Rollkondesatoren sein.
Diese wie alleübrigen Kondensatoren pole man jedoch richtig, d. h. bei keramischen Rohrkondensatoren ist das der Außenbelag, bei Trimmern der bewegliche Teil) muß auch wirklich, wie auch in den Schaltbildern angegeben, auf der hochfrequenzfreien Seite, also "unten", liegen.

Die Oszillatorspule
Diese nach dem folgenden Bild anzufertigende Spule wird wohl die wenigsten Schwierigkeiten machen.


Sollte keine Litze 20 x 0,05 erhältlich sein, so ist auch 10 x 0,07, 30 x 0,05 oder dergleichen verwendbar, oder auch Kupfer-Volldraht 0,4 bis 0,6mm CuLSS (Lack-Seide-Seide). Eine allzu dämpfungsreiche Behelfsausführung der Oszillatorspule erkennen wir ja sofort daran, daß der Empfänger keinen von der Stellung des Drehkondensators abhängigen Empfang liefert. In diesem Fall könnte man die Rückkopplungsspule von 15 etwa auf 20 Windungen vergrößern, oder man muß sich eben um eine bessere Ausführung der Spule bemühen.
Jedenfalls steht fest, daß gute HF-Litze schlechter ist als Volldraht, wenn nicht alle ihre Einzeläderchen sauber abisoliert und verlötet werden !
Auch beim Oszillator-Parallelkondensator von 180 pF, der verlustarm, also am besten ein keramischer sein muß, sind wir nicht unbedingt an diesem wenig gebräuchlichen Wert gebunden. Man kann auch von vornherein sein Glück mit einem 200 pF-Kondensator zu versuchen, was höchstens zur Folge haben kann daß er unter Umständen - dies hängt vom Drehkondensator und den Anfangskapazitäten ab - einen nicht ganz bis 1500 kHz reichenden Abstimmbereich bekommt, was meist belanglos ist.

Das Zwischenfrequenzfilter
Dieses Filter muß sehr dämpfungsarm ausgeführt sein, wenn wir die erwünschte Trennschärfe und Empfindlichkeit erreichen wollen. Die handelsüblichen HF-Eisenkerne zum Selbstbau von Spulen sind jedoch bei unserer Zwischenfrequenz von 1600 kHz meist wenig für unseren Zweck geeignet, und vor allem kann man ja einem Kern nicht seine Zusammensetzung ansehen. Deshalb bieten bei unserem Selbstbau Luftspulen eine viel größere Erfolgssicherheit. Sehr gute, den besten Eisenfiltern gleichwertige Ergebnisse lieferte das im obersten Bild gezeigte Filter mit litzengewickelten Spulen (Litze 20 x 0,05) auf zylindrischen Keramik-Körpern. Man achte jedoch, dies kann nicht oft genug gesagt werden, auf sauberes Abisolieren und Verlöten sämtlicher Litzenadern. Wer keine Litze und keine Keramik-Körper auftreiben kann, behelfe sich vorläufig mit Volldraht 0,4 mm Durchmesser CuLSS und mit Pertinax- oder Papp-Zylindern und kann ja dann diese Materialien bei der nächsten sich bietenden Gelegenheit durch bessere ersetzen.
Auch bei den Kondensatoren des Filters wäre an sich Luft als Dielektrikum sicherer als irgendein beim Kauf kaum zu beurteilender Festkondensator. Da ein solcher jedoch zu unhaltbaren Filterabmessungen führen würden, wurden gute keramische Trimm-Kondensatoren vorgesehen.


Sind die Spulen genau nach Angabe gewickelt, so genügt primärseitig ein Festkondensator +/- 100 pF 10% ohne Trimmer, da es ja auf eine ganz genaue Einhaltung der Zwischenfrequenz von 1600 kHz nicht ankommt (vgl. Schaltung nächstes Bild); am besten legt man diesen Kondensator unmittelbar an die Anoden-Lötfahne der Röhrenfassung und läßt die Spulenenden so lang, daß sie bis dorthin reichen, denn ein einzelner Kondensator hat ja keine eigenen Befestigungslöcher.
Einen primärseitigen Trimmer wird also nur der einbauen, der aus irgendwelchen Gründen die ZF auf einen ganz bestimmten Wert hintrimmen will.
- Man vergleiche hierzu im vorherigen Bild den Grundriß und im folgenden den fertigen Aufbau.


Normalerweise wird also nur audionseitig auf Resonanz mit dem Primärkreis nachgetrimmt, und zwar ohne Meßsender einfach so, daß wir die Rückkopplung gerade bis zum Einsetzen von Schwingungen anziehen und nun diese schwachen Schwingungen durch Verstellen des Trimmers zum Aussetzen bringen. Dies wiederholen wir nach erneutem, leichten Anziehen der Rückkopplung so oft, bis die Rückkopplungsschwingungen - ganz leicht angezogene Rückkopplung vorausgesetzt - durch Trimmerverstellung nicht mehr zum Aussetzen zu bringen sind bzw. bis eine winzige, kaum sichtbare Verdrehung des Trimmers nach rechts oder links genügt, um die ausgesetzte "Schwingerei" wieder in Gang zu bringen.
Das Filter wird man im allgemeinen unabgeschirmt verwenden, was nachteilfrei durchführbar ist, wenn man nur dafür sorgt, daß seine Spulen nicht unmittelbar auf die anderen Spulen des Empfängers koppeln.

Ich hoffe, mit diesen Ausführungen einiges vom anscheinend noch etwas "mystischen" Aufbau der Einbereichsspulensätze genommen zu haben.

Zurück zur Hauptseite