Stereo Endstufe mit der Loewe AD1/400
- von Andreas Fuss



Liebe Röhrenfreunde.
In einem früheren Beitrag habe ich schon mal das Thema AD1 angeschnitten. Das Projekt hat lange bei mir im Keller gelegen, ist aber jetzt in den letzten Tagen zur Vollendung gekommen.
Ihr kennt ja sicher von Jogis Loewe-Mehrfachröhren-Seite die Loewe AD1, das ist eine "grosse" AD1 mit 400V Anodenspannung.
Ich habe von diesen Typen einige in der Sammlung, und da solch edle Teile nicht zum herumliegen da sind, haben sie es verdient in eine schicke Endstufe verbaut zu werden.

Ich habe diesmal keine Gehäusearbeiten selbst durchgeführt, sondern auf einen Rahmen von Andreas Kirschner zurückgegriffen, was ich nur wärmstens empfehlen kann. Die Alu-Platte ist von der Firma Schäffer, was auch super geklappt hat.
Eigentlich wie immer ziemlich einfach, als Treiber nahm ich diesesmal eine EL8. - Man braucht für so eine grosse Triode schon was kräftigeres, da ist eine Kleinleistungspentode genau richtig. Sie klingt auch ganz ausgezeichnet und passt optisch hervorragend.
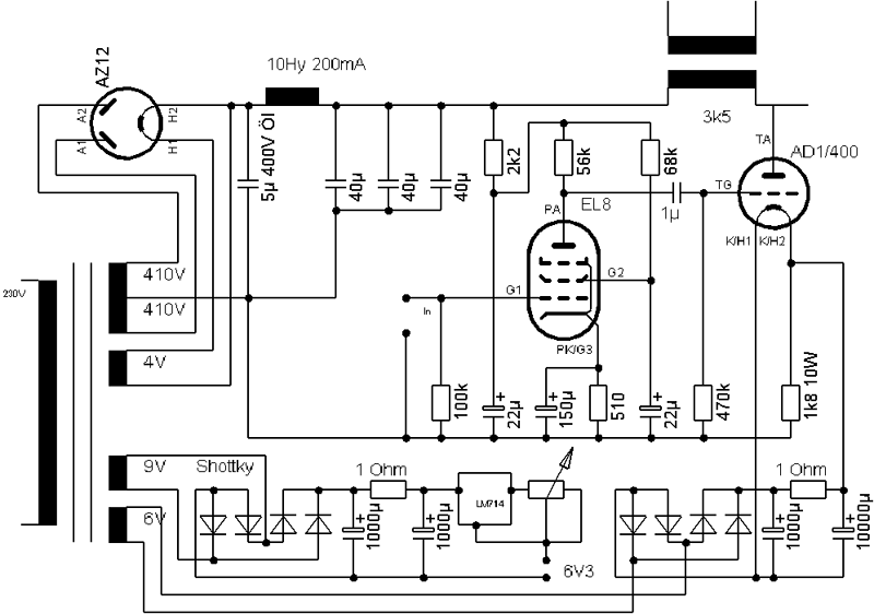
Der Gleichrichter ist eine Loewe AZ12 (was sonst?), zum Filtern gibt’s eine 10Hy - Drossel und einige Ölpapier - Kondensatoren.
Als Ausgangsübertrager verwende ich zwei Audio Note, die eigentlich für eine 300B gebaut sind.
Als Arbeitspunkt habe ich (wieder besseren Wissens) hier 400V und 40mA gewählt, da macht die Röhre stolze 4 Watt (!!!) am Ausgang. Wenn jemand andere Arbeitspunkte weiss, bin ich für eine Info sehr dankbar. Ich vermute nämlich dass die Loewe AD1 noch mehr kann.

Hier das Schaltbild:


Der Aufbau ist mit fertiger Grundplatte ziemlich einfach, das war an 2 Tagen erledigt, die wenigen Bauteile sind frei verdrahtet, bzw. auf eine Lötleiste aufgebracht.




Funktioniert hatte es auf Anhieb, einziges Problem war die Heizspannung der AD1, sie muss sehr sehr sauber sein, sonst brummt es.
Ich habe mir erst mal mit einem 10.000µ-Elko geholfen.
Für die Pentoden nehme ich eine Stromregelung mit dem LM317.
Zwei Drehspulinstrumente habe ich der Endstufe auch gegönnt, bei so kostbaren Röhren will ich schon wissen, wo ich dran bin.


Aber jetzt genug geredet, schaut Euch die weiteren Fotos an - ich hoffe sie gefallen Euch.

Viele Grüsse,
Andreas Fuss
andreas.fuss@aesculabor.de



























Zurück zur Hauptseite