Stereo-Röhrentuner-Bauanleitung
von Leon


Hier sind nun, wie im Forum versprochen, die Fotos und Pläne meines Stereo Röhrentuners.
Da ich nicht weiß in wie weit ich ins Detail gehen soll werde ich mich erstmal versuchen kurz zu fassen.
Sollte zu der ein oder anderen Sache (oder am ganzen Gerät?) mehr Interesse bestehen und eine detailierte Beschreibung erwünscht werden, lass es mich bitte wissen.







Wie man auf auf den Fotos erkennt, habe ich den Tuner in das Gehäuse eines KT 313 von Kenwood eingebaut.
Nun dazu muß ich sagen das mein Vater noch nen KT 615 rumstehen hat und mir das Gehäusedesign gefallen hat. Weiterhin erfüllt es verschiedene Kriterien die für Röhrenschaltungen von Vorteil sind (z.B. eine gewisse Gesamthöhe, ideal für stehende Bauweise, Wärmeentwicklung, Anzeigeinstrumente schon vorhanden usw) und außerdem hat mir der KT 313 bei Ebay nur sage und schreibe 12.06 Euro inklusive Versand gekostet!...lach.





Und jetzt in das Gerät reingesehn :





Der UKW-Tuner :



Der ZF-Verstärker (Beide Kanäle, abgeschirmt gegeneinander, s. Text) :



Der Stereo-Dekoder :



Die Ausgangsstufen :


Leider habe ich mich in der Größe geirrt, da der 615 wesentlich breiter und tiefer wie der 313 ist und ich somit sehr gedrängt bauen mußte um alles rein zu bekommen. Beim Vorgängermodell (ist auch ein Foto dabei...) habe ich noch alles in ein 19 Zoll Gehäuse mit zwei Höheneinheiten gequetscht und Schwierigkeiten mit der Wärmeabfuhr bekommen. Hier das Foto des Vorgänger-Modells:


So, da nun die Gehäusewahl geklärt ist wollen wir mal zum eigentlichen kommen, der Schaltung.
Wie man weiter oben auf den Fotos erkennen konnte, habe ich mir in diesem Gerät nicht die Mühe gemacht und einen Eingangstuner gebaut, sondern habe auf einen industriell gefertigten zurückgegriffen. Dieser wurde in den 60igern von der Firma Sonneberg in verschiedenen Geräten wie z.B. Erfurt 2, 4 usw. eingesetzt. Er hatte sich durch direkten Vergleich mit anderen Tunern (der Oberon Tuner war dabei, Neumanns U5, auch ein alter U4, Typ 7, - um nur einige zu nennen...) gehörmäßig durchgesetzt.
Um Mißverständnissen vorzubeugen: sicherlich ist der Typ 7 (Mosfet Tuner) in der Empfangsleistung (Empfindlichkeit, Trennschärfe usw) um einiges stärker als seine Röhrenkollegen - aber, wie bereits von mir im Forum gesagt, darum geht es mir bei meinem Tuner nicht, sondern um die maximale Klanggüte und Musikalität auf UKW herauszuholen.
Sicherlich ist eine gewisse Empfangsleistung für einen rauschfreien Stereobetrieb erforderlich, aber das schafft mein Röhrenfreund locker.
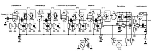
So, nach dem Eingangstuner kommt... klar... der ZF Verstärker. Bei ihm habe ich besonders auf eine hohe Bandbreite (ist für ungetrübten Stereogenuss mit guter Kanaltrennung unbedingt erforderlich!), hohe Gesamtverstärkung und, ganz wichtig, saubere Demodulation, wert gelegt.
Hierbei ist zu beachten das eine hohe Gesamtverstärkung auch eine hohe Schwingneigung nach sich zieht. Ein komplexer Aufbau mit richtiger Wahl der Massepunkte, Anodenspannungsverlegung, Heizleitungsverlegung usw. ist hier unbedingt erforderlich um nicht nach dem Einschalten ein wild schwingendes Paket vor sich liegen zu haben...!
Es versteht sich ja wohl von selbst das sämtliche Teile des ZF Verstärkers abgeschirmt werden müssen. Weiterhin habe ich den Demodulatorteil von den übrigen ZF Stufen mittels Abschirmblech (s. obiges Foto) voneinander getrennt. Eine einzelne Abschirmung der ZF Stufen hatte sich nicht erforderlich gemacht.
Als Gehäuse hat sich Eisenblech bestens bei mir bewährt. Auch Kupfer oder Messing ist sehr zu empfehlen - aber recht teuer. Von Alu sollte man lieber die Finger lassen.
Die TEKO Gehäuse vom großen C eignen sich hervoragend hierfür (nehme ich auch immer), sind billig und lassen sich gut bearbeiten.

Schaltbild ZF-Verstärker
(Mit der Maustaste das Schaltbild anklicken, es wird dann in voller Auflösung dargestellt.)

Da ich nicht weiß ob eine eingehende Erläuterung der einzelnen Bauteile im ZF Verstärker erwünscht ist, lasse ich es lieber... lach. Nur soviel sei gesagt, die EAA 91 spielt eine ganz entscheidende Rolle im Gesamtklangbild des Gerätes. Diese sollte man durch ausprobieren verschiedener Typen und immer wieder erneutes Probehören (und auch ruhig mal ein paar Aufnahmen machen um später vergleichen zu können, setzt natürlich entsprechende hochwertige Aufnahmegeräte, wie Dat usw. voraus) ermitteln.
Man kann auch, mit Abstrichen, die EABC 80 einsetzen - doch waren hier die Fertigungstoleranzen der Diodenstrecken im Herstellungsprozess höher angesetzt worden.
Von Halbleiterdioden im Ratiodedektor halte ich persönlich nicht viel. Sie sind zwar einfacher zu verarbeiten und bringen sicherlich teilweise die besseren Messergebnisse, klingen aber, finde ich, immer irgendwie "kalt" und "hart".

Eine weitere wichtige Rolle spielen die Kondensatoren C13 und C16. Man kann sie zwischen 100p und 300p groß wählen, sollte aber unbedingt darauf achten das sie gleich große Werte haben (ausmessen!). Ganz wichtig und leider in vielen kommerziellen Geräten für unnötig gefunden, daher weggelassen, ist die Impedanzwandlerstufe mit V6. Da der Ratiodedektor ein sehr hochohmiges und empfindliches Ausgangssignal liefert sollte diese Stufe unmittelbar und am besten ohne Kabel ! direkt nach der EAA 91 gesetzt werden. Ich selber habe diese Stufe unmittelbar neben der 91 aufgebaut und als Verbindung R15 und C17 genutzt (siehe Foto). Setzt man diese Stufen zu weit auseinander muß man sie mittels abgeschirmten Kabels miteinander verbinden. Das wiederum ist mehr oder weniger stark kapazitiv, welches schon ein Verlust der hohen Frequenzen mit sich führen kann und unser ZF Verstärker soll ja (nein, muß!) bis mindestens 60 khz linear übertragen!

Ach ja, weil ich es gerade sehe - ich habe sämtliche Primärkreise der ZF Bandfilter mit 27 k - Widerständen bedämpft. Leider habe ich das nicht mit in der Zeichnung eingezeichnet, wohl vergessen, sorry.
Der Anschluß der Messgeräte ist, denke ich klar. Die 100 sollen 100 µA und das andere Mittellage 0 und jeweils Endausschlag 50 µA heißen.

Übrigens sei noch erwähnt, dass der ZF Verstärker nach Röhrenwechsel und / oder Bauteiletausch neu abgeglichen bzw. der Abgleich kontrolliert werden muß. Wer an der Abgleichanleitung hierzu interessiert ist, sollte diesen Link verwenden.

Es gäbe noch viel mehr dazu zu sagen, aber ich denke die Seite wird so schon lang genug...
Normalerweise käme jetzt der Stereodekoder dran, doch hat es sich gezeigt das beim Stereofernempfang oder bei schlechter Wetterlage, ein leichtes Rauschen und Zwitschern zu hören war. Dies wiederrum brachte mich auf die Idee in meinen Tuner ein MPX Filter (hatte mein Vorgängermodell noch nicht) mit einzubauen. Es hat eine Bandbreite von ca. 60 khz und verhindert das Frequenzen oberhalb 60khz in den Dekoder mit eindringen können. Dies wiederum macht sich dahin gehend bemerkbar, dass das Stereorauschen bei schwächeren Sendern um ca. 30% nachläßt.


Wichtig war / ist, daß das Filter zwischen Pilotton und Hilfsträger keine nennenswerte Phasenverschiebung hervorruft, weil sonst die Übersprechdämpfung zu sehr zurückgeht. Mit C5 kann eine geringfügige Korrektur vorgenommen werden, d.h. es muß ein Kompromiß zwischen Übersprechdämfung und Filtersteilheit gefunden werden. Die Gesamtverstärkung des Filters ist 1.
Mittels S1 (Relaiskontakt) kann das Filter wahlweise in den Signalweg ein bzw ausgeschalten werden.

Über den Stereodekoder will ich hier mal jetzt nicht allzu viele Worte verlieren, da es ein industriell gefertigtes Gerät ist. Wiederum durch reichliches Probehören und direkten Vergleich mehrerer Dekoder miteinander hat sich der SD 2.3 klanglich herauskristallisiert. Selbst der Röhrendekoder konnte da nicht mithalten (deshalb habe ich ihn da letztendlich auch ausgetauscht). Klanglich ist der Röhrendekoder ebenbürtig, aber halt die Übersprechdämpfung.... - er brachte es selbst mit einem nachgeschalteten kathodengekoppelten Differenzverstärker auf kaum mehr als 35 db. Nun, und der SD 2.3 schafft es (laut Datenblatt) auf immerhin 47 db bei 1 khz, und das merkt man halt schon!
Der SD 2.3 wurde, glaube ich, bis ca. 1980 gebaut. Danach wurde er durch einen IC Dekoder abgelöst. Ich habe das Glück einen der letzten noch erwischt zu haben.

Es folgt das Schaltbild des Si-Decoders 2.3 :


Die Elkos im Signalweg wurden von mir durch MKTĀ“s ersetzt, sowie die SC 206 Transistoren durch HF-Typen (SF 215). Nach anschließenden Neuabgleich (Abgleichanleitung am Ende der Seite) erhält man einen recht vernünftig klingenden Dekoder, der auch noch eine ordentliche Übersprechdämpfung besitzt.
Der einzige Nachteil des SD 2.3 sei hier nicht verschwiegen. Und zwar gibt er das Monosignal (systembedingt) mit höherer Lautstärke wieder als das Stereosignal, was wiederrum das Korrekturglied erforderlich machte. Die Relaiskontakte S2 und S2.1 schalten bei Mono die Wiederstände R1/R2 und die Kondensatoren C1/C2 auf Masse, was eine entsprechend dosierte Lautstärkeverminderung und eine leichte Höhenabsenkung zur Folge hat. Das Relais wird einfach mit an den Stereolampen am Ausgang des Dekoders mit angeschlossen.
Die an den Dekoderausgängen eingezeichneten 1n Kondensatoren sind durch 100p Kondensatoren zu ersetzen, da sonst die Höhenwiedergabe zu sehr drunter leidet.

So, da die Dekoderausgänge doch recht hochohmig sind und wir ja einen niederohmigen Ausgang brauchen, um verschiedenste Quellen nachschalten zu können, machte das die Ausgangsstufe mit V1 und V2 erforderlich. Meine Wahl fiel hierbei auf die ECF 82, da das Pentodensystem genug Verstärkung für das anschließende Filter liefert und das Triodensystem sich hervoragend als Impedanzwandler und somit Tuner Abschluß eignet. Man kann an dieser Stelle natürlich auch zwei Einzelröhren einsetzen (EF 86 / EC 92 o.ä.).


Was hier jetzt kommt hat nicht mehr unbedingt was mit HiFi zu tun und muß von jedem selbst eingeschätzt werden ob er es einbaut oder nicht. Wer es nicht braucht / mag, läßt es einfach weg und setzt an Stelle des Filters (gestrichelt dargestellter Teil in der Ausgangsstufe) ein 1 MOhm Poti o.ä. ein und hat dann noch einen geregelten Ausgang, der sich lautstärkemäßig an vorhandende Anlagenkomponenten anpassen läßt :

Ich weiß ja nicht in wie weit du Musik genießt, Jochen - aber ich muß immer meinen "Gehörfehler" ausgleichen... lach. - D.h., die Bässe müssen kurz und abgrundtief kommen, die Höhe dagegen zart und seidig... - und das habe ich versucht mit dem Filter etwas hinzubiegen, ohne den Gesamtcharakter des Gerätes zu sehr zu verändern.
Mit P1 (Ausgangsstufe) kann der Bassanteil eingestellt werden, dabei ist C6 für die Einsatzfrequenz verantwortlich. Er sollte zwischen 4,7n und 10n gewählt werden, wobei 10n schon recht tief ist und es droht das Klangbild zu zerreißen. Das merkt man daran, das Mitten und Höhen zueinander passen und untenherum der Bass "rumpumpt". Die Harmonie geht dadurch verloren...
C7 ist für den Höhenanteil verantwortlich - je größer C7 ist, um so mehr hohe Frequenzen werden durchgelassen und umgekehrt. Gleichzeitig wird durch die Größe von C7 die Einsatzfrequenz der Höhen bestimmt. Je größer C7, um so mehr Mitten kommen mit durch und umgekehrt.
Das funktioniert so an sich schon recht gut, nur hat es sich gezeigt das die Filterwirkung zu extrem ist und das wiederum macht R9 erforderlich. R9 bestimmt den Anteil an Frequenzen der ungefiltert passieren dürfen, d.h., je größer R9 um so größer ist die Filterwirkung und umgekehrt.
Bei R9 = 0 ist auch die Filterwirkung = 0. Es haben sich Werte zwischen 800 kOhm und 3 MOhm bewährt.
Man kann ihn auch zunächst als Poti einbauen und nach beendetem Abgleich durch Festwiderstände ersetzen.
Die abgebildeten Werte für C6, C7 und R9 sind die Werte, die ich letztendlich in meinem Tuner als "End"werte verwendet habe. Es sind nur Richtwerte, die je nach Tuneraufbau und Hörgewohnheiten schwanken können. In meinem Vorgängermodell sehen sie z.B. ganz anders aus.

Am Ausgang stehen bei eingestelltem Sender ca. 4 Volt Spitze-Spitze an. Das sollte locker reichen um so ziemlich jede Endstufe voll auszusteuern. Wem das zu viel ist kann ja an geeigneter Stelle einen Spannungsteiler vorsehen.
Der Ausgang von V2 wird mit einem Widerstand von 100 kOhm abgeschlossen (nicht mit auf dem Schaltplan!). Den habe ich direkt mit an die Ausgangsbuchsen gelötet.

Wichtig ist noch das der Dekoder über einen Spannungsteiler von 75k / 30k angeschlossen wird, da der Zf-Verstärker ein zu hohes Ausgangssignal (ca. 4 Volt Spitze/Spitze) liefert und somit den Dekoder übersteuern würde. Werte um 1 Volt Spitze/Spitze haben sich bestens bewährt. Den Spannungteiler habe ich direkt an die Dekodereingang gelötet.

So, Jochen, das wars erstmal. Leider konnte ich nicht auf alle Dinge so eingehen wie ich es gewollt hätte (ist so schon lang genug geworden). Die Wickelanleitung für die ZF Bandfilter folgt noch, so wie die Schaltung und die Wickeldaten des Röhrendekoders.

Es folgt noch ein Foto des Netzteils und das Schaltbild dazu.




Für diejenigen, die nicht optimale Empfangsvoraussetzungen haben (so wie ich) kann ich noch eine Schaltung für einen UKW-Antennenverstärker (selbstverständlich mit Röhre!) nachliefern. (Ja, bitte, Leon !)
Er arbeitet mit einer ECC 85 und bringt so zwischen 10 und 13 db. Das reicht locker um verrauschte Sender in rauschfreie zu verwandeln.
Da ich weiß das du, Jochen, Halbleiter nicht so magst... lach - man kann ja das MPX Filter weglassen und für den Si-Dekoder den Röhrendekoder einsetzen und erhält so ein komplettes Röhrengerät.

Gruß Leon.

P.S.Leider sind die Bilder nicht so gut da ich keine Digi Cam habe und die Bilder nur mit einem Analog Camcorder machen konnte... - sorry.

Es folgt die Abgleichanleitung des Si-Stereodecoders 2.3 :

Zu der Abgleichanleitung möchte ich nur so viel noch sagen,daß man für das Röhrenvoltmeter auch einen Oszi nehmen kann. Mit ihm gleicht man dann nicht auf maximalen Zeigerausschlag (logisch) sondern auf maximalen Spitze/Spitze Wert ab. Allerdings geht es ohne den beschriebenen MPX Generator bzw Stereotestsender(MPX fähig) nicht. Für einfachere Abgleiche, oder für diejenigen die sich einen teuren Testsender(gibt es aber bei Ebay schon zu erschwinglichen Preisen) nicht leisten können, sei gesagt daß im Funkamateur von '94 (oder wars '96?) ein Stereoprüfsender beschrieben und Schaltungstechnisch dargelegt wurde. Bei Interesse kann ich die Schaltung nachreichen, aber ich glaube das würde dann doch den Rahmen des möglichen sprengen, oder?
Wichtig ist auch das man den endgültigen Feinabgleich im Empfänger, und im eingebauten Zustand vornimmt, da der ZF Verstärker (und die Verkabelung der Geräte!) keinen unmaßgeblichen Einfluß auf den Dekoder hat.
Na ja, der Rest ist glaube ich recht anschaulich und verständlich in der Abgleichanleitung, als PDF-File, beschrieben.

Es folgt eine Beschreibung zum Nachbau eines Röhren-Stereodekoders, mit Abgleichanleitung und Spulenwickelvorschrift.


Zurück zur Hauptseite