5. Die Stromversorgung
Das Netzteil wurde als kompakte Einheit auf einem Alu-Blechwinkel mit herkömmlicher Verdrahtung aufgebaut und kann als Ganzes in das Gehäuse eingesetzt werden. Die Verbindung zum eigentlichen Verstärkerteil erfolgt durch einen hochspannungs-geeigneten Hirschmann-Mehrfachstecker. Ein Netzschalter wurde nicht vorgesehen, da die ganze Verstärkeranlage zentral eingeschaltet wird. Die Schaltung ist gegen das Gehäuse isoliert, die Masseverbindung erfolgt nur über den Stecker.
(Vergrößerte Ansicht durch Anklicken der Abb.)
Anodenspannungserzeugung
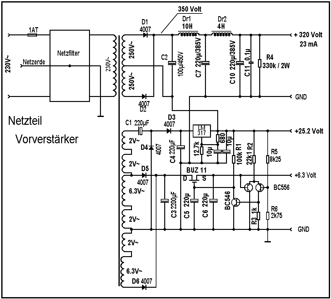
Bild 1. zeigt die Schaltung des Netzteils. Sie wurde im wesentlichen um den schon vorhandenen Netztransformator aus der Bastelkiste herumgebaut. Dieser war ein Ringkerntyp aus den Anfangstagen der Ringkerntechnik, aber genügend streuarm, sodaß das Netzteil im Verstärkergehäuse mit untergebracht werden konnte.
Bild 1. Schaltung der Spannungsversorgung.
(Vergrößerte Darstellung durch Anklicken der Abb.)
Mit den beiden Anodenspannungs-Wicklungen zu je 250 Veff konnte mit Zweiweggleichrichtung durch Halbleiter-Dioden und unter Betriebsbedingungen eine gesiebte Anodenspannung von +295 V erreicht werden. Da ein etwas höherer Wert erwünscht war, wurde die Heizspannungsregelung (s.u.) ausgenutzt, um auf ca. +320 V zu kommen. Auf eine verzögerte Einschaltung der Anodenspannung wurde verzichtet.
Auch auf eine Regelung der Anodenspannung wurde verzichtet. Für eine röhrenbestückte Regelung reichte auch die verfügbare Leistung des Netztrafos nicht aus, eine halbleiterbestückte Regelung widersprach der Vorgabe, keine Halbleiter im Signalweg zuzulassen. Anodenspannungsschwankungen aufgrund von Netzspannungsschwankungen erwiesen sich unter durchschnittlichen Verhältnissen als relativ gering. Bei 10 sec Beobachtungszeit lagen sie im Bereich von maximal +/- 200 mV, innerhalb von ca. 30 min wurden Abweichungen von maximal +/- 2 Volt beobachtet. Die Einführung einer Stabilisierung wäre jedoch eine Verbesserungsmöglichkeit wie der probeweise Betrieb an einem netzseitigen Wechselspannungs-Stabilisator zeigte. Ob sich ein hörbarer Unterschied ergibt, wurde nicht geprüft.
Um eine ausreichende passive Dämpfung des 100-Hz-Gleichrichterbrumms (+Oberwellen) zu erzielen, war eine Siebkette mit zwei Drosseln erforderlich.
Die
Resonanzfrequenzen der Siebkette liegen weit unterhalb des Hörbereichs.
Die entsprechenden Resonanzen sind durch die ohmschen Widerstände der Drosseln
und des Gleichrichterteils so stark bedämpft, daß keine unangenehmen
Verkopplungen der Verstärkerstufen zu befürchten sind.
Bild 2. zeigt den berechneten Verlauf des Innenwiderstandes der Siebkette bis
zum Ausgang der zweiten Drossel.

Bild
2. Innenwiderstand der Anodenspannungsversorgung
in
Abhängigkeit von der Frequenz (berechnet).
Oberhalb von etwa 10 Hz wird der Innenwiderstand praktisch ausschließlich von der Kapazität der Kondensatoren C10 + C11 bestimmt. Der kapazitive Widerstand von C11 allerdings spielt im dargestellten Frequenzbereich noch keine Rolle. Eine Resonanzstelle der zweiten Drossel, die rechnerisch bei knapp 8 Hz liegt, macht sich im Impedanzverlauf schwach bemerkbar. Für Frequenzen unterhalb von etwa 0.1 Hz ist nur noch der gesamte ohmsche Widerstand des Netzteils von ca. 2.5 kOhm wirksam. Dieser liegt in der Anodenzuleitung aller Verstärkerstufen gemeinsam. Diese werden dadurch miteinander verkoppelt. Der Verstärkungsfaktor jeder Stufe liegt bei diesen Frequenzen jedoch schon so niedrig, daß keine unerwünschten Effekte (z.B. 'Pumpen' ) auftreten.
Brummspannungsunterdrückung
Bild 3. zeigt die frequenzabhängige Dämpfung dieser Siebkette (magenta und blau). Darunter dargestellt ist die Dämpfung bis zum Arbeitswiderstand des ersten bzw. des zweiten Triodensystems des Entzerrer-Verstärkers, also die Dämpfung der Siebkette vergrößert durch die Dämpfung der zusätzlichen RC-Glieder im Anodenstromkreis.

Bild 3. Dämpfung des Gleichrichterbrumms
durch die Siebkette in Abhängigkeit
von
der Frequenz (berechnet).
Röhrenschaltungen weisen i.a. nur geringe Werte für die Brummspannungsunterdrückung (engl. PSRR, power supply rejection ratio) auf. Der Brummanteil der Versorgungsspannung muß deshalb schon im Netzteil genügend stark unterdrückt werden. Am kritischsten ist der Brummanteil an der Anode der ersten Verstärkerstufe, der von allen folgenden Stufen mitverstärkt wird. Um die notwendige Brummdämpfung an dieser Stelle abzuschätzen, geht man am besten von der Anode der zweiten Stufe des Entzerrer-Verstärkers aus.
Das Signal/Rausch-Verhältnis an der Anode dieser Stufe beträgt typischerweise ca. 74 dB ungewichtet (s.a.(4)). Um es nicht durch überlagerte Brummspannung aus dem Netzteil wesentlich zu verschlechtern, sollte die Brummspannung hier also etwa 84...88 dB unter der maximal zu erwartenden Signalspannung von ca. 500 mVeff liegen. Daraus ergibt sich ein Höchstwert von ca. 32 µVeff für die zulässige Brummspannung an dieser Stelle.
84
dB ~ 16000.
0.5V/16000 = ca. 32 µVeff.
Die Verstärkung des zweiten Triodensystems beträgt ca. 34 dB bei 100 Hz. Die maximal zulässige Brummspannung am Gitter dieses Systems bzw. an der Anode der Vorröhre muß also um mindestens 84dB + 34dB = 118dB unter 500 mV liegen.
Die am netzteilseitigen Ende des Außenwiderstands R3 der ersten Verstärkerstufe liegende Brummspannung erscheint nicht in voller Höhe an der Anode, sondern um den Wert der Brummspannungsunterdrückung (PSRR) vermindert. Der Widerstand R3 von 221 kOhm und der Ausgangswiderstand der ersten Verstärkerstufe von ca. 100 kOhm bilden für die Wechselspannungs-Komponenten der Versorgungsspannung einen Spannungsteiler mit einem Teilerverhältnis von ca. 1/3 bzw. -10 dB. Durch die Gegenkopplung wird die Brummspannung noch einmal um etwa den Faktor der Schleifenverstärkung herabgesetzt. Dieser ist bei der relativ niedrigen Frequenz des Gleichrichterbrumms von 100 Hz allerdings nicht sehr groß. Er beträgt hier ca. 18 dB. Daraus ergibt sich:
PSRR ~ 10dB + 18dB = 28 dB bei 100 Hz.
Am netzteilseitigen Ende des Außenwiderstands R3 muß die Brummspannung deshalb mindestens um 118dB - 28dB = 90dB unterhalb von 500 mV liegen. Daraus ergibt sich ein absoluter Wert für die maximal zulässige Brummspannung an R3 :
90 dB ~ 32000
500 mV / 32000 ~ 16 µVeff
Gemessen
wurde unter Betriebsbedingungen eine Brummspannung von ca. 1 Veff am Ladekondensator
C2 des Netzteils. Die Dämpfung dieser Wechselspannung durch die Siebkette
bis zum Widerstand R3 muß also mindestens 1 Veff /16 µVeff = 62
500 bzw. 96 dB betragen. Dieser Wert wird, wie in Bild 3. zu sehen, sicher erreicht.
Wie ebenfalls aus Bild 3. zu sehen, würde die Verwendung nur einer Siebdrossel
nur knapp ausreichen, um diesen Wert zu erreichen. Um die geforderte Brummspannungsunterdrückung
mit einem gewissen Sicherheitsabstand zu erreichen, wäre eine Vergrößerung
der Siebelkos notwendig geworden. Da in der Bastelkiste zwar eine zweite Drossel,
aber keine passenden Siebelkos zu finden waren, wurde die gezeigte Lösung
mit einer kleineren zweiten Drossel gewählt.
(Die Berechnung des Dämpfungs-Faktors und des Innenwiderstandes von Hand ist recht umständlich. In diesen beiden Fällen wurde deshalb der Einfachheit halber ein Simulationsprogramm (Spice) eingesetzt.)
Heizspannung
Die E88CC läßt sich im Unterschied zur E83CC nur mit 6.3V heizen. Die Heizfadenhälften der beiden E83CC wurden deshalb parallel geschaltet, sodaß alle Röhrenheizungen parallel mit der gleichen geregelten Spannung von 6.3V versorgt werden konnten.
Ebenfalls aus Gründen der Brummspannungsunterdrückung wurde für alle Röhren eine Gleichspannungsheizung vorgesehen. Um die Heizfäden zu schonen, sollte die Heizspannung einen ausreichend langsamen rampenförmigen Anstieg beim Einschalten aufweisen. In der Schaltung von Bild 1. benötigt die Heizspannung etwa 13 sec um den Sollwert von 6.3 V zu erreichen.
Eine für diese Zwecke oft verwendete einfachere Applikationsschaltung von National Semiconductor (Bild 4.) wurde nicht übernommen, da sie keinen wirklich rampenförmigen Anstieg der Heizspannung erzeugt. Die Ausgangsspannung dieser Schaltung beträgt unmittelbar nach dem Einschalten ca. +2 V. Bei einem Kaltwiderstand des ECC88-Heizfadens von ca. 2.5 Ohm fließt daher ein Einschaltstrom von ca. 0.8 A. Das ist fast das dreifache des Nennstroms. Dieses Verhalten wurde nicht mehr als schonendes Einschalten betrachtet.

Bild
4. Spannungsregelung mit Softstart.
Applikations-Schaltung
von NS.
Die
hier eingesetzte Schaltung (Bild 1.) ist zwar etwas aufwendiger, erzeugt aber
eine wirklich bei 0 Volt startende Heizspannungs-Rampe beim Einschalten. Bild
5. zeigt das gemessene Einschaltverhalten der beiden Schaltungen.
Die Anstiegsgeschwindigkeit wird bei der Schaltung nach Bild 1. von dem RC-Glied
R1/C5 bestimmt und kann in weiten Grenzen beliebig eingestellt werden.

Bild
5. Einschaltverhalten der Schaltungen nach Bild 1. und Bild 4.
Rot:
Bild 1. Blau: Bild 4.
Der hier verwendete Netztrafo wies zwei 6.3V-Wicklungen und zwei mittenangezapfte 4V-Wicklungen auf. Diese wurden, wie in Bild 1. zu sehen, ausgenutzt, um eine stabilisierte Hilfsspannung von ca. +25 V mit Hilfe eines LM 317 T zu erzeugen. Durch die Verbindung der Mittelanzapfung der Anodenspannungs-Wicklungen mit der stabilisierten Hilfsspannung konnte die Anodenspannung um + 25 Volt heraufgesetzt werden. Damit der pulsförmige Ladestrom des Ladekondensators C2 nicht durch die Stabilisierungsschaltung fließen muß, blieb der negative Anschluß dieses Kondensators direkt mit der Mittelanzapfung verbunden. Er muß daher gegen Masse isoliert werden.
Die Stabilisierungsschaltung selbst weist keine Besonderheiten auf. Der als Stellglied eingesetzte Mosfet BUZ11 war preiswert erhältlich und ermöglicht durch seinen geringen Verlustwiderstand eine gute Ausregelung auch bei niedrigen Eingangsspannungen. Die Regelungs-Schaltung ist auf einer kleinen Platine aufgebaut (s. Foto oben), die noch von einem früheren Projekt her zur Verfügung stand. Der Mosfet wurde zur Kühlung auf einem Abschirmblech montiert.