Das Röhrenprüfgerät Farvi
von der Fernseh GmbH Taufkirchen a.d. Vils (1948).

Hinweis ! Diese Seite ist ausschliesslich nur für den privaten und nicht für den gewerblichen Gebrauch (z.B. Internet-Auktionen !) bestimmt. Es dürfen keine Fotos und Texte ohne meine vorherige Zustimmung verwendet werden !

Die Fotos zu diesem Gerät stammen von Siegfried Neumann - nochmals vielen Dank an ihn!

Der Farviprüfer der Fa. Fernseh-GmbH ist ein äußerst seltenes Röhrenprüfgerät, es wurde offenbar in einer nur sehr geringer Stückzahl gebaut. Mir sind (in Deutschland) nur zwei Besitzer eines solchen Gerätes bekannt.













































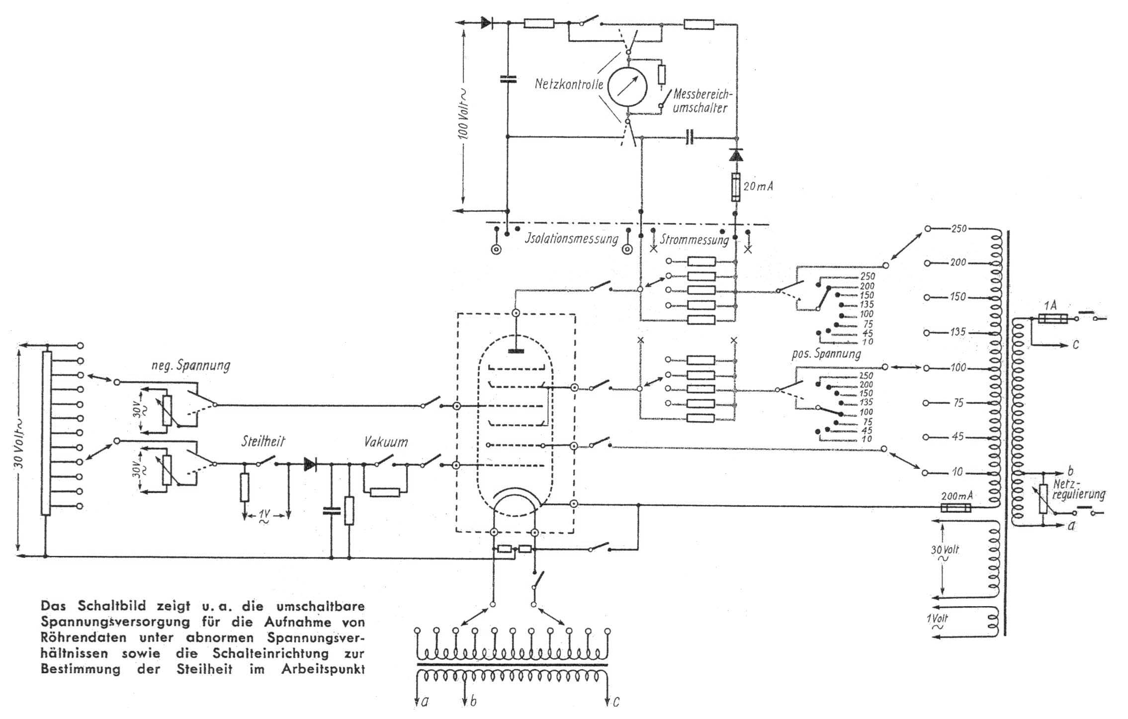
Schaltbild Farvi-Prüfer
(Mit der Maustaste das Schaltbild anklicken, es wird dann in voller Auflösung dargestellt.)


Für an diesen Daten Interessierte habe ich hier einen Link auf eine PDF-Datei mit einer einfachen Beschreibung des Farvi-Prüfers, aus der Funktechnik Ausgabe 13/1949, platziert (ca. 2,3 MByte).

Eine sehr ausführliche Beschreibung zum Farvi-Prüfer stammt von Robert W. Berger; hier nochmals vielen Dank an ihn! - Robert W. Bergers Beschreibung.

Zurück zur Hauptseite