Heathkit - Röhrenvoltmeter IM-18D

Hinweis ! Diese Seite ist ausschliesslich nur für den privaten und nicht für den gewerblichen Gebrauch (z.B. Internet-Auktionen !) bestimmt.
Es dürfen keine Fotos und Texte ohne meine vorherige Zustimmung verwendet werden !



















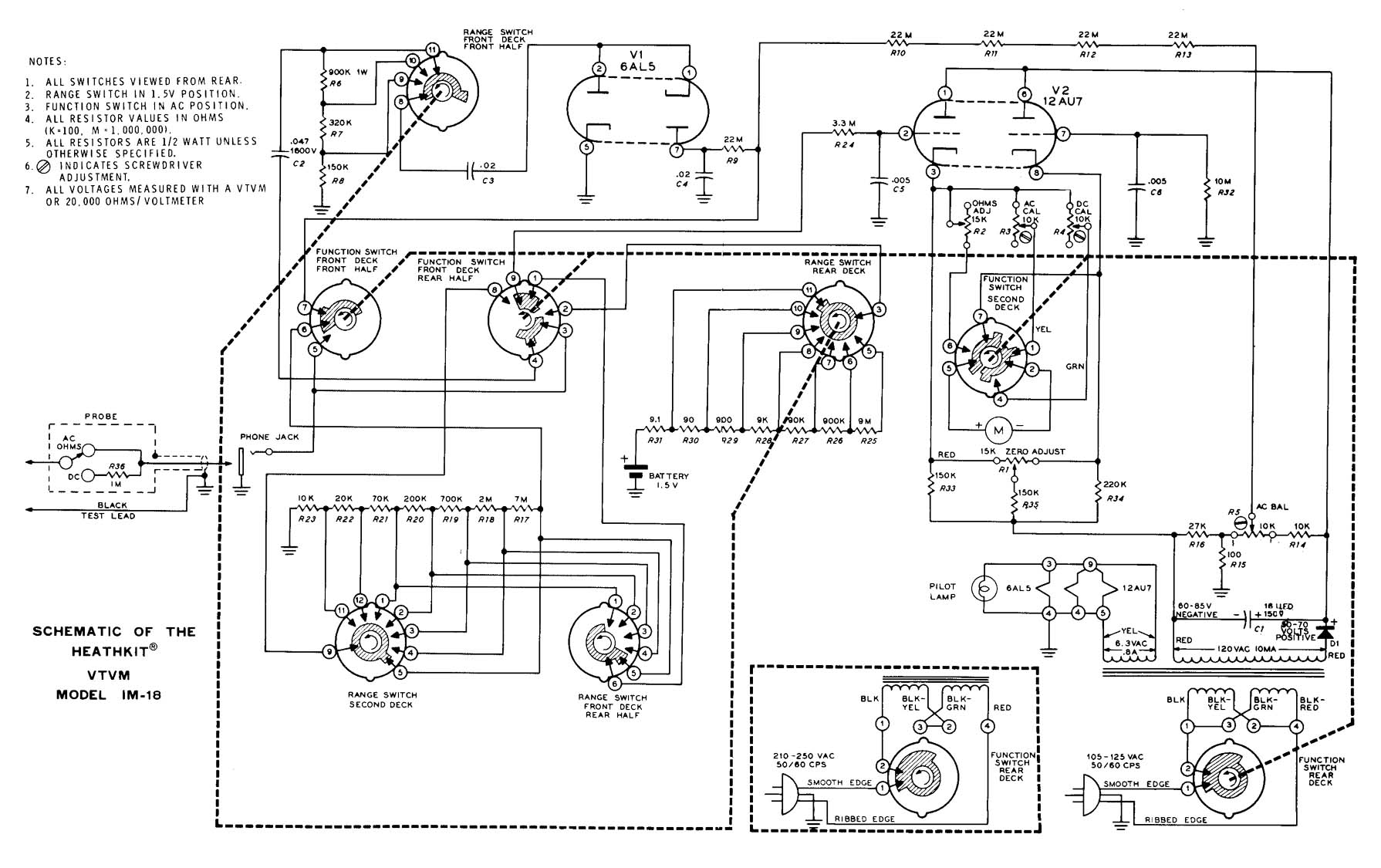
Das Schaltbild zeigt den IM-18, der sich nur mit seinem Netztransformator (110 V) vom IM-18D (220 V) unterscheidet.

Schaltbild zum IM-18
(Mit der Maustaste das Schaltbild anklicken, es wird dann in voller Auflösung dargestellt.)


Für an diesen Daten Interessierte habe ich hier einen Link auf eine djvu-Datei mit der Bedienungsanleitung zum Heathkit IM-18 (englisch) platziert (ca. 280 kByte)

Zurück