UKW Röhrenmischteil mit Cascoden-Eingangsstufe
von Ernst Rößler





Die Idee, ein Röhrenmischteil für das UKW-Projekt zu entwickeln und aufzubauen, entstand auf Grund verschiedener Anregungen und bei Gesprächen, die ich mit Peter Treytl, Thomas Moppert und Ernst Schlemm während des letzten Röhrenbuden-Stammtisches führen konnte. Ziel der Planung war es, eine Schaltung zu entwickeln, welche einerseits eine hohe Eingangsempfindlichkeit sowie gute Selektionseigenschaften aufweist, andererseits aber auch reproduzierbar und so nachbausicher wie möglich sein sollte. Trotzdem muß darauf hingewiesen werden, daß es sich bei dem im folgenden beschriebenen Eingangsmischteil nicht um ein Anfängerprojekt handelt. Ein gewisses Maß an Erfahrung im Umgang mit HF-Komponenten wird erwartet und in der Beschreibung auch vorausgesetzt.

Das Konzept

Bei der Schaltungsentwicklung wurde konsequent auf Vielfachfunktionen einer Röhre verzichtet. Es gibt keine selbstschwingende Mischstufe, und auch die ansonsten übliche Eingangsstufe in Zwischenbasisschaltung mit breitem Eingangskreis wird man vergeblich suchen.
Bei vorliegender Schaltung wird die in der UKW-Technik seltener vorzufindende Cascodenschaltung eingesetzt, gefolgt von einer ECF80, wobei die Triode als Oszillator und die Pentode als Mischer arbeitet.
Für die Cascodenschaltung wurde die ECC 2000 ausgewählt. Diese Röhre ist für das Projekt geradezu prädestiniert und kann in dieser Schaltung nicht durch eine andere Röhre ersetzt werden. Sie enthält zwei ungleiche Triodensysteme, von denen eines einen sogenannten "Neutralisationsschirm" besitzt. Diese segensreiche Einrichtung beschert uns den unschätzbaren Vorteil, dass die Anoden-Gitter-Kapazität in diesem System auf 0,45pF reduziert ist und somit zusätzliche röhrenexterne Neutralisationsmaßnahmen entfallen können.
Der Oszillator ist mittels einer vorgespannten Varicap-Diode für den Anschluss einer AFC-Steuerspannung vorbereitet. Das Mischteil wird vierfach kapazitiv abgestimmt. Der benötigte Drehkondensator sowie die Spulenkörper mit Kernen sind bei Oppermann verfügbar.
Zusätzlich ist auf der Platine des Mischteils ein Teilerbaustein U813BS integriert. Dieser teilt die Oszillatorfrequenz durch 256, um eine für dieses Teilerverhältnis geeignete Nixie-Frequenzanzeige (z. B. nach Dieter Tepel) ansteuern zu können.

Die Schaltung des Mischteils

Schaltbild des Mischteils
(Mit der Maustaste das Schaltbild anklicken, es wird dann in voller Auflösung dargestellt.)

Schaltungsbeschreibung:

Die Antennenspannung wird dem abgestimmten Eingangskreis induktiv mittels einer auf 75 Ohm bemessenen Wicklung zugeführt. Das durch die Cascode spannungsverstärkte Signal gelangt nun über eine Anzapfung zu einem beidseitig abgestimmten Zwischenbandfilter, dessen Kreise sowohl induktiv als auch kapazitiv gekoppelt sind. Ausgangsseitig wird das Gitter der Mischpentode über C9 angesteuert. Das Oszillatorsignal wird durch die Triode der ECF80 in Meißner-Schaltung erzeugt. Eine kleine Auskoppelwicklung (L7) auf der Oszillatorspule, welche über ein RC-Glied (R8, C17) im Kathodenkreis der Pentode liegt, stellt dem Mischer das Oszillatorsignal zur Verfügung. Die ZF wird durch ein im Anodenkreis der Mischröhre liegendes ZF-Filter ausgekoppelt.
Der Teilerbaustein U813BS wird über einen Spannungsteiler (R15, R16) von L7 angesteuert. Seine Betriebsspannung wird aus einer zusätzlichen Heizwicklung des Netztrafos erzeugt und mit einem 78L05 stabilisiert. Wer keinen Zählerbaustein an den Tuner anschließen will, kann den Zähler sowie seine Spannungsversorgung bei der Bestückung der Platine weglassen.
Für die automatische Scharfabstimmung ist eine mit 15V vorgespannte Varicap-Diode BB204 vorgesehen. Von dieser Doppeldiode wird nur ein Diodensystem benutzt. Sie wurde ausgewählt, weil sie gerade in meinem Fundus verfügbar war. Andere Typen wie z.B. BA121 o. ä. lassen sich verwenden, wenn sie ähnliche Eigenschaften besitzen. Es muss aber sichergestellt werden, dass die AFC-Steuerspannung (vom Ratiodetektor des ZF-Teils) den Wert von 15V nicht überschreitet, da die Varicap-Diode ansonsten leitend wird.

Aufbau:

Das Eingangsmischteil ist auf einer Platine mit den Abmessungen 92 x 110 mm aufgebaut. Mit Ausnahme der Spulen sind alle nicht "HF-kritischen" Bauteile wie Spannungsversorgung, Teiler etc. auf der Platinenoberseite angeordnet. Die Beschaltung der Röhrenfassungen wird auf der Leiterbahnseite in Handverdrahtung vorgenommen. Hierbei ist auf kürzeste Drahtenden der Bauteile zu achten, um keine unerwünschten zusätzlichen Induktivitäten zu erzeugen. Zur Erleichterung des Aufbaus sind im Schaltplan alle Bauteile, die sich auf der Leiterbahnseite der Platine befinden, rot eingezeichnet. Außerdem wurde für die Leiterbahnseite der Platine ein gesonderter Bestückungsplan erstellt.
Der Drehkondensator besitzt leider nur für 3 der 4 UKW-Pakete einen eingebauten Trimmer. Deshalb wird an der Fehlstelle (Eingangskreis) ein Folientrimmer 7,5mm (gelb, 10pF) mit einem kräftigen Lötkolben auf das Drehkogehäuse aufgelötet und mit dem zugehörigen Statorpaket verbunden.
Zur Abschirmung des Zwischenbandfilters und des Eingangskreises wird ein Abschirmblech aus 0,3mm Weißblech angefertigt. Hierzu benötigt man einen Streifen von ca. 15 x 150 mm. Dieser wird dann nach dem Bestückungsplan (blaue Linie) gebogen und auf der Platine mit Stiften in der durchgehenden Massefläche befestigt. Hierzu müssen an geeigneter Stelle zusätzliche Löcher gebohrt werden. Beide Röhren werden mit Abschirmhauben versehen.
Abschließend wird die Platine in ein Weißblechgehäuse eingebaut. Es besitzt Lüftungsschlitze in den Seitenteilen direkt über der Platine und zwei 30 mm große Bohrungen im Deckel, durch welche die "Röhrenzipfel" noch ca. 8-10 mm herausschauen. Hierdurch entsteht ein Kamineffekt, der das Gehäuse ständig frisch belüftet.
Die Verbindung des Mischteils "nach außen" geschieht ausschließlich über Durchführungskondensatoren und Teflon-Durchführungen. Die entsprechende Verdrahtung ist im Bestückungsplan für die Leiterbahnseite ersichtlich.
Soll das Mischteil über ein längeres Koaxkabel an den ZF-Verstärker angeschlossen werden, so ist es sinnvoll, das ausgangsseitige Parallel-C im Filter auszulöten. Am ZF-seitigen Ende des Kabels wird dann ein Trimmer von ca. 30 pF hinzugefügt, mit dem die Kabellänge angepasst wird. Der Trimmer ersetzt dann zusammen mit der Kabelkapazität das ausgebaute Parallel-C des Schwingkreises.
Bei sehr kurzen Kabellängen bis ca. 5 cm ist diese Maßnahme nicht erforderlich. Hier muß lediglich der Kern des Ausgangskreises beim Abgleich ein wenig herausgedreht werden.

Bemerkungen zur Frequenzkonstanz

Da der Tuner mit einer automatischen Scharfabstimmung betrieben werden kann, habe ich bei der Auswahl der frequenzbestimmenden Bauteile im Oszillator keine Anstrengungen in Bezug auf Temperaturkompensation unternommen. Ist die AFC ausgeschaltet, so dauert es ca. 10 Minuten, bis der Oszillator "steht". Wer im Besitz von passenden Kondensatoren mit unterschiedlichen TK’s ist, kann sich gerne der Mühe der Temperaturkompensation unterziehen...

Inbetriebnahme und Abgleich

Zur Inbetriebnahme des Mischteils ist es sinnvoll, zunächst eine reduzierte Betriebsspannung von ca. 130 V anzulegen, bei welcher der Oszillator noch sicher anschwingt. Diese Maßnahme vermindert eine eventuelle Schwingneigung, welche im unabgeglichenen Zustand teilweise zu beobachten war. Die ECC 2000 wird vorerst noch nicht bestückt.
Zunächst wird der Oszillator grob auf die Bandgrenzen abgeglichen (98- 119 MHz).
Die Frequenz kann entweder mit einem Grid-Dip-Meter oder einem Zähler, der an den Ausgang des Vorteilers angeschlossen wird, gemessen werden. Im letzteren Fall ist die gemessene Frequenz mit dem Faktor 256 zu multiplizieren.
Nun wird, wie üblich, die untere Frequenz mit dem Oszillatorspulenkern, die obere Grenze mit dem am Drehko angebrachten Trimmer wechselseitig eingestellt. Dieser Vorgang ist mehrfach zu wiederholen, bis die Bandgrenzen in etwa eingehalten werden.
Dieser Abgleich muß aber später, nachdem die endgültige Betriebsspannung angelegt wird, nochmals exakt durchgeführt werden.

Ein funktionsfähiger und fertig abgeglichener ZF-Verstärker wird an das Mischteil angeschlossen. Ein hochohmiges Messinstrument wird an den Ratio-Elko angeklemmt, um die dort anstehende Spannung zu messen.
Zunächst gleicht man die beiden ZF-Kreise des Mischteils ab. Dazu koppelt man ein 10,7 MHz-Signal lose an das Steuergitter des Pentodensystems der ECF 80 an. Die Kreise werden dann auf Spannungsmaximum am Ratio-Elko abgeglichen.
Nun koppelt man den Meßsender lose mit ca. 1-2 pF an das heiße Ende der am Gitter der Mischpentode liegenden Sekundärwicklung des Zwischenbandfilters an und speist ein zunächst kräftiges Signal von ca. 98 MHz ein. Dieses Signal sollte jetzt bei entsprechender Drehko-Abstimmung empfangen werden können.
Kann der Meßsender (z.B. mit 1 KHz) FM-moduliert werden, so erleichtert dies das Auffinden des Signals.
Die Spannung am Ratio-Elko sollte bereits etwas ansteigen. Der Kern des im Gitterkreis der Mischpentode liegenden Zwischenbandfilters kann jetzt grob auf Maximum vorabgeglichen werden. Wenn man nun statt des Meßsenders an gleicher Stelle eine Antenne lose ankoppelt, sollten bei einigermaßen guten Empfangsbedingungen schon mehrere Sender zu empfangen sein.

Zum weiteren Abgleich wird wie folgt verfahren:
1. Mischteil ausschalten und ECC 2000 einsetzen.
2. Wenn ein Grid-Dip-Meter verfügbar ist, im stromlosen Zustand den Eingangskreis (L2) und die beiden Zwischenbandfilterkreise (L3 & L4) bei eingedrehtem Drehko und Mittelstellung der zugehörigen Trimmer auf 87 MHz "dippen", ansonsten Kerne der 3 Kreise ganz eindrehen.
3. Mischteil in Betrieb nehmen. Meßsender an den Antenneneingang anschließen und bei ca. 87 Mhz, auf die Empfangsfrequenz abstimmen. Hierbei den Signalpegel so einstellen, dass die ZF deutlich vor dem Einsatz der Begrenzung arbeitet.
4. Nacheinander beginnend bei L4 über L3 bis zum Eingangskreis (L2) alle Kerne auf Maximum der Ratiospannung ziehen. Im Verlauf dieses Abgleiches muß der Eingangspegel vom Meßsender in der Regel sukzessive reduziert werden, um Begrenzung im ZF-Verstärker zu vermeiden.
5. Drehko ganz ausdrehen und mit Meßsender auf Empfangssignal bei ca. 108-109 MHz abstimmen. Mit Hilfe der Trimmer am Drehko Kreise L4...L2 auf Maximum abgleichen.
6. Punkt 3-5 so lange wiederholen, bis keine Verbesserung mehr erreicht wird.
7. Betriebsspannung auf vollen Wert (200V) erhöhen.
8. Punkte 3-6 wiederholen.
Die kapazitive Kopplung des Zwischenbandfilters muß so bemessen sein, daß keine überkritische Kopplung auftritt. Sind beim Abgleich der Spulen L3 und L4 zwei nebeneinander liegende Maxima zu beobachten, muß C8 verkleinert werden.
Bei zu großem C8 ist oft auch eine erhöhte Schwingneigung zu beobachten. Es empfiehlt sich, statt C8 zunächst einen Trimmer einzulöten und diesen nach dem Abgleich durch einen Festkondensator entsprechender Kapazität zu ersetzen.

Abschließende Bemerkungen

Während der Entwicklungs- und Aufbauzeit bestand ein ausgiebiger Kontakt zu Peter Treytl, der mich in allen auftretenden Fragen und Problemstellungen sehr kompetent unterstützte.
Dies ging soweit, daß Peter das Mischteil gleichzeitig aufbaute. Durch seine professionelle Meßtechnik und seine große berufliche Erfahrung hat er ganz erheblich zum erfolgreichen Abschluß dieses Projektes beigetragen. Von ihm stammt auch das in folgender PDF-Datei verfaßte abschließende Meßprotokoll, welches über die Eigenschaften des Mischteils Auskunft gibt.



UKW Eingangsteil - Messprotokoll

Für seine aufwändige Mitarbeit danke ich Peter Treytl an dieser Stelle sehr herzlich!

Alzey, 26.08.2007
Ernst Rößler


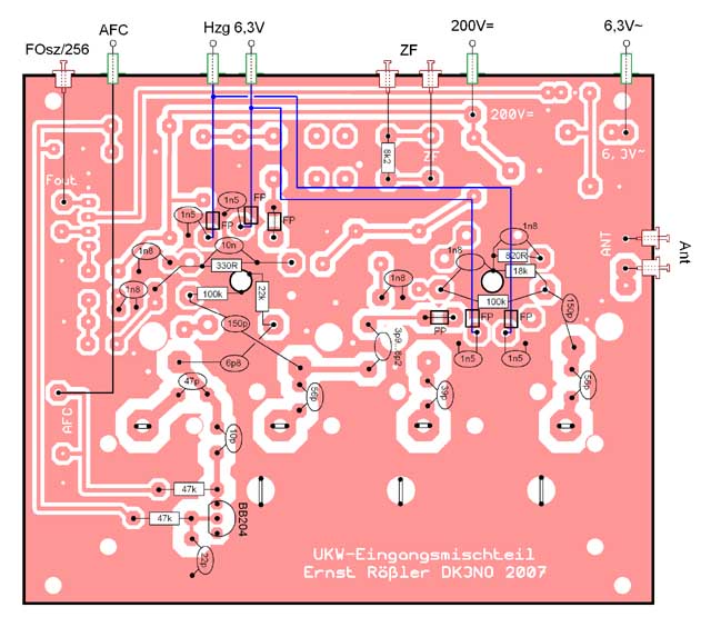
Das Layout des Mischteils

Layout des Mischteils
(Mit der Maustaste das Bild anklicken, es wird dann in voller Auflösung dargestellt.)

Das Layout als Postscript-File

Der Bestückungsplan des Mischteils - Oberseite

Bestückungsplan des Mischteils - Oberseite
(Mit der Maustaste das Bild anklicken, es wird dann in voller Auflösung dargestellt.)

Der Bestückungsplan des Mischteils - Unterseite

Bestückungsplan des Mischteils - Unterseite
(Mit der Maustaste das Bild anklicken, es wird dann in voller Auflösung dargestellt.)


Zurück