______________________________________________________________________________
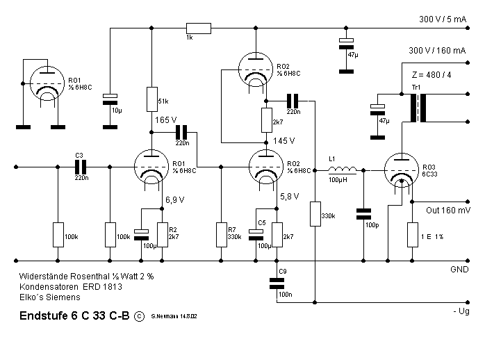
Hier die endgültigen Messdaten der Ausgangsleistung (eine Klirrfaktor-Messung ist z.Zt. wegen fehlendem
Meßgerät nicht möglich) :
Anodenspannung 300 Volt
Anodenruhestrom 120 mA
Übertrager 480 / 4 Ohm
Kern M102b
Induktivität 14 H
Röhre 6C33C-B
Leistung wurde bei 1 Khz gemessen
an 4 Ohm 21,6 Watt
an 8 Ohm 13,4 Watt
Musikleistung an 4 Ohm ca. 30 Watt
Frequenzgang 10 Hz bis 63 Khz -1db
______________________________________________________________________________
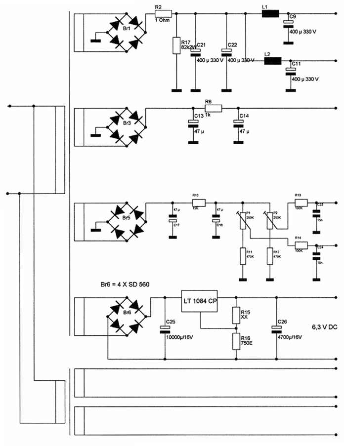
Die nachfolgenden Fotos zeigen das Netzteil des Verstärkers.
