Elektor - HiFi-Röhrenendstufe

Die folgende Baubeschreibung stammen aus dem Elektor - Heft November 1984.
Mit ausdrücklicher freundlicher Genehmung vom Elektor-Verlag GmbH, Aachen
(www.elektor.de)

Röhrenverstärker sind "in"! Jedenfalls war in den vergangenen Jahren bei den Audiofreaks ein deutliches Interesse an Röhren festzustellen. Manche behaupten, daß Röhren besser "klingen" als Transistoren - musikalischer sagen sie. Wir mischen uns lieber nicht in die Diskussion ein. Hören Sie bitte selbst!

Manchmal scheint es so, daß die Röhre schon ganz von der Bildfläche verschwunden ist. Aber besonders dort, wo es um hohe HF-Leistungen geht, ist sie immer noch unverzichtbar. Aber auch dort, wo sie anscheinend durch den Transistor zu ersetzen ist, gibt es Profis und Amateure, die hartnäckig an ihr festhalten. Das sind sicher nicht nur die Audiofreaks. Gerade die Funkamateure waren immer treue Röhrenfans. Sie können stundenlang Geschichten über Erlebnisse mit "ihren" Röhren erzählen. Da hört man zum Beispiel folgendes: "Transistoren sind wohl ganz nett, aber sie haben solch dünne Glühfäden!"
Na, gut. Geht es den HF-Technikern vor allem um die Unverwüstlichkeit und die Leistung, so haben die Audiofreaks ihre eigenen Gründe, Röhren einzusetzen. Wie wir schon einleitend sagten: Röhren "klingen" anders und besser als Transistoren.
Ob das nun wahr ist oder nicht, es scheint so zu sein, daß diese Ansicht sich verbreitet. Was nicht zuletzt auch an dem wachsenden Angebot von Röhren-Endstufen im High-End-Bereich zu erkennen ist.
So fühlen auch wir uns langsam dazu verpflichtet, etwas auf diesem Gebiet zu tun. Deshalb diese Röhren-Endstufe. Wir beginnen mit der bescheidenen Leistung von 10 W. Vielleicht kommt eines Tages auch noch eine stärkere Version. Aber wir können nichts versprechen!
Die Röhren selbst sind, genau wie Ausgangsübertrager und Netztransformator, immer noch gut erhältlich, das wird also kein Problem sein.


Technische Daten
Nennausgangsleistung: 10 W an 4, 8 oder 16 W
(bei richtiger Anpassung durch Ausgangsübertrager)
maximale Ausgangsleistung: 12 W
Klirrfaktor: 0,5% (50 Hz bis 20 kHz)
Eingangsempfindlichkeit: 200 mVeff
Eingangswiderstand: 1 MW
Dämpfungsfaktor: 25 W
Frequenzgang: 20 Hz bis 40 kHz + 1 dB bei 1 W
Gegenkopplung: ca. 26 dB

Die Schaltung
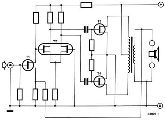
Die Schaltung ist offensichtlich "nostalgisch". Für diejenigen, die nicht mit Röhrenschaltungen aufgewachsen sind und für die solche Oldies vielleicht wie böhmische Dörfer aussehen, haben wir in Bild 1 einmal dargestellt, wie die Schaltung mit Halbleitern aussehen würde. Das schien uns eine gute Idee, wenn man bedenkt, daß es vor etwa 25 Jahren noch genau andersherum ging: Man erläuterte die neuesten Transistorschaltungen im Vergleich zu den damals noch geläufigen Röhrenschaltungen!


"Nicht-Röhren-Kennern" wird die in Bild 1 skizzierte Schaltung verblüffend einfach erscheinen. Eine Vorverstärkerstufe (T1), ein Differenzverstärker (T2) und zwei Endtransistoren - das ist alles! Mit normalen, bipolaren Transistoren läßt sich ein solcher Verstärker nicht aufbauen. Da gehören noch ein paar Treiberstufen dazu.
Damit kommen wir auch gleich zu einem offensichtlichen Vorteil der guten alten Röhre. Von den modernen Halbleiter kann sich - was das betrifft - nur der MOS-FET mit der Elektronenröhre messen.
Also nun zu der "echten" Schaltung. Die ist in Bild 2 zu sehen. Kompensationsnetzwerke und Entkoppelkondensatoren mal außer Acht gelassen, ist deutlich zu erkennen, daß die Schaltung im Prinzip so aussieht wie in Bild 1.


Eine Pentode vom Typ EF 86 (B1) dient als Vorverstärker. Dann folgt ein "Phasendreher" mit der Doppeltriode ECC 83 (B2), und schließlich eine Gegentaktendstufe mit zwei Pentoden EL 84, die über einen Ausgangsübertrager den Lautsprecher steuert.
Die EF 86 (eine speziell für HiFi-Zwecke entwickelte Röhre !) ist als Triode geschaltet und auf eine Verstärkung von etwa 20-mal eingestellt. Das parallel zum Anodenwiderstand R5 liegende Filter R6/C3 bewirkt eine Verstärkungszunahme bei hohen Frequenzen - eine Maßnahme zur Verbesserung der Stabilität. Die zur Ansteuerung der Endröhren notwendige Phasendrehung wird mit der Doppeltriode ECC 83 mit Katodenkopplung erreicht. Ein solcher "Differenzverstärker" hält den Klirrfaktor minimal und gestattet außerdem eine direkte Kopplung an die Vorverstärkerröhre, denn die Gitter der Doppeltriode müssen wegen des großen Spannungsabfalls über R7 auf positivem Potential liegen.
Die Endstufe besteht aus einer konventionellen Gegentaktschaltung mit zwei EL 84, die auf eine Anodenspannung von 310 Volt eingestellt sind. Da die Röhren B3 und B4 eigene Kathodenwiderstände haben (R17, R18), brauchen sie nicht unbedingt gepaart sein. Der Gewinn wäre dadurch nur gering. Widerstände in Reihe mit den Gittern (R15, R16) und in Reihe mit den Schirmgittern (R19, R20) tragen zur Stabilität der Schaltung bei.
Es gibt Ausgangsüberträger, die auf der Primärseite mit speziellen Schirmgitter-Wicklungen ausgestattet sind. Mit solchen Spezialübertragern baut man sogenannte Ultralinear-Endstufen. Die Schirmgitter-Wicklungen werden in diesem Fall mit den Schirmgittern der Röhren B3 und B4 (Anschlüsse A und C) verbunden. Steht kein Ultralinear-Übertrager zur Verfügung, dann werden die Anschlüsse A und C an Masse gelegt (Anschluß B).
Noch etwas zur Gegenkopplung. Sie wirkt über den gesamten Verstärker, also von der Sekundärseite des Übertragers auf den Teilkathodenwiderstand am Knotenpunkt R2/R3 der ersten Röhre. Deshalb hängt die Dimensionierung des Gegenkopplungsnetzwerks C2/R4 von der Impedanz des angeschlossenen Lautsprechers ab. Die entsprechenden Werte sind in einer Tabelle in Bild 2 aufgelistet.
Schließlich noch etwas zum Netzteil. Das ist glücklicherweise eine ganz einfache Angelegenheit, die sich auf das bekannte Trafo/Brückengleichrichter/Elko-Rezept stützt. In diesem Fall braucht man einen Netztransformator mit zwei Sekundärwicklungen für Röhren:
Für die Anodenspannung von 310 V ist eine 250-V-Wicklung erforderlich, die mindestens 75 mA liefern muß. Außerdem wird eine 6,3-V-Heizstromwicklung benötigt, von der ungefähr 2 A Strom gefordert werden.


Der Aufbau
Obwohl im Röhrenzeitalter auf eine etwas andere Art gebaut wurde, gibt es eigentlich keinen Grund, warum der Röhrenverstärker nicht - genau wie ein Transistorverstärker - auf eine Platine gesetzt werden kann. Schließlich gibt es schon lange Röhrensockel für Platinen, und die übrigen Bauteile unterscheiden sich auch nicht von denen für einen Transistorverstärker.
Bild 4 zeigt die Platine für die Röhren-Endstufe. Sehr kompakt, aber es paßt doch alles außer Ausgangsübertrager und Netztrafo darauf.


R21 muß man auf die Lautsprecherklemmen löten. Über die Bestückung der Platine brauchen wir nicht viel zu sagen. Für jemand, der ein bißchen löten kann, ist das eine problemlose Angelegenheit, die wohl nicht länger als eine Stunde dauern wird.


Ein paar Details möchten wir aber doch erwähnen.
Die Anschlüsse für die Röhrenheizungen muß man direkt an die entsprechenden Sockelanschlüsse auf der Platine legen. Dazu eignet sich am besten flexible Litze mit großem Durchmesser, wie sie zum Beispiel in Netzanschlußkabeln oder Lautsprecherkabeln verwendet wird. Immerhin fließt hier ein Heizstrom von 2 A !
Die Anschlußdrähte werden nach dem Löten verdrillt.
Bei den Röhren B1, B3 und B4 liegt die Heizung an den Anschlüssen 4 und 5, bei der Doppelröhre sind es die Anschlüsse 4, 5 (sind schon auf der Platine miteinander verbunden!) und 9. Für die Siebelkos C11 und C12 ist auf der Platine Platz für einen Doppelelko (2 mal 50 µF/450 V in einem Gehäuse), der am meisten verbreitet ist. Man kann natürlich auch einen 100µF/450-V-Elko einsetzen.
Noch eine letzte - vielleicht überflüssige - Anmerkung: Die Röhren dürfen erst dann in die Sockel gesteckt werden, wenn die Lötarbeiten beendet sind!

Nun zu den Trafos. Sowohl Netztrafo als auch Ausgangsübertrager wurden schon mehrfach erwähnt. Geeignete Trafos bietet zum Beispiel die Firma HLS an (die altbekannten "Engel"-Trafos). Die in der Stückliste genannten Netztrafo-Typen NTR4 und NTR5 von HLS sind sehr gut geeignet. Aber auch die Wühltische mancher Fachhändler geben noch etwas Brauchbares her. Das gilt übrigens auch für den Ausgangsübertrager. Auf der Primärseite müssen Wicklungen mit 2 mal 4 k W vorhanden sein, am besten mit Schirmwicklungen. Die Impedanz auf der Sekundärseite hängt vom angeschlossenen Lautsprecher ab. Normalerweise fragt man im Fachhandel nach einem 10-W-Röhren-Ausgangsübertrager oder nach einem Übertrager für die Gegentaktendstufe mit 2 mal EL 84. Sehr gut geeignet sind die Typen Gü9 und Gü14 von HLS.
In unserem Labormuster haben wir einen schon etwas betagten Übertrager vom Typ Unitran 9U14 eingesetzt - er funktioniert immer noch prima!

Einbauen und Verdrahten
Mechanisch gesehen ist der Aufbau der Röhrenendstufe zu einem kompletten Gerät eigentlich kein Aufwand. Zumindest wenn man die Sache mit einem Transistorverstärker vergleicht. Röhren brauchen nämlich keinen Kühlkörper wie Transistoren. Somit hat man einige "Freiheiten" mehr in der Gehäusewahl. Sofern alles hineinpaßt, ist jedes stabile Metallgehäuse brauchbar.
Noch eine allgemeine Bemerkung zum Gehäuse: Es muß ausreichend viele Luftlöcher haben, damit die Wärme, die die Röhren erzeugen, gut abgeführt wird. In etwas kleineren Gehäusen sollte man die Platine(n) an den Seitenwänden anbringen, damit die Luft gut an den Röhren vorbeiströmen kann.
Ein wichtiges Kriterium beim Verstärkerbau ist die Verdrahtung. Fehler, die dabei gemacht werden, führen zu starkem Brummen, das man nur mühsam wieder beseitigen kann. Im Prinzip gelten für die Verdrahtung immer dieselben Regeln, ob nun Transistor- oder Röhren-Endstufen gebaut werden. Die wichtigsten sind:
Einen zentralen Massepunkt nehmen, und alle Masseleitungen des Verstärkers direkt dorthin führen! Das Gehäuse entweder mit dem zentralen Massepunkt odermit der Eingangssignalmasse verbinden: Probieren, was zum "geringsten" Brumm führt!
Die Verdrahtung zwischen der (den) Eingangsbuchse(n) und der (den) Platine(n) mit abgeschirmtem Kabel ausführen. Die Leitungen so kurz wie möglich halten, und Brummschleifen vermeiden!
Achten Sie bitte auf den polaritätsrichtigen Anschluß der Gegenkopplung am Ausgangsübertrager. Wenn das "warme" und das "kalte" (Masseanschluß) Ende am Übertragerausgang verwechselt werden, beginnt der Verstärker hörbar zu schwingen.
Kontrollieren Sie bitte vor dem Einschalten der Röhrenendstufe, ob die Anoden von B3 und B4 über die Primärwicklung von Tr1 mit der Betriebsspannung von 310 V verbunden sind, sonst arbeiten die Schirmgitter als Anoden und brennen mit der Zeit durch.

Schließlich
Wenn Sie die Platine anhand des Bestückungsplans und der Schaltung aufgebaut und zusammen mit Netztrafo und Ausgangsübertrager nach allen Regeln der Elektronikkunst eingebaut haben (Bild 6), dann muß die Sache eigentlich gut funktionieren.


Ein Abgleich ist nicht vonnöten - ein weiterer Vorteil! Man sollte allerdings vor der endgültigen Inbetriebnahme alle Meßwerte mit denen in Bild 2 vergleichen. Stimmt einer der angegebenen Werte nicht überein, dann prüfen Sie bitte Leiterbahn- und Leitungsführung noch einmal nach. Die Meßwerte müssen natürlich nicht ganz genau stimmen. Toleranzen von etwa 10% sind schon "drin".
Noch ein wichtiger Hinweis: Für eine Stereo-Endstufe brauchen Sie alles das, was in Bild 2 angegeben ist doppelt - also zwei Platinen, zwei Netztrafos (oder einen Netztrafo mit der doppelten Leistung) und zwei Ausgangsübertrager!

Stückliste (Mono-Ausführung !)
Widerstände:
R1, R8 = 1 M 1/4 W
R2 = 1k8 1/4 W
R3 = 100 W 1/4 W
R4 = 3k3...6k8 1/4 W
R5, R11, R12 = 100 k 1/2 W
R6 = 3k9 1/4 W
R7 = 68 k 1/2 W
R9 = 180 k 1/2 W
R10 = 33 k 1/2 W
R13, R14 = 820k 1/4 W
R15, R16 = 4k7 1/4 W
R17, R18 = 270 W 1 W
Kohleschicht-Widerstände
R19, R20 = 47 W 1 W
R21 = 1 k 1/2 W
Kondensatoren:
C1 = 10 µF/16 V
C2 = 560 p...1n2, Styroflex
C3 = 330 p, Styroflex
C4, C7, C8 = 100 n/400 V
C5, C6 = 10 µF/450 V (stehend)
C9, C10 = 47 µF/25 V
C11.C12 = 50 µF/450 V (in einem Gehäuse!)
Halbleiter und Röhren:
D1. ..D4 = 1N4007
B1 = EF 86
B2 = ECC 83
B3, B4 = EL 84
außerdem:
F1 = Feinsicherung, 1 A/250 V mit Halter
S 1 = doppelpoliger Netzschalter
Tr1 = Ausgangsübertrager für 2 x EL 84, 2 x 4 kW primär;
4, 8 oder/und 16 W sekundär (z.B. Gü9 oder GÜ14, HLS)
Tr2 = Netztrafo ca. 75 mA bei 250. . .300 V und 2 A bei 6,3V (z.B. NTR4 oder NTR5, HLS)
Noval-Röhrensockel für B1. . .B4
Phonobuchse (Eingang)
2 Telefonbuchsen (Ausgang)
Platine 84095 (Elektor)

Oliver Fleischmann, der sich diesen Amp nachgebaut hatte, teilte mir sein Erfahrungen darüber mit:
Die Angabe, wie bei Ausgangsübertragern ohne Schirmgitteranzapfung (nicht-Ultralinear) zu verfahren ist, ist nicht ganz korrekt. Die Anschlüsse A und C werden in diesem Fall mit dem Punkt B oder M verbunden, also an die Versorgungsspannung gelegt (nicht an Masse).

Nach meiner Erfahrung ist der Verstärker problematisch, wenn er aus einem Stromnetz mit hohem Innenwiderstand und starken Störimpulsen versorgt wird.

Bei mir führt das zu ziemlich lauten Knacksern, wenn ich das Licht im Wohnzimmer einschalte oder der Motor vom Kühlschrank anläuft.

Im Kaltgerätestecker ist sowieso ein Netzfilter drin, eine testweise Erhöhung der Siebkapazität (zum Test fast 1000 µF) brachte gar nichts.

Ich würde deshalb im Netzteil jetzt auf CLC-Siebung setzen, das war anscheinend auch mal so vorgesehen (siehe die zwei parallelgeschalteten 50 µ-Kondensatoren im Netzteil). Also Trafos mit 260 bis 270 V Sekundärspannung und zwischen den beiden Elkos eine Drossel mit ca. 5 H. - Achtung, dazu muss die Leiterplatte geändert werden!

Leider sind die Spannung meiner Netztrafos sowie der Platz im Gehäuse zu knapp, so daß ich das bisher nicht realisiert habe.
Bei Gelegenheit will ich es mal mit Gyratoren (Drossel mit Transistor simuliert) versuchen, die bekomme ich noch unter. Der Spannungsverlust ist dann allerdings immer noch vorhanden.

Zur Geschichte meines Verstärkers ist vielleicht noch interessant:
Ich habe ihn als "Bausatz" bei Ebay ersteigert, zwei bestückte Leiterplatten, Trafos, Übertrager und Röhren. Auf den Leiterplatten habe ich fast alle Bauteile gegen qualitativ hochwertigere ausgetauscht.
Möglicherweise war der Vorbesitzer mit dem Frequenzgang nicht zufrieden, denn C7 und C8 waren falsch bestückt und zu klein.

Zurück