Der Equalizer für den Röhren-Verstärker

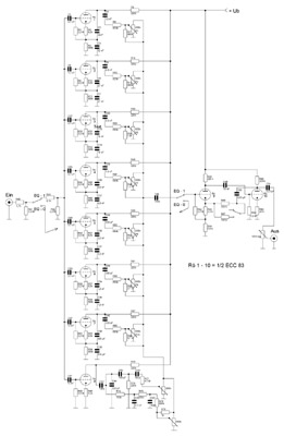
Sehr umfangreich ist der Aufbau eines Equalizers. Der hier vorgestellte ist mit 5 Röhren ECC 83, bzw. E 88 CC, pro Kanal aufgebaut.

Equalizer.jpg (187.635 Byte)



Aufgrund der großen Datenmenge des Schaltbildes habe ich es hier mit Rücksicht auf die Ladezeit sehr stark verkleinert und komprimiert dargestellt. Mit einem Mausklick kann man es sich in der Originalgröße (167,648 kByte) anzeigen lassen.



Sämtliche Einstellpoties sind in linearer (Stereo-) Ausführung, sie sind zweckmäßigerweise mit der gesamten Schaltung auf einer hierfür anzufertigenden Platine aufzubauen.

Die Anodenspannung sollte, gut gesiebt, etwa 340 Volt betragen. Die Röhrenheizungen sollten unbedingt mit Gleichspannung versorgt werden.
Mit dieser Schaltung - in Verbindung mit dem hier bereits vorgestellten CD-Filter sowie dem Vorverstärker mit RIAA-Entzerrung aufgebaut - erhält man eine sehr hochwertige Baugruppe, die fast alle Lautsprecherunzulänglichkeiten beheben kann.
- Sollte der auch auf dieser Verstärker-Seite vorgestellte RIAA-Vorverstärker verwendet werden, entfällt der rechte Schaltungsteil der RIAA-Schaltung ab dem Lautstärkeregler. Die Anschlußleitung die in der RIAA-Schaltung an den Lautstärkepotie führt wird an den Eingang des Equalizers gelegt. Aufgrund der verschiedenen schaltbaren Eingänge in der RIAA-Schaltung (mittlerer teil, oben) erhält man gleich die notwendigen Eingänge für TB, Tuner, MD, etc.



Zurück zur Hauptseite