
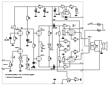
Hier nun die an diese Endröhre angepasste Schaltung:
(Mit der Maustaste das Bild anklicken, es wird dann in voller Auflösung dargestellt.)
Es folgt zunächst das Platinenlayout als JPG-Datei:

(Die Platinen sind 170 mm x 130 mm groß)
Das Layout der Platinen als Postscript-Datei :
Grommes260A_AMP_Layout.PS
(Postscript Dateien bieten beste Auflösung. Einfach in Corel Draw oder anderes Vektor-Zeichenprogramm importieren
und dann drucken oder auf Film belichten lassen, das ergibt höchste Kantenschärfe und beste Maßhaltigkeit !)
Zum Abschluß noch der Bestückungsplan zur Platine:
