Verstärker mit GU 50 in Klasse A - Betrieb

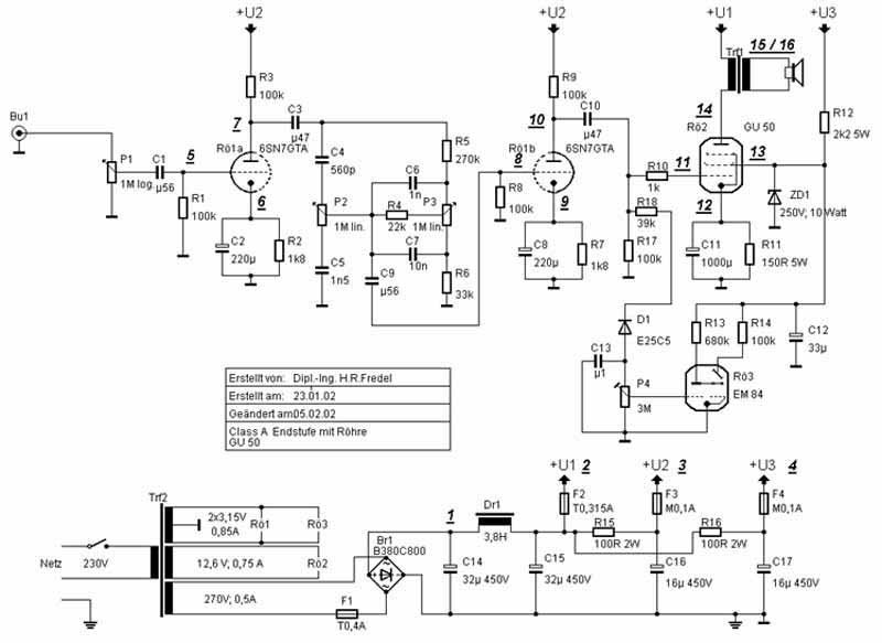
Die nachfolgend beschriebene Röhrenendstufe wurde als Versuchsaufbau aufgebaut und durchgemessen.


Der Aufbau erfolgte, mit Ausnahme des Ausgangsübertragers, mit handelsüblichen bzw. vorhandenen Bauteilen.
Als Netztransformator wurde ein Trafo aus einer defekten, nicht mehr reparierbaren ELA - Röhrenendstufe verwendet. Er weist als Besonderheit eine Heizwicklung mit Mittelanzapfung zur Heizung der Vorstufenröhren auf. Diese Mittelanzapfung wurde zur Brummminimierung und Spannungssymmetrierung an Masse gelegt.
Die Siebdrossel ist aus einem alten Philips - Schwarzweiß - Fernsehgerät. Sie hat folgende gemessene Daten: Induktivität: L = 3,8 H Gleichstromwiderstand: R = 75 W




Das Netzteil weist sonst keine Besonderheiten auf.
Die Endstufenröhre GU 50 darf in der vorliegenden Schaltung, laut Datenblatt, eine max. Schirmgitterspannung von 250 Volt erhalten. Diese wird durch den Widerstand R 12 und der Zehnerdiode ZD 1 erzeugt. Im Versuchsaufbau wurde diese Z - Diode durch eine Reihenschaltung von 7 Einzeldioden ersetzt, da eine Diode mit 250 Volt nicht zur Verfügung stand. Eine Kühlung der Dioden ist nicht erforderlich, da auch im ungünstigsten Toleranzfall nur eine Verlustleistung von ca. 6 Watt auftritt.


Der Elko C 12 die zur Siebung und Stabilisierung der Schirmgitterspannung. Der Wert wurde so hoch gewählt, da die, durch den Schirmgitterstrom an R 12 hervorgerufenen Spannungsschwankungen, sonst eine unzulässige Amplitudenmodulation bewirken.
Der Kathodenwiderstand R 11 legt den Arbeitspunkt der Röhre fest. Der Ruhestrom durch die Röhre wurde lt. Applikationsbericht auf 130 mA festgelegt. Dieser Ruhestrom stellte sich bei der verwendeten Röhre und einer weiteren Versuchsröhre allerdings nicht bei einer Gittervorspannung von - 24 Volt, sondern schon bei - 19 Volt ein. Dadurch ergab sich ein Wert für R 11 von 150 W statt 185 W.
Der Elko C 11 wurde mit 1000 µF so groß gewählt, um den Wechselspannungsabfall über R 11 bei Aussteuerung möglichst klein zu halten. Dieser bewirkt sonst eine Anhebung der unteren Grenzfrequenz durch Gegenkopplung.


Zur Vollaussteuerung der GU 50 sind lt. Datenblatt ca. 17 Veff (25 dBm) NF-Spannung erforderlich. Diese Spannung ist leicht mit einer Hälfte der Röhre 6 SN 7 GTA zu erreichen, da die Spannungsverstärkung in der vorliegenden Schaltung etwa 25 dB beträgt. Damit erreicht man bei einem Eingangspegel von 0 dBm die erforderlichen 25 dBm.
Das eingefügte Klangregelnetzwerk hat eine Einfügungsdämpfung von ca. 20 dB. Deshalb ist eine zweite Verstärkerstufe erforderlich. Diese ist wie die erste aufgebaut und hat ebenfalls 25 dB Verstärkung. Dadurch erhöht sich die Eingangsempfindlichkeit auf - 5 dBm.


Als kleine, aber nützliche Spielerei habe ich noch eine Aussteuerungsanzeige mit der Röhre EM 84 vorgesehen. Über den Widerstand R 18 erhält die Selengleichrichterdiode D 1 das NF - Signal. Hier erfolgt eine Spitzenwertgleichrichtung, die den Kondensator C 13 auf den negativen Spitzenwert der NF-Spannung auflädt. Über den Trimmer P 6 wird dieser während der positiven Halbwellen entladen. Über den Schleifer des Trimmers erhält das Steuergitter der EM 84 die negative Spannung des Kondensators C 13. Je negativer diese Spannung ist, je mehr verringert sich die Schattenbreite auf dem Leuchtschirm.


Mit dem Trimmer stellt man die Schattenbreite so ein, dass bei Vollaussteuerung die Schattenbreite gerade Null wird.

Wie aus den nachfolgenden Kurven zu entnehmen ist, haben die beiden Vorstufen mit der Klangregelung einen Frequenzgang von 9 Hz - 30 kHz - 3dB. Der Gesamtfrequenzgang wird durch den Ausgangsübertrager und die Endröhre bestimmt. Dieser liegt bei 40 Hz - 25 kHz - 3 dB.
Die erzielte Leistung lag bei Belastung mit einem Ersatzwiderstand von 9,4 W bei ca. 10 Watt und bei Belastung mit einer Zweiweg - LS - Box 8 W bei 11 Watt.
In der Abschlussbetrachtung wäre zu sagen, dass evtl. eine Frequenzgangverbesserung und eine Leistungserhöhung durch eine Optimierung des Ausgangsübertragers zu erreichen wäre.


Messergebnisse

Bei zwei Messwerten in einem Feld, handelt es sich bei dem Ersten um die Spannung bzw. den Strom ohne Ansteuerung und bei dem Zweiten um Spannung bzw. Strom bei Vollaussteuerung mit einem Sinussignal 1000 Hz und - 6 dbm.
Bei Messwert 15 ist der Ausgang mit einem Widerstand 9,4 Ohm abgeschlossen, bei Messwert 16 mit einer Zweiweglautsprecherbox 8 Ohm.

 
1
2
3
4
5
6
7
8
9
10
11
12
13
14
15
16
U= [V]
360
347
347
347
347
345
343
0
4,05
115
0
3,97
114
0
0,22
19,74
21,00
256
255
320
   
I= [mA]
 
122,5
119
2,2
2,2
37,4
38,6
0
2,2
2,2
0
2,2
2,2
0
120
4,9
18,5
122,5
119
   
U~ [Vss]
40
0,5
1,0
0,2
0,4
0,3
0,4
1,5
0
25
2,8
0
44
0
44
0
0,23
0,3
520
28
30
I~ [mA]
 
74,1
   
0
0
0
0
0
0
0
0
0
74,1
970
870
ATB
       
1 blau
 
1
rot
     
2
     
3
 


Frequenzbereich : 1 Hz - 30 kHz
Blau MP 5
Rot MP 7


Frequenzbereich: 1 Hz - 30 kHz
Blaue Kurve: Höhen - und Tiefenregler in Mittelstellung
Rote Kurve: Höhenregler Mittelstellung, Tiefenregler Linksanschlag
Dunkelgrüne Kurve: Höhenregler Mittelstellung, Tiefenregler Rechtsanschlag
Hellgrüne Kurve: Höhenregler Linksanschlag, Tiefenregler Mittelstellung
Violette Kurve: Höhenregler Rechtsanschlag, Tiefenregler Mittelstellung


Frequenzbereich: 5 Hz - 30 kHz
Blaue Kurve: Höhen - und Tiefenregler in Mittelstellung
Rote Kurve: Höhenregler Mittelstellung, Tiefenregler Linksanschlag
Dunkelgrüne Kurve: Höhenregler Mittelstellung, Tiefenregler Rechtsanschlag
Hellgrüne Kurve: Höhenregler Linksanschlag, Tiefenregler Mittelstellung
Violette Kurve: Höhenregler Rechtsanschlag, Tiefenregler Mittelstellung


Frequenzbereich 10 Hz - 20 kHz
Blaue Kurve: Aussteuerung des Verstärkers (Frequenzgangkurve)
Rote Kurve: Klirrfaktor K2
Grüne Kurve: Klirrfaktor K3
Gemessen am MP 11


Frequenzbereich: 10 Hz - 30 kHz
Signaleinspeisung über C 10 auf g1 der Rö 2
Ausgang MP 15


Frequenzbereich: 5 Hz - 30 kHz
Blaue Kurve: Höhen - und Tiefenregler in Mittelstellung
Rote Kurve: Höhenregler Mittelstellung, Tiefenregler Linksanschlag
Dunkelgrüne Kurve: Höhenregler Mittelstellung, Tiefenregler Rechtsanschlag
Hellgrüne Kurve: Höhenregler Linksanschlag, Tiefenregler Mittelstellung
Violette Kurve: Höhenregler Rechtsanschlag, Tiefenregler Mittelstellung


Frequenzbereich 10 Hz - 20 kHz
Blaue Kurve: Aussteuerung des Verstärkers (Frequenzgangkurve)
Rote Kurve: Klirrfaktor K2
Grüne Kurve: Klirrfaktor K3
Gemessen am MP 15


Frequenzbereich 10 Hz - 20 kHz
Blaue Kurve: Aussteuerung des Verstärkers (Frequenzgangkurve)
Rote Kurve: Klirrfaktor K2
Grüne Kurve: Klirrfaktor K3
Gemessen am MP 15


Frequenzbereich: 10 Hz - 30 kHz


Frequenzbereich: 10 Hz - 30 kHz

Zurück zur Hauptseite