OTL-Verstärker mit 8 x 6AS7G pro Kanal
Diese Beschreibung mit Bauanleitung sandte mir ein guter Bekannter zu, der nicht Namentlich genannt werden möchte.



Beschreibung zum OTL-Verstärker

Meine Beweggründe einen OTL-Verstärker zu bauen waren weniger der absolute High-End-Sound, sondern viel mehr mir zu beweisen, dass eine solche Schaltung auch tatsächlich funktioniert.
Es kamen für eine solche Schaltung drei verschiedene Röhrentypen in Frage: die 6AS7G, die 6C33C und die PL519.
Die 6C33C war mir aufgrund ihrer Grösse von der ersten Begegnung an sehr unsympathisch. Auch der etwas speziellere Sockel und der hohe Heizstrom hielt mich davon ab, diese Röhre zu verwenden. Mit der PL 519 hatte ich Messversuche durchgeführt. Diese Röhre ist allerdings aufgrund ihrer Schwingungsfreudigkeit recht schwer zu zügeln. Auch ist bei dieser Röhre zusätzlich für eine geregelte Schirmgitterspannung zu sorgen, was zu zusätzlichem Schaltungsaufwand führt.
Die Triode 6AS7G oder auch der äquivalente russische Typ 6H13C boten diesbezüglich mehr Vorteile. Sie sind relativ günstig zu bekommen, haben einen gängigen Sockel und sind ziemlich linear - was dem Klirrfaktor zu gute kommt.

Es galt nun zu bestimmen, ob die Schaltung in der Brücken- oder PPP-Technik aufgebaut werden soll. Dieser Entscheid hat sich nach einem Versuchsaufbau herauskristallisiert. Die Brückenschaltung zeigte unangenehme, sehr tieffrequente DC-Schwankungen. Die PPP-Schaltung verhielt sich jedoch überraschenderweise sehr stabil.

Zur Schaltung

Schaltung Loftin-White mit PL84 in Pentodenschaltung
(Mit der Maustaste das Bild anklicken, es wird dann in voller Auflösung dargestellt.)
(Schaltung des Netzteils, Platinenlayouts, Stückliste und weitere Fotos am Ende dieser Seite)

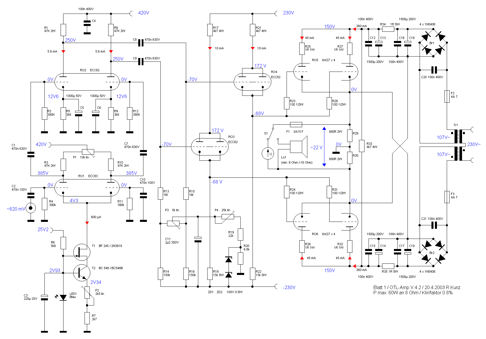
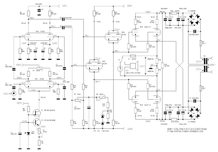
Röhre 1 bildet eine Phasenumkehrstufe nach dem Differenzverstärker-Prinzip. Sie wird von einer zusätzlichen Konstantstromquelle, die T1 und T2 bildet, optimiert. Mit P1 kann die Umkehrstufe auf optimale Symetrie eingestellt werden. Danach gelangt das Gegentakt-Signal auf Röhre 2, die ausschliesslich für eine hohe Spannungsverstärkung sorgt.
Für die entsprechende Stromverstärkung sorgen die Röhren 3 und 4. Es sind jeweils zwei Trioden parallel geschaltet, um den Innenwiderstand sehr niedrig zu halten. Mann könnte hier auch beispielsweise eine 12BH7 einsetzen. Es war mir aber wichtig, für den Verstärker, wenn möglich gut erhältliche Röhren zu verwenden.
Auch die Endröhren arbeiten ausschliesslich als Stromverstärker. Da der Lautsprecher im Kathodenkreis liegt, bildet er zusammen mit den Röhren eine Gegenkopplung über eine Stufe, was auch wieder der Klirr-Reduktion zugute kommt.
Versuche, die Schaltung mit einer Gegenkopplung zu versehen, führten zu einem eher negativen Erfolg. Da bei einer Gegenkopplung über alle Stufen das Signal immer symmetrisch bleiben müsste währe es nötig, das Signal jeweils von den Kathoden der Endröhren über Widerstände an die Gitter der Phasenumkehr-Röhre zu leiten. Dies führte bei meinen Versuchen zu einer Instabilität und Asymetrie der Signals. Um das Problem zu lösen, müsste man am Ausgang einen kleinen Üertrager zur Asymetrierung hinzuschalten und das Signal dann auf den Eingang zurückführen. Oder die Endstufe wird immer symetrisch angesteuert, was eine Phasenumkehrstufe Überflüssig macht. Da jedoch der Klirrfaktor ohnehin sehr tief ist, habe ich die Gegenkopplung weggelassen.
Ich empfehle eine Lautsprecher-Impedanz von minimum 8 Ohm, besser sind 16 Ohm. Bei 16 Ohm ist die Fehlanpassung der Innenwiderstände viel geringer als mit 8 Ohm, was die Endröhren bei grösserer Lautstärke entlastet.

Abgleich
Wichtig! Vor der ersten Inbetriebnahme Gittervorspannung der Endröhren auf min. ca. -75 Volt einstellen (P4 an linken Anschlag). P2 an den Rechten Anschlag drehen. P1 und P3 in Mittelstellung. 2 Voltmeter od. einzeln über R34 und R35 anschliessen. Einschalten. Ruhestrom mit P4 auf 360 mA (entspricht 360 mV) einstellen.
DC-Voltmeter am Ausgang anschliessen und mit P3 auf 0V abgleichen.
8 Ohm Widerstand (min. 60 W) am Ausgang anschliessen. Tongenerator 1 kHz am Eingang anschliessen. Klirrfaktormessbrücke und Kathodenstrahl-Oszilloskop über Trenn-Transformator am Ausgang anschliessen. Verstärker auf ca. halbe Leistung hochfahren. Mit dem Justieren von P1 und P2 auf minimalen Klirr einstellen. (Mit System vorgehen!) Am Schluss gleiche Messung bei voller Leistung. Eventuell Ruhestrom noch etwas erhöhen.
Nach ca. 10 Stunden Betrieb Nach-Abgleich vornehmen.

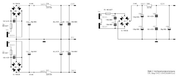
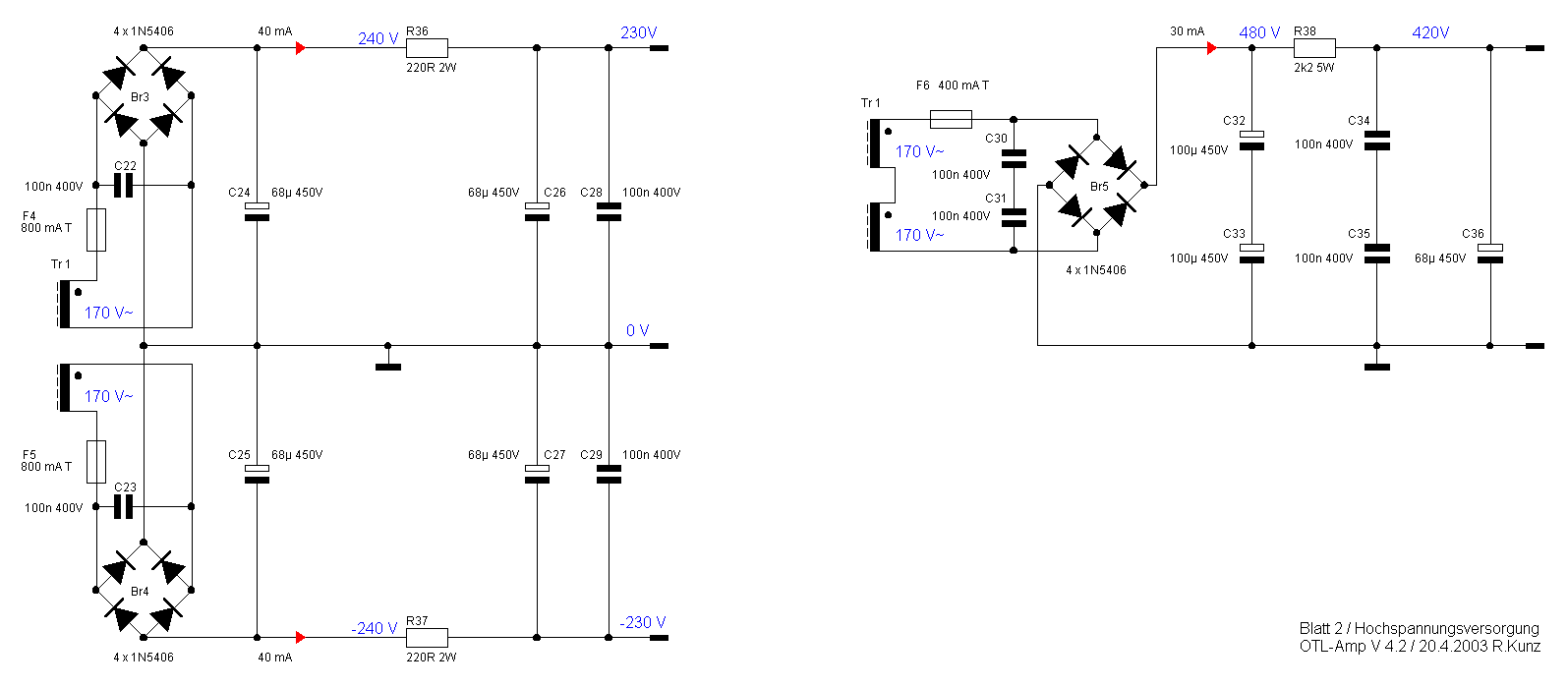
Die Schaltung des Hochspannungs-Netzteils:

Schaltung Loftin-White mit PL84 in Pentodenschaltung
(Mit der Maustaste das Bild anklicken, es wird dann in voller Auflösung dargestellt.)


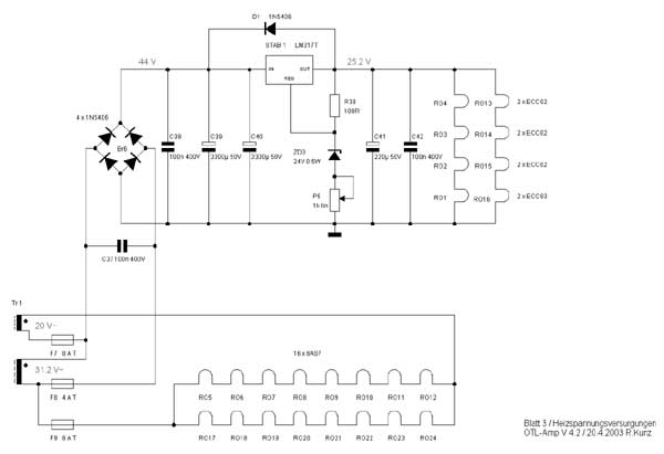
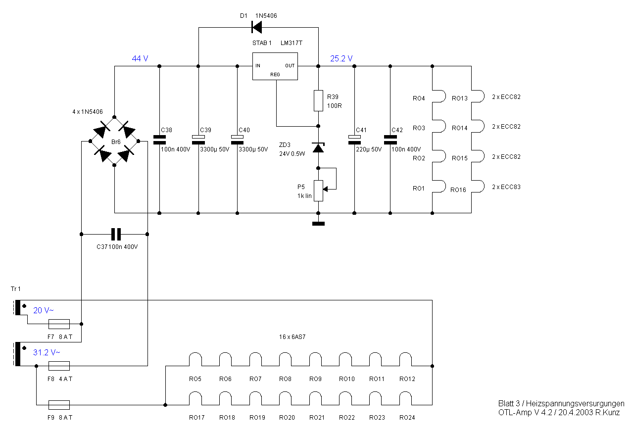
Die Schaltung des Heizungs-Netzteils, mit Gleichstromheizung:

Schaltung Loftin-White mit PL84 in Pentodenschaltung
(Mit der Maustaste das Bild anklicken, es wird dann in voller Auflösung dargestellt.)


Das Vorstufen-Platinenlayout -

Schaltung Loftin-White mit PL84 in Pentodenschaltung
(Mit der Maustaste das Bild anklicken, es wird dann in voller Auflösung dargestellt.)

- und der Bestückungsplan dazu :



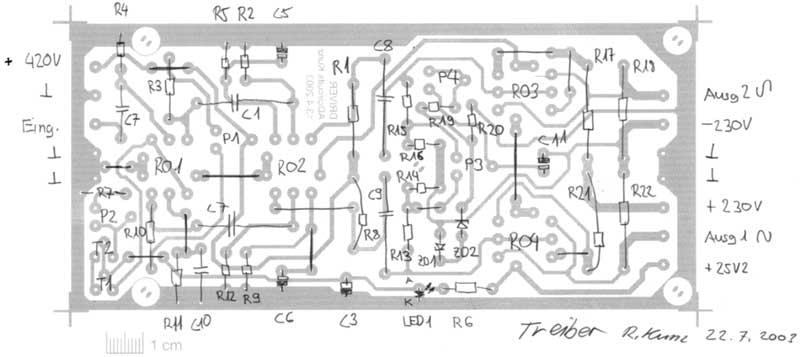
Das Treibernetzteil-Platinenlayout -

Schaltung Loftin-White mit PL84 in Pentodenschaltung
(Mit der Maustaste das Bild anklicken, es wird dann in voller Auflösung dargestellt.)

- und der Bestückungsplan dazu :


Weitere Fotos zum PPP-Amp:















..die Front (folgendes Foto) ist noch nicht fertig. Gibt nur on-off-Schalter mit Kontrolllampe.
(Vielleicht noch 2 Milliamperemeter, für den Ruhestrom)







Stückliste zum OTL- Verstärker
Blatt: "Endstufe"
Blatt: "Netzzteil-HV"
Blatt: "Neizteil_Heizung"

(Für Stereo Ausführung müssen die Bauteile der Endstufe in doppelter Anzahl gerechnet werden!)

Br1 = 4 x 1N5406
Br2 = 4 x 1N5406
Br3 = 4 x 1N5406
Br4 = 4 x 1N5406
Br5 = 4 x 1N5406
Br6 = 4 x 1N5406

C1 = 470n 630 V
C2 = 470n 100 V
C3 = 220µ 25 V
C4 = 100n 400 V
C5 = 1000µ 50 V
C6 = 1000µ 50 V
C7 = 470n 630 V
C8 = 470n 630 V
C9 = 470n 630 V
C10 = 470n 100 V
C11 = 2µ2 350 V
C12 = 100n 400 V
C13 = 1500µ 200 V
C14 = 1500µ 200 V
C15 = 100n 400 V
C16 = 100n 400 V
C17 = 100n 400 V
C18 = 1500µ 200 V
C19 = 1500µ 200 V
C20 = 100n 400 V
C21 = 100n 400 V
C22 = 100n 400 V
C23 = 100n 400 V
C24 = 68µ 450 V
C25 = 68µ 450 V
C26 = 68µ 450 V
C27 = 68µ 450 V
C28 = 100n 400 V
C29 = 100n 400 V
C30 = 100n 400 V
C31 = 100n 400 V
C32 = 100µ 450 V
C33 = 100µ 450 V
C34 = 100n 400 V
C35 = 100n 400 V
C36 = 68µ 450 V
C37 = 100n 400 V
C38 = 100n 400 V
C39 = 3300µ 50 V
C40 = 3300µ 50 V
C41 = 220µ 50 V
C42 = 100n 400 V

D1 = 1N5406

F1 = 3 A 15F
F2 = 4 AT
F3 = 4 AT
F4 = 800 mAT
F5 = 800 mAT
F6 = 400 mAT
F7 = 8 AT
F8 = 4 AT
F9 = 8 AT

LED1 = Blau

P1 = 10k lin
P2 = 2k5 lin
P3 = 5k lin
P4 = 25k lin
P5 = 1k lin

R1 = 47k 2W
R2 = 390k
R3 = 47k 2W
R4 = 390k
R5 = 3k8
R6 = 5k6
R7 = 2k7
R8 = 47k 2W
R9 = 3k8
R10 = 47k 2W
R11 = 390k
R12 = 390k
R13 = 1M
R14 = 150k
R15 = 1M
R16 = 150k
R17 = 4k7 4W
R18 = 15k 5W
R19 = 22k
R20 = 6.8k
R21 = 4k7 4W
R22 = 15k 5W
R23 = 4 x 100R 1/2W
R24 = 4 x 100R 1/2W
R25 = 4 x 1R 1W
R26 = 4 x 1R 1W
R27 = 4 x 1R 1W
R28 = 4 x 100R 1/2W
R29 = 680R 2W
R30 = 680R 2W
R31 = 4 x 100R 1/2W
R32 = 4 x 1R 1W
R33 = 4k7 4W
R34 = 1R 5W
R35 = 1R 5W
R36 = 220R 2W
R37 = 220R 2W
R38 = 2k2 5W
R39 = 100R

Rö1 = ECC83
Rö2 = ECC82
Rö3 = ECC82
Rö4 = ECC82
Rö5 = 6 AS7
Rö6 = 6 AS7
Rö7 = 6 AS7
Rö8 = 6 AS7
Rö9 = 6 AS7
Rö10 = 6 AS7
Rö11 = 6 AS7
Rö12 = 6 AS7

STAB 1 = LM317T

T1 = BF 245 / 2N3819
T2 = BC 548 / BC546B

Tr1 = Prim.  2 x 115 V /
Sek.   4 x 107 V / 1,5 A
2 x 170 V / 0,15 A
1 x 340 V / 0.15 A
1 x 20 V / 8 A
1 x 31,2 V / 8 A

ZD1 = 100 V / 0.5W
ZD2 = 100 V / 0.5W
ZD3 = 24 V / 0.5W

Zurück zur Hauptseite