Der Dickie-Makovski - Verstärker
(Aus einer Funkschau-Ausgabe, Heft 12 - 1956, Bereich Leserbriefe)

Unsere Fachzeitschrift "Antenna" hat die nachstehend beschriebene Schaltung US-amerikanischen Veröffentlichungen entnommen und nach vielen eigenen Versuchen einen Spezialartikel darüber veröffentlicht.
Inzwischen wird der Verstärker auch schon fabrikmäßig hier in Brasilien gebaut und zusammen mit einem HiFi-Steuerverstärker verkauft. Beim Anschluß an eine Baßbox war ich verblüfft über die Qualität; ich nehme fast an, daß die deutsche HiFi-Norm damit bei weitem übertroffen ist.
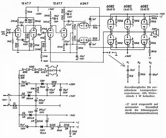
Wie die Schaltung zeigt, handelt es sich um eine verblüffend einfache Lösung des Prinzips der eisenlosen Endstufe - ganz im Gegensatz zu europäischen Schaltungen mit vielen Komplikationen und Spezialitäten, wie auch der Schwingspulenimpedanz von 800 Ohm.
Der nach seinen Erfindern genannte Dickie-Makovski-Verstärker gestattet bei einer Idealanpassung von 16 Ohm trotzdem in der Praxis Lautsprecherimpedanzen von 4 bis 16 Ohm.
Die Sprechleistung beträgt 25 Watt bei einer fast geradlinigen Frequenzkurve von 10 bis 30 000 Hz; erst bei 20 kHz ist ein Abfall von 3 dB zu verzeichnen.
Bei 16 Ohm Anpassung und einer Sprechleistung von 15 Watt liegt der Klirrfaktor unter 0,4 %.
Die Gegenkopplung ist mit 40 dB bemessen und der Geräuschabstand soll besser als 60 dB sein, wie der Hersteller angibt.
Anstelle der 6082 kann man auch die Doppeltriode 6 AS 7 verwenden.
Natürlich ist es auch möglich, anstelle der Allstromschaltung eine Wechselstromausführung zu bauen; der Netztransformator muß dann für 250 VA ausgelegt sein und die Heizwicklungen den benutzten Röhren angepasst werden.
  • W.H., Niteroi, Est. do Rio de Janaeiro (Brasilien)



  • Antwort der Funkschau-Redaktion auf diesen Leserbrief :

    Wie bedanken uns sehr für die Anregung, denn hier in Deutschland ist diese Schaltung wenig bekannt.
    Wir wissen nur, daß eine Firma in München sich ein anscheinend ähnlich gebautes Gerät aus den USA kommen ließ. Die Endstufe war mit sechs recht teuren Trioden bestückt, so daß Aufwand und Preis doch erheblich hoch waren. Die Wiedergabequalität befriedigte vollkommen. Wir möchten noch erwähnen, daß die Doppeltriode 6082 eine amerikanische Spezialröhre für die Verwendung in Flugzeugen ist. Ihr System ist schüttel- und höhenfest (25,6V / 0,6 A Heizung, 13 Watt Anodenverlustleistung, 125 mA max. Anodenstrom).
    Die Type 6 AS 7 ( = ECC 230) entspricht ihr weitgehend mit Ausnahme der auf 6,3 V / 2,4 A festgelegten Heizung.


Hier das Foto einer 6080 :



- und hier das Foto einer wunderschönen russischen 6H13C ( = 6 AS 7, diese entspricht der 6080 oder der ECC 230, die genau wie die 6080 aussieht):



Als nächstes das Datenblatt zur ECC 230 :



und die Kennlinien dieser Röhre :




Zurück zur Hauptseite